Thomson Broadcast and Multimedia ULT-1K10K2 UHF Digital transmitter, for use with MediaFlo User Manual PREIMPAP

Thomson Broadcast & Multimedia, Inc. UHF Digital transmitter, for use with MediaFlo PREIMPAP

Operation manual part 3

 Digital Liquid Cooled UHF TV Equipment Description / Test points / Location of units  9946 V1  45321648.01  104  A    E  preliminary  86 / 131Numéro / Number Doc. Rev. Langu. 16/06/2006 Page Information contained is this document is confidential, is THOMSON property and cannot be disclosed in whatever form without prior written authorization of THOMSON. 3.10.5. Test points Connector J1 on the front of the panel provides a test monitoring feed of the amplifier RF output signal. 3.10.6.  Adjustment controls  There is a potentiometer control (R164) on the front panel of each RF amplifier module which is used to set the AGC voltage of each power amplifier to the same value.     3.10.7.  Protection and surveillance devices The protection card protects the amplifier using surveillance signals as follows : ♦  protection against degradation of SWR performance at the amplifier output: this surveillance device is triggered when the SWR value is greater than 2. ♦  protection system against high currents in the amplifier LDMOS transistors: a fast acting current measuring system detects an abnormal current increase in the transistors. The surveillance device is triggered at a current I > 45 A for a block of 4 double transistors (2 amplifier modules). ♦  thermal protection system: when the input air temperature is greater than 60°C inside the amplifier the amplifier is automatically switched off. ♦  under-voltage protection device is triggered when the DC supply drops below 24 V. In all of the above protection systems, when a particular threshold parameter is reached, the amplifier is protected by attenuating the input signal (by 20 dB). In case of overheating and/or overvoltage, the amplifier is protected by an immediate shutdown by rapidly changing the transistor bias voltages. To re-start the amplifier a reset command from the Central Processing Unit is necessary.
 Digital Liquid Cooled UHF TV Equipment Description / Test points / Location of units  9946 V1  45321648.01  104  A    E  preliminary  87 / 131Numéro / Number Doc. Rev. Langu. 16/06/2006 Page Information contained is this document is confidential, is THOMSON property and cannot be disclosed in whatever form without prior written authorization of THOMSON. Fixedattentuator Variableattenuator PhaseshifterGaincontrolTemperaturecompensation&protection SWR protection & storageOvercurrent protection &storageORPower supply-10V+5 V+12V+28V+30VFault detectionAuto-diagnosticsystemInput powerOutput powerCurrent fault with/without PwSWR faultOvercurrent faultPower supply faultTemperature faultAmplifier faultResetResetResetPower supply protection All the above fault signals, i.e. VSWR, overcurrent and temperature are sent to the Central Processing Unit card after validation. Validation consists of checking the internal supplies (+5 V and -10 V) and the external supplies (> 24 V). The auto-diagnostic «amplifier fault» signal is a logical 1 output from a logical «Or» gate with the following fault inputs : ♦  VSWR, ♦  transistor over-current (measurement of current of 2 amplifier modules), ♦  temperature, ♦  RF transistor failure, ♦  low RF power output, ♦  internal power supply fault. The absence of an external power supply fault (> 24 V) validates the auto-diagnostic system and sends the validation signal to the CPU card.
 Digital Liquid Cooled UHF TV Equipment Description / Test points / Location of units  9946 V1  45321648.01  104  A    E  preliminary  88 / 131Numéro / Number Doc. Rev. Langu. 16/06/2006 Page Information contained is this document is confidential, is THOMSON property and cannot be disclosed in whatever form without prior written authorization of THOMSON. 3.10.8. Power input The amplifier is powered with DC voltage from an amplifier power supply. One of the incoming voltage power connectors J1 or J6 is connected to the input power connector, J1 or J6, on the back of the amplifier. The amplifier is also fed by a +5 V supply from the multiplex card on the connector J106/J107, this is only used if there is a problem with the +5 V supply provided by the protection and interface card. 3.10.9.  Connections and data transfer The amplifier has the following connectors : ♦  on front panel : •  connector J1, amplifier RF output test point, •  two self-locking hydraulic connector,  ♦  on rear panel : •  coaxial connector J2, RF output signal, •  coaxial connector J104, RF input signal, •  input power supply connector for the DC incoming feed, •  connector J106/J107, for connections with the rest of the transmitter; the main signals are as follows : -  amplifier status data : VSWR fault, overdrive fault, temperature fault, power supply fault, amplifier presence, amplifier fault, transistor current values and AGC information -  amplifier command data : reset command for vswr protection system and current and temperature protection systems, on/off command, -  5 V supply from the multiplex card.   3.10.10. Cooling The amplifier has a cooling circuit. The cooling liquid from the transmitter system enters via a self-locking connector on the amplifier, circulates through the power amplifier heat exchange system and exits via a second connector; both connectors are on the amplifier front panel. 3.10.11. Transportability The amplifier weighs 19 kg and it is necessary to take precautions when moving it. It has a handle on the front panel which is used to extract it from its housing in the bay. For transportation purposes it has
 Digital Liquid Cooled UHF TV Equipment Description / Test points / Location of units  9946 V1  45321648.01  104  A    E  preliminary  89 / 131Numéro / Number Doc. Rev. Langu. 16/06/2006 Page Information contained is this document is confidential, is THOMSON property and cannot be disclosed in whatever form without prior written authorization of THOMSON. removable handle (ref. 91 568 218) which can be inserted into the upper part of the heat sink. A marine type enclosure including custom-built wrapping is used to house the amplifiers in complete safety during long journeys. 3.10.12. Environmental Conditions Liquid temperature for guaranteed specifications :  0 to 55 °C. Liquid temperature for guaranteed operation :   -10 to 60°C. Storage temperature (ampli empty) :  .-30 to 60 °C. Maximum altitude in operation :  3000 m. Relative humidity :  95 % without condensation. Cooling :  Water + glycol (50% diluted) + corrosion inhibitor 3.10.13. Electrical Characteristics The electrical characteristics below are given for above environmental conditions, 50 V mains supply and nominal liquid flow of 6l/min. Input max. level without destruction:  20 dBm max. Output power (2 dB compression on VSWR ≤ 1.2 and 650 ≤ F ≤ 750 MHz):  2100 W min. Continuous power in CW sinusoidal mode :  960 W max. Instantaneous bandwidth :  650 to 750 MHz. Gain at 719 MHz for Ps=570 W CW :  63 ± 0.2 dB. Gain linear distortions (650 to 750 MHz for Ps=960 W CW):  ±0.75 dB max. ±1.5 dB Reference electrical length at 720 MHz :  27.64 ns. ± 5 ns Gain flatness between amplifiers (with selective under band switch) :  ± 0.3 dB max. Phase flatness between amplifiers :  ± 10 ° max. Gain tilt in bandwidth :  0.1 dB/MHz max. Phase tilt in bandwidth :  1 °/MHz max. Max. consumed current at 1000 W r.m.s :  115 A. Minimum efficiency at 570 W r.m.s :  23 %. Input matching in bandwidth :  17 dB min. Output matching in bandwidth:  14 dB min. Harmonic level for Ps=1600 W peak on 50 Ohms load :  H2......26 dB min. Front face coupling sample :  49 dB ± 1 dB. Shoulder level without correction on multi carrier signal, (8 MHz band, 1600 W PEP):  25 dB. Thermal protection (Temperature measured on slab) :  80 ± 5 °C. Guaranteed max. pressure (airtight-Ness) :  7 bars. Shoulders for Ps = 570 W r.m.s (with MODAP) :  -36 dBc max. MER for Ps= 570 W r.m.s (with MODAP) :  33 dB min. Transistor junction temperature (liquid temperature = 60°C for 960 W CW) :  < 170°C max. Min. liquid flow :  5l/min. 3.10.14. Physical characteristics Measurements with handle (L x H x P) :  70x600x720 mm. Weight :  19 kg max.
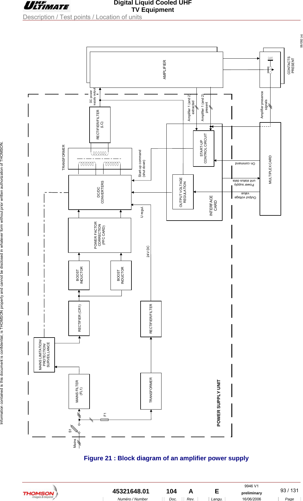
 Digital Liquid Cooled UHF TV Equipment Description / Test points / Location of units  9946 V1  45321648.01  104  A    E  preliminary  90 / 131Numéro / Number Doc. Rev. Langu. 16/06/2006 Page Information contained is this document is confidential, is THOMSON property and cannot be disclosed in whatever form without prior written authorization of THOMSON.             3.11. Amplifier power supply, 37419700.02 3.11.1. Outline The amplifier power supply contains the following sub-units : ♦  filter unit, ♦  diode bridge, ♦  PFC card together with boost inductors, ♦  control card containing : •  circuits for current limitation, mains protection and surveillance devices, •  two DC/DC converters, •  monitoring system, ♦  step down transformer, ♦  output «LC» filter circuit, ♦  output signals interface card.
 Digital Liquid Cooled UHF TV Equipment Description / Test points / Location of units  9946 V1  45321648.01  104  A    E  preliminary  91 / 131Numéro / Number Doc. Rev. Langu. 16/06/2006 Page Information contained is this document is confidential, is THOMSON property and cannot be disclosed in whatever form without prior written authorization of THOMSON. Connectorto amplifier06/089(e)Connector toamplifierJ1to control unitJ6Interlock withamplifiers06/088 (e)J3Interlock withamplifiersGreen Ledoutput voltagepresentF2F3F4F1J2(R)(+) J5 (R)(+)PH1PH2PH3S106/086(e)HydraulicConnectorRenovalhandleHydraulicConnectorLock system Figure 20 : Liquid cooled power supply
 Digital Liquid Cooled UHF TV Equipment Description / Test points / Location of units  9946 V1  45321648.01  104  A    E  preliminary  92 / 131Numéro / Number Doc. Rev. Langu. 16/06/2006 Page Information contained is this document is confidential, is THOMSON property and cannot be disclosed in whatever form without prior written authorization of THOMSON. 3.11.1.1. Operational description The input three phase mains supply passes through protection fuses F1 to F3, and then passes successively through the following : ♦  filter unit (FL1) for parasite elimination, ♦  circuit for current limitation and mains protection and surveillance devices. The mains supply is then rectified by a diode bridge rectifier (CR1) followed by a PFC circuit (boost inductance + PFC card). The resulting DC voltages are fed to a PFC card which improves the power factor of the incoming mains by : ♦  arranging that incoming current is totally sinusoidal, ♦  reducing the harmonics. The PFC card has two choppers separated by a phase delay of 90°. The currents are added and fed to two DC/DC converters in an H bridge configuration and installed on the control card. A pulse width modulating circuit which is controlled by the output voltage is used to control the waveform pulse width. This is the basic mechanism for controlling the output voltage. This modulating circuit which is synchronised to the PFC card uses control circuits to control the operation of the H bridges so that the waveform is shaped properly and the chopping action is synchronised. The pulse width modulation circuit is fed by an auxiliary 24 V DC fed from a step-down transformer followed by rectification and filtering. Each DC/DC converter feeds a transformer primary winding. The unidirectional voltage cycles from the secondary winding go through a further push-pull rectifying circuit followed by an «LC» filtering circuit and the resulting voltage is then fed to the power supply module output. Each amplifier power supply has an output interface card containing logic circuits which : ♦  generate power supply start-up and shut-down commands (see § «Surveillance devices»), ♦  control the output voltage and adjust it to the set value. The set value is encoded into a 3 bit word which is sent by the multiplex card and can be set by using internal switches in the multiplex card (this only applies to the Ultimate range of UHF transmitters). Note :  On high power transmitters all command and status data exchanged between the multiplex card and the RF power amplifiers pass through the amplifier power supplies.
 Digital Liquid Cooled UHF TV Equipment Description / Test points / Location of units  9946 V1  45321648.01  104  A    E  preliminary  93 / 131Numéro / Number Doc. Rev. Langu. 16/06/2006 Page Information contained is this document is confidential, is THOMSON property and cannot be disclosed in whatever form without prior written authorization of THOMSON. START-UPCONTROL CIRCUITRECTIFIER/FILTER(LC)TRANSFORMERAMPLIFIERAmplifier presencesignalsMULTIPLEX CARDPower supplyunit status dataOn commandINTERFACECARDAmplifier 1 (and 2)extractedStart-up command(shut down)U regul.CONTACTSPRESENTDC powersupply outputOUTPUT VOLTAGEREGULATIONDC/DCCONVERTERSMAINS LIMITATION/PROTECTION/SURVEILLANCEMAINS FILTER(FL1)BOOSTINDUCTORTRANSFORMER RECTIFIER/FILTERMainsS1POWER SUPPLY UNIT24V DC06/092 (e)RECTIFIER (CR1)BOOSTINDUCTORPOWER FACTORCORRECTION(PFC CARD)Output voltagevalueAmplifier 1 (and 2)presentF1 Figure 21 : Block diagram of an amplifier power supply
 Digital Liquid Cooled UHF TV Equipment Description / Test points / Location of units  9946 V1  45321648.01  104  A    E  preliminary  94 / 131Numéro / Number Doc. Rev. Langu. 16/06/2006 Page Information contained is this document is confidential, is THOMSON property and cannot be disclosed in whatever form without prior written authorization of THOMSON. 3.11.1.2.  Using the commands The amplifier power supplies are fed via a switch fuse isolator for protection of the power supply, accessible to the operator on the front panel. 3.11.1.3.  Indicator lamps and message displays A green LED on the upper panel indicates the status of the power supply as follows : ♦  when lit up it indicates that there is an output DC voltage and that the power supply is in operation, Green Ledoutput voltagepresent06/086(e)  ♦  when extinguished it indicates that there is no output DC voltage and that the power supply is shut down or faulty.  Note :  The «POWER SUPPLY» window which can be displayed on the PCL displays the status conditions for the power supplies in a bay as follows :  ♦  POWERED OFF  :  power supply shut down but fault-free,  ♦  POWERED ON  :  power supply in operation and fault-free,  ♦  FAULT  : mains input failure; this indication is independent of the power supply operational status (on or off),  ♦  MISSING  :  power supply absent,  ♦  BREAKER OFF  :  fused isolator open circuited,  ♦  MAINS FAULT  :  one of the mains fuses F1 to F3 has failed,  ♦  UNKNOW  :  internal power supply fault in the multiplex card. 3.11.1.4. Test points The amplifier power supply has no test points. 3.11.1.5. Adjustment controls The amplifier power supply has no adjustment controls available to the operator. 3.11.1.6.  Protection and surveillance devices Each power supply module is protected against high input currents by internal fuses (F1 to F3) in the mains input feed.
 Digital Liquid Cooled UHF TV Equipment Description / Test points / Location of units  9946 V1  45321648.01  104  A    E  preliminary  95 / 131Numéro / Number Doc. Rev. Langu. 16/06/2006 Page Information contained is this document is confidential, is THOMSON property and cannot be disclosed in whatever form without prior written authorization of THOMSON. The mains supply to the module can be switched off by an isolator on the front panel ; fuses F1 to F3 can be accessed when the isolator is open. The control card has a mains circuit with the following protection and surveillance devices: ♦  a current limitation circuit which is active on power supply start-up, ♦  protection against mains overvoltages (surge arresters), ♦  a mains surveillance device (loss of a phase, under-voltage, overvoltage) which can switch on or switch off the power supply module, ♦  an EC (Electromagnetic Compatibility) filtering circuit. The output interface card has a switch on/switch off circuit which monitors the connection status of the amplifiers : ♦  Each amplifier has the capability of sending data when it is present and when it is withdrawn. These data in addition to the On command (shut-down circuit) trigger the start-up of the power supply, ♦  when an amplifier is withdrawn : •  the disappearance of the presence data causes the power supply to be shut down, •  after the extraction of the amplifier the opening of the withdrawal contact triggers the restart-up of the power supply, ♦  during the insertion of an amplifier : •  the closing of the withdrawal contact triggers the shut-down of the power supply, •  the presence data triggers the switch on of the power supply, ♦  The withdrawal of the two amplifiers connected to a particular power supply triggers the total shut-down of the power supply even if the on command (shut-down circuit) is continued. A thermal surveillance device triggers the shut-down of the power supply when the temperature rises beyond 75°C.  3.11.1.7.  Connections and data transfer Each power supply is connected to other installation equipment via the following connectors : ♦  J1    :  connections to the multiplex card, ♦  J2 and J5  :  +30 V DC output connectors to feed the power amplifiers, ♦  J3 and J6  :  connectors on the power amplifiers of high power transmitters. These connectors carry command and status data exchanges between the multiplex card and the amplifiers, ♦  not connected on medium power transmitters, ♦  power connector (phases 1, 2 and 3 and earth) : mains input feed termination. 3.11.1.8. Power input The three phase mains input supply is fed to each amplifier power supply module from the Mains Distribution Panel. Each module is connected to the mains supply via a power connector on the back of the module, in the bottom.
 Digital Liquid Cooled UHF TV Equipment Description / Test points / Location of units  9946 V1  45321648.01  104  A    E  preliminary  96 / 131Numéro / Number Doc. Rev. Langu. 16/06/2006 Page Information contained is this document is confidential, is THOMSON property and cannot be disclosed in whatever form without prior written authorization of THOMSON. 3.11.1.9. Cooling The power supply unit has a cooling circuit. The cooling liquid from the transmitter system enters via a self-locking connector on the amplifier, circulates through the power supply heat exchange system and exits via a second connector; both connectors are on the power supply front panel.
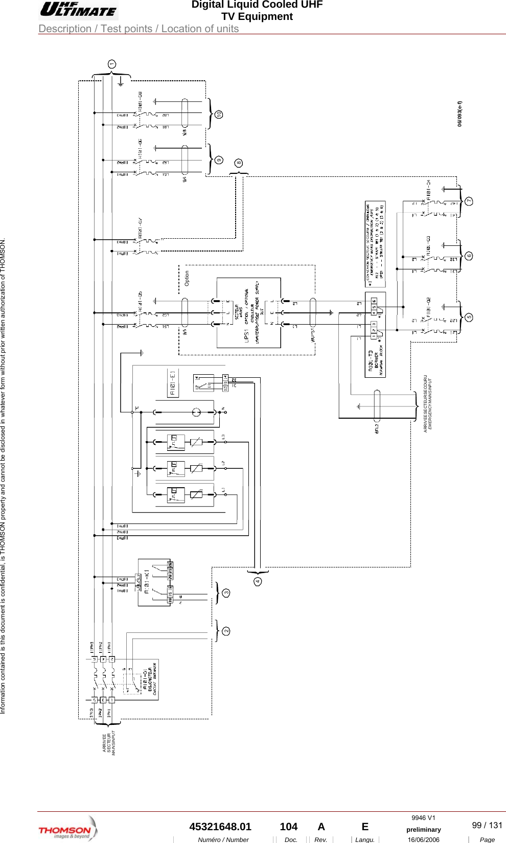
 Digital Liquid Cooled UHF TV Equipment Description / Test points / Location of units  9946 V1  45321648.01  104  A    E  preliminary  97 / 131Numéro / Number Doc. Rev. Langu. 16/06/2006 Page Information contained is this document is confidential, is THOMSON property and cannot be disclosed in whatever form without prior written authorization of THOMSON.             3.12. The mains plate, 61391643 3.12.1. Outline The Mains Distribution Panel takes in the external main supply and provides mains feeds together with protection systems for the various transmitter sub-units and the incoming mains supply. The Mains Distribution Panel has safety devices to protect against abnormalities in the incoming main supply as follows: ♦  main circuit breaker Q1, which isolates the mains supply from the equipment and is the principal safety switch. Moreover it protects the transmitter against overload conditions. ♦  over voltage protection E1 module. The status conditions of the incoming main supply are transmitted to the loop protection system and the Central Processing Unit by data from the following sensors: ♦  a contact Q1-1 on the main circuit breaker Q1, ♦  a mains monitoring relay K1 which detects the presence, absence and phase inversion of the three phases of the incoming mains supply. ♦  a mains monitoring relay E1 which detects the lighting protection of the three phases of the three phases of the incoming mains supply.  The Mains Distribution Panel provide selective protection for the installation so that only the protective device immediately ahead of the fault will be activated : •  Circuit breaker Q6  : protects the mains feeds of the very low voltage power supply for the Control Processor Unit via the management rack, •  Circuit breaker Q7  : not used, •  Circuit breaker Q8  : protects the mains feeds of external exhaust fan EV3. •  Circuit breaker Q5  : protects the mains feeds of an uninterruptible power supply (UPS) - option, This configuration, with an uninterruptible power supply (UPS) is an option. Without this element, Q5 is not used and the mains come from “emergency mains input” (see “LV distribution” drawing for TB1 terminal block configuration ) •  Circuit breaker Q2  : protects the mains feeds of Sirius 1, •  Circuit breaker Q3  : protects the mains feeds of Sirius 2, •  Circuit breaker Q4  : protects the mains feeds of the very low voltage power supply for the screen of  the control panel via the management rack
 Digital Liquid Cooled UHF TV Equipment Description / Test points / Location of units  9946 V1  45321648.01  104  A    E  preliminary  98 / 131Numéro / Number Doc. Rev. Langu. 16/06/2006 Page Information contained is this document is confidential, is THOMSON property and cannot be disclosed in whatever form without prior written authorization of THOMSON.  Figure 22 : Localisation of the main items of the Energy plate
 Digital Liquid Cooled UHF TV Equipment Description / Test points / Location of units  9946 V1  45321648.01  104  A    E  preliminary  99 / 131Numéro / Number Doc. Rev. Langu. 16/06/2006 Page Information contained is this document is confidential, is THOMSON property and cannot be disclosed in whatever form without prior written authorization of THOMSON. ARRIVEE SECTEUR SECOURUEMERGENCY MAINS INPUT32457689101Option06/093(e-f)ARRIVEESECTEURMAINS INPUT
 Digital Liquid Cooled UHF TV Equipment Description / Test points / Location of units  9946 V1  45321648.01  104  A    E  preliminary  100 / 131Numéro / Number Doc. Rev. Langu. 16/06/2006 Page Information contained is this document is confidential, is THOMSON property and cannot be disclosed in whatever form without prior written authorization of THOMSON. 3.12.2.  Indicator lamps and message displays ♦  An orange indicator lamp on the mains monitoring relay K1 gives further information on the incoming main supply as follows: •  Lit up : OK, •  Extinguished: absence or inversion of phases. ♦  E1 includes 4 surge arrestors “over voltage protection” ( 3 between Phases and Ground , the 4 th. one between Neutral and Ground .When one surge arrestor is damaged, the light on the corresponding arrestor is on : the plug-in module has to be replaced . 3.12.3.  Test points and adjustment controls The front panel of the Mains Distribution Panel does not have any test points or adjustment controls, which can be used by the operator. 3.12.4.  Protection and surveillance devices Refer to the preceding section «operational description of the Mains Distribution Panel». 3.12.5.  Connections and data transfer The input connections to the mains distribution panel are used to determinate the incoming phase voltage and earth. The output connections are as following : c Cables for feeding three phase supplies to the amplifier power supplies. d Signal link cable allows to forward the surveillance status data of the main circuit breaker in the Central Processing Unit via TB2 to roof interconnection J3. e Signal link cables allows to forward the surveillance status data of mains (phase detector) in the Central Processing Unit via TB2 to roof interconnection J3. f Signal link cables allows to forward the surveillance status data of mains (over voltage) in the Central Processing Unit via TB2 to roof interconnection J3. g Cable for feeding single phase to the SIRIUS 1. h Cable for feeding single phase to the SIRIUS 2. i Cable for feeding single phase to the very low voltage power supply for the screen of  the control panel via the gestion rack j NU k Cable for feeding single phase to the very low voltage power supply for the Control Processor Unit via the management rack l Cable for feeding single phase to the exhaust fan on the roof.   NOTE :  A connector TB1 allows to modify the Input mains configuration for feeding Sirius and Screen of Control panel. This elements can be fed by an uninterruptible power supply (UPS)  via the circuit breaker Q5 (noted {option)  or fed by the emergency mains input .  Both temperature informations ( input and output) are connected on terminal block TB2 .
 Digital Liquid Cooled UHF TV Equipment Description / Test points / Location of units  9946 V1  45321648.01  104  A    E  preliminary  101 / 131Numéro / Number Doc. Rev. Langu. 16/06/2006 Page Information contained is this document is confidential, is THOMSON property and cannot be disclosed in whatever form without prior written authorization of THOMSON. 3.12.6. Input power The sole function of the Mains Distribution Panel is to re-distribute the mains input power and hence it has no need of any other input power. 3.12.7. Cooling The components of the Mains Distribution Panel are cooled by natural convection.
 Digital Liquid Cooled UHF TV Equipment Description / Test points / Location of units  9946 V1  45321648.01  104  A    E  preliminary  102 / 131Numéro / Number Doc. Rev. Langu. 16/06/2006 Page Information contained is this document is confidential, is THOMSON property and cannot be disclosed in whatever form without prior written authorization of THOMSON.             3.13. The multiplex card, 45324500 3.13.1. Outline The multiplex card is the main connection distribution centre for the bay in which it is installed. It is the central routing hub for input/output connections for status and command data circuits between: ♦  the Central Processing Unit on the one hand and the amplifiers, the amplifier power supplies and the sensors (excluding the probes) on the other hand, ♦  the exciter cards and the amplifiers (AGC voltages), ♦  The UC card and the hydraulic cabinet. 3.13.2. Architecture The multiplex card consists of a printed circuit card. 3.13.3. Operational description -12V (B)DC/DCMUX/DEMUXCPU-SUB ASSEMBIS DATADETECTION AND PRESENCE SIGNALSFOR POWER SUPPIES TOPOWER AMPLIFIERS RFAGC VOLTAGEBLACK/WHITE VOLTAGEPOWER COOLING SYSTEMLOOP PROTECTION SYSTEMINTERFACELOOP PROTECTION SYSTEMMUX/DEMUXPOWER SUPPLYAMPLI.INTERFACEINTERFACEUNITE CENTRALE+ 5V_U-12V (A)04/021 (e)+ 5VOthermultiplex board+ 5V_DC HYDRAULICCABINET The main functions of the multiplex card are as follows: ♦  transmission of commands from the Central Processing Unit to the amplifiers, ♦  multiplexing and transmission to the Central Processing Unit, of data from: •  the amplifier power supplies, •  the amplifiers (via the amplifier power supplies),
 Digital Liquid Cooled UHF TV Equipment Description / Test points / Location of units  9946 V1  45321648.01  104  A    E  preliminary  103 / 131Numéro / Number Doc. Rev. Langu. 16/06/2006 Page Information contained is this document is confidential, is THOMSON property and cannot be disclosed in whatever form without prior written authorization of THOMSON. •  the sensors, •  the hydraulic cabinet. The multiplex card is connected to the Central Processing Unit by a multiplexed bus; seven users can be connected in parallel across this bus (the group of sensors + 5 PS/amplifiers +1 hydraulic ports). ♦  transmission of AGC voltages from the power amplifiers to the exciter cards, All AGC voltages from the amplifiers are applied to an "OR" logic gate. This "OR" gate on the multiplex card extracts the largest of these AGC voltages. This voltage is used to control the power delivered by the power amplifiers, On transmitter with “separate channel” amplification, it excites an AGC vision separate loop and an AGC sound loop. ♦  transmission of black/white voltage from video treatment card + Fl, from exciter plugged on the antenna to the power amplifiers. ♦  detection and presence signals for the power supplies to the power amplifiers, ♦  switching on and switching off the amplifier power supplies in addition to switching on and off the cooling system through a loop protection system, ♦  selection of equipment starting steps order: dependent on cooling (air or liquid), ♦  in case of several multiplex boards (2 or 3): the +5V_DC power supply redundancy is made by the converter of one of the additional multiplex boards. Switching on-air and switching off-air The switching on and off of the amplifier power supplies and of the cooling system is controlled by the position of the by-stable relay K1. The starting steps order depend on cooling. ♦  Air cooling: •  The closing of this contact by activating the "ON" command enables the transmission of the +5 V voltage supply to the loop protection system and if this is closed the amplifier power supplies are switched on. This ON condition is detected by an analogue "OR" circuit on the multiplex card which triggers the start-up of the cooling system.
 Digital Liquid Cooled UHF TV Equipment Description / Test points / Location of units  9946 V1  45321648.01  104  A    E  preliminary  104 / 131Numéro / Number Doc. Rev. Langu. 16/06/2006 Page Information contained is this document is confidential, is THOMSON property and cannot be disclosed in whatever form without prior written authorization of THOMSON. CURRENTLIMIT+ 5V_CHS SECU_STA SECU_ARM SECU_PRINCIP PRES_SECT TMPH SECT_VENTIL SECT_VENTIL_EXRELAYK1ONDELAY 1AIRLIQUID1 - POWERSUPPLY ON"OR"GATE(DIODES)Cooling ON(not used)Mains presence3 - POWERSUPPLY ON&RF CONTROL(s)to EMBDELAY 22 - PRESSURESWITCHSECURITY04/017 (e)  Figure 23 : Air cooling system ♦  Liquid cooling: •  The closing of this contact by activating the “ON” command enables the transmission of the +5V voltage supply to the loop protection system and if this is closed, the hydraulic pumps are switched. Only when the hydraulic flow is correct, the power supplies are switched on. CURRENTLIMIT+ 5V_CHS SECU_STA SECU_ARM SECU_PRINCIP PRES_SECT TMPH SECT_VENTIL SECT_VENTIL_EXRELAYK1ONDELAY 1AIRLIQUID3 - POWERSUPPLY ON"OR"GATES(DIODES)Mains presence4 - RF CONTROL(s)to EMB DELAY 22 - FLOW METERSECURITYHydraulic system04/018 (e)1 - COOLING ONHydraulic systemAIR COOLING(no used) Figure 24 : Liquid cooling system
 Digital Liquid Cooled UHF TV Equipment Description / Test points / Location of units  9946 V1  45321648.01  104  A    E  preliminary  105 / 131Numéro / Number Doc. Rev. Langu. 16/06/2006 Page Information contained is this document is confidential, is THOMSON property and cannot be disclosed in whatever form without prior written authorization of THOMSON. The selection of starting steps order is configured via switches: S401, S402 and S403 on multiplex board. Cabinets which have more than 10 amplifiers have two multiplex cards as follows: ♦  one of them is associated with 8 amplifiers and the total protection system, ♦  the other is associated with the remaining amplifiers and its protection system only monitors the station protection system while the other surveillance device contacts are short circuited by a strap. ♦  The opening of the contact on the by-stable relay K1 by activating the "OFF" command which comes from the exciter/CPU interconnection card switches off the +5 V supply which controls the optical relays (K4 to K10). The opening of these relays switches off the amplifier power supplies and the cooling system. Protection system Each cabinet has its protection system; it consists of sensor contacts which are connected in series in the multiplex card. The open circuiting of just one of these contacts is enough to open the relays which control the mains feeds to the amplifier power supplies and the cooling system. When the transmitter is started up and the cooling is switched off, the "cooling air pressure correct" signal is simulated in order that the associated surveillance device does not prevent the switch-on of the amplifier power supplies. +5V_DC redundancy This redundancy is available (whatever the defected converter) only with cabinet with 2 or 3 multiplex boards. In case of 3 multiplex boards, only one redundancy is possible. With 2 multiplex boards: In case of first DC/DC converter G1 failure: ♦  contact of relay K401 toggles, ♦  second converter G1 supplies system with +5V_via fuse F402. G1OUTPUTINPUT+ 5V+5VG1OUTPUTINPUT+ 5V+5V04/019(e)MULTIPLEX BOARD 1 MULTIPLEX BOARD 2
 Digital Liquid Cooled UHF TV Equipment Description / Test points / Location of units  9946 V1  45321648.01  104  A    E  preliminary  106 / 131Numéro / Number Doc. Rev. Langu. 16/06/2006 Page Information contained is this document is confidential, is THOMSON property and cannot be disclosed in whatever form without prior written authorization of THOMSON. With 3 multiplex boards: In case of converter G1 failure, the first converter takes over. In case of first converter G1 failure the second converter takes over. 04/020 (e)G1(1) OUTPUTMULTIPLEXBOARD 1 INPUT+ 5V+5VG1(2) OUTPUTMULTIPLEXBOARD 2 INPUT+ 5V+5VG1(3) OUTPUTMULTIPLEXBOARD 3 INPUT+ 5V+5V AGC voltages The AGC voltages for each amplifier are fed to an OR gate before being sent to the exciters. Power Supply voltage detection As soon as the power supply voltage for the vision amplifiers has been detected, the signal PRE_ALI (vision amplifiers power supply presence signal) is sent to the exciters. As soon as the power supply voltage for the sound amplifiers has been detected, the signal PRE_ALS (sound amplifiers power supply presence signal) is sent to the exciters. Multiplexing/Demultiplexing of data signals The name for a signal has the following format : < Root > < Suffix > < Number > ♦  Each equipment unit is identified by a number. Numbers are also used to identify the equipment unit internal parameters. UB : Central Processing Unit ⇔ Multiplex board. UE : Central Processing Unit ⇔ Exciter. BA : Multiplex board ⇔ Power Supply – Amplifier. UA : Central Processing Unit ⇔ Display Board. ♦  The root identifies the signal type: AD : Address DN : Data signal DN – COM : Command data signal. DN – INF : Logic read signal. DN – ANA : Analogue read signal. CS : Chip Select. RW : Read – Write. INI : Initialisation in progress signal.
 Digital Liquid Cooled UHF TV Equipment Description / Test points / Location of units  9946 V1  45321648.01  104  A    E  preliminary  107 / 131Numéro / Number Doc. Rev. Langu. 16/06/2006 Page Information contained is this document is confidential, is THOMSON property and cannot be disclosed in whatever form without prior written authorization of THOMSON. POWERSUPPLY1PAL(2)(1)UC(  )02/041b (e)(  )(*)HYDRAULICCABINET (1) :  AD_UB < 0…10 > is an 11-way multiplexed serial signal which defines a variable value throughout the equipment,   signal RW_UB identifies a read or write cycle for the CPU board,   signal CS_UB (serial),   signal DN_INF_UC on 1 wire for reading a logic signal,   signal DN_INF_UC on 1 wire for reading an analogue signal, (∆) :  signal DN_COM_UB. (2) :  signal AD_BA < 0…3 > uses 4 wires for identifying an equipment unit parameter, i.e. a total of 16 parameters,   signal CS_BA selects an equipment unit (1 wire for each equipment unit). (*) :  signal DN_INF_UC on 1 wire for reading a logic signal, (•) :  signal DN_INF_UC on 1 wire for reading an analogue signal,  signal DN_COM_BA.  Read Cycle The CPU sends signal AD_UB < 0…10 > and checks that the read cycle has started via signal RW_UB ; it validates signal CS_UB before sending validation confirmation to the multiplex board. The multiplex board decodes the number within the signal AD_UB < 0…10 > via the PAL unit and generates the following signals: ♦  AD_BA < 0…3 > (identification of an equipment unit parameter), ♦  CS_BA (selection of equipment unit). The address AD_BA < 0…3 > is sent to all the equipment units, but only the equipment unit selected by the signal CS_BA will reply with a readout.
 Digital Liquid Cooled UHF TV Equipment Description / Test points / Location of units  9946 V1  45321648.01  104  A    E  preliminary  108 / 131Numéro / Number Doc. Rev. Langu. 16/06/2006 Page Information contained is this document is confidential, is THOMSON property and cannot be disclosed in whatever form without prior written authorization of THOMSON. The selected equipment unit will simultaneously send both logic signal DN_ANA_BA and analogue signal DN_ANA_BA corresponding to the number within address AD_BA < 0…3 >. Each of these signals is sent along a single wire which is connected to all the equipment units via the multiplex board; equipment units which have not been selected via the CS_BA signal will not return any signal. Signals DN_INF_UB and DN_ANA_UB are then sent to the CPU via the multiplex board. The CPU reads the analogue signal or logic signal and then disables signal CS_UB in order to indicate the end of the cycle. Note :  If a non-selected equipment unit exhibits a malfunction with regard either to signal DN_ANA_BA or to signal DN_INF_BA there will be incorrect routing to the CPU of the signal from the equipment unit selected by the CS_UB signal. In order to determine the source of this problem, disconnect connectors J1 to J5 on the multiplex board and check for normal signal transfer with the rest of the equipment; then re-connect the connectors one after the other to identify which Power supply/Amplifier assembly is causing the faulty communication. Disconnect the two amplifiers from the identified assembly and reconnect the multiplex board connector (J1 to J5). ♦  In the case of faulty communication, first replace the cable connecting the multiplex board to the power supply and the power supply itself in order to identify the faulty component. ♦  In the case of correct communication, interchange the two amplifiers in order to identify the faulty component.  Write Cycle The CPU sends the signal AD_UB < 0…10 > to start the write cycle via signal RW_UB; it sends the command signal via signal DN_COM_UB and validates signal CS_UB before sending validation confirmation to the multiplex board. The multiplex board transfers the status of signal DN_COM_UB to signal DN_COM_BA. The multiplex board then decodes the number the signal AD_UB < 0…10 > via the PAL unit and generates the following signals: ♦  AD_BA < 0…3 > (identification of an equipment unit parameter), ♦  CS_BA (selection of equipment unit), ♦  The CPU holds signal CS_UB for 10 ms to indicate the end of the write cycle while the multiplex board disables signal CS_BA.
 Digital Liquid Cooled UHF TV Equipment Description / Test points / Location of units  9946 V1  45321648.01  104  A    E  preliminary  109 / 131Numéro / Number Doc. Rev. Langu. 16/06/2006 Page Information contained is this document is confidential, is THOMSON property and cannot be disclosed in whatever form without prior written authorization of THOMSON.  04/007 (e)Amplifierplug-in contactsE/S UCNon utiliséSensorinputsIOexternalsystemsSensorinputsI/Oother multiplexboardI/O power supply  4 I/O power suply  3 I/O power supply  2I/O powersupply 1I/Opowersupply 5I/OCPUSoundAGCinputSoundAGCoutputVisionAGCinputVisionAGCoutputReserveNon utiliséLVinput Card substitutionS402Cooling systemstartCooling systemstartS401S403ReserveReserveReserve*** Other multiplex card Figure 25 - Location of connectors on multiplex card
 Digital Liquid Cooled UHF TV Equipment Description / Test points / Location of units  9946 V1  45321648.01  104  A    E  preliminary  110 / 131Numéro / Number Doc. Rev. Langu. 16/06/2006 Page Information contained is this document is confidential, is THOMSON property and cannot be disclosed in whatever form without prior written authorization of THOMSON. 3.13.4.  Indicator lamps and message displays If the internal +5 V from the internal regulator on the multiplex card is faulty or missing the following indications are given: ♦  the green LED. "DS3" is extinguished, ♦  the message "UNKNOWN" is displayed in the "PSU n" message windows in the PCL "POWER SUPPLY" window.  3.13.5.  Protection and surveillance devices The multiplex card has a monitoring circuit for its own internal power supply. It has protection devices ahead of the -12 V/+5 V regulator as follows: ♦  F2: protects the -12 V supply from the exciter A power supply card, ♦  F3: protects the -12 V supply from the exciter B power supply card. These fuses go open circuit in over-current conditions and reset automatically; they cannot be changed on line.  3.13.6. Adjustment controls The card has no adjustment controls. ATTENTION :  There are switches on the multiplex card to configure the transmitter and also to set up certain operational parameters in relation to the amplifier power supplies. These jumpers and switches are factory-set and should not be repositioned.  3.13.7.  Connections and data transfer The multiplex card has the following connectors: ♦  connectors J1 to J5 which function as follows: •  they connect the data exchange bus between the amplifier power supplies 1 to 5 on the one hand and the exciter/CPU interconnection card on the other; these data consist of: -  amplifier power supply status data, -  status and command data regarding the power amplifiers, •  their input signals are as follows: -  on and off commands for the multiplex cards, -  AGC voltages, -  removal/re-insertion status signals from the amplifier cards, •  their output signals are as follows: -  presence data regarding the power amplifiers and their power supplies, ♦  connector J6 which functions as follows: •  It connects to the data exchange bus to the Central Processing Unit, via the exciter/CPU interconnection card; the data exchanged are as follows: -  amplifier power supply status data,
 Digital Liquid Cooled UHF TV Equipment Description / Test points / Location of units  9946 V1  45321648.01  104  A    E  preliminary  111 / 131Numéro / Number Doc. Rev. Langu. 16/06/2006 Page Information contained is this document is confidential, is THOMSON property and cannot be disclosed in whatever form without prior written authorization of THOMSON. -  status and command data regarding the power amplifiers, -  sensor status data both from the sensors in the protection system and from various other sensors. •  it terminates the -12 V/+5 V DC input power supply from the exciter/CPU interconnection card, •  it accepts the transmitter start and stop commands, •  its output signals are as follows: -  presence data regarding the power amplifiers and their power supplies, -  mains presence data from the Mains Distribution Panel, ♦  connector J14, which by being connected to connector J6 on another multiplex card allows the Central Processing Unit to be connected to several multiplex cards in parallel, ♦  input connector J7, for status signals from sensors, ♦  connector J8, which sends additional status data from the sensors to the Central Processing Unit, ♦  connector J10, which accepts the Sound AGC voltage from another multiplex card (used on an analogue transmitter with split channels), ♦  connector J11, which sends the Sound AGC voltage to the exciter cards (used on an analogue transmitter with split channels), ♦  connector J12, which accepts the AGC voltage (specifically the vision AGC voltage on an analogue transmitter with split channels) from another multiplex card, ♦  connector J13, which sends the AGC voltage (specifically the vision AGC voltage on an analogue transmitter with split channels) to the exciter cards, ♦  connector J15: •  sends the cooling On command to the cooling system, •  and receives the signal quality status data from an external measuring device,  ♦  connector J16, which accepts the switched DC status signals for extraction/insertion of the power amplifiers, ♦  connector J17, which accepts certain other status signals from sensors; these signals have no connection with the protection system.  3.13.8. Power input The multiplex card is fed with -12 V DC from the exciter power supply card(s). An internal voltage regulator provides the main power supply at -12 V/+5 V to the multiplex card. The +5 V DC powers supply from the CPU power supply card is also used by some internal circuits. These power supplies are fed from the exciter/CPU interconnection card via connector J6.  3.13.9. Cooling The multiplex card is cooled by natural convection.
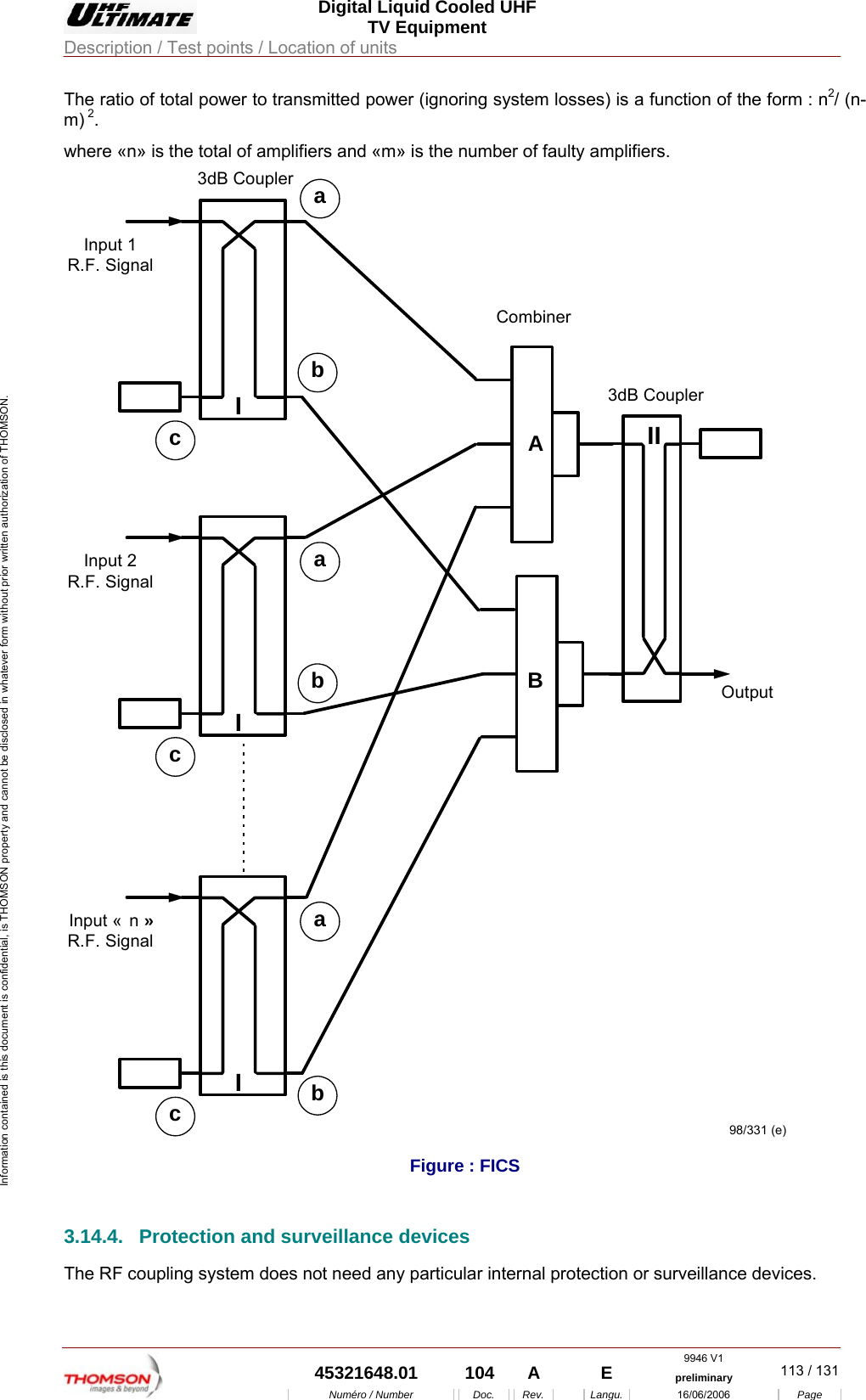
 Digital Liquid Cooled UHF TV Equipment Description / Test points / Location of units  9946 V1  45321648.01  104  A    E  preliminary  112 / 131Numéro / Number Doc. Rev. Langu. 16/06/2006 Page Information contained is this document is confidential, is THOMSON property and cannot be disclosed in whatever form without prior written authorization of THOMSON. 3.14. Coupling  system 3.14.1. Outline The purpose of the RF combiner is to add together the power signals from the RF power amplifiers. An input unit splits the power signal from the exciter into signals, which are exactly matched in amplitude and phase, and sends them to the amplifiers. An F.I.C.S. (Full Isolated Coupling System patented by THALES) unit adds the powers signals delivered by the amplifiers. The system has an isolating unit, which avoids mismatch problems when one or more amplifiers fail. 3.14.2. Architecture The F.I.C.S. unit consists of: ♦  a stage consisting of 3 dB couplers (one coupler per amplifier), ♦  one or two load circuits, ♦  two 4 to 16 way combiners (one way per amplifier), ♦  an output 3 dB coupler. 3.14.3. Operational description At the output of each amplifier a 3 dB coupler produces the power signals which are exactly matched in amplitude and with an aperiodic phase difference of 90° to two distribution modules (6 inputs - 1 output). These two modules are connected to another 3 dB coupler which recombines the power signal and delivers it to the transmitter channel output. Next figure describes the basic principle of the F.I.C.S. unit: ♦  the amplifiers are connected to the inputs of the 3 dB couplers, ♦  the outputs (a) from the 3 dB couplers are connected to the distribution module (A), ♦  the outputs (b) from the 3 dB couplers (which have a phase difference 90° with the (a) outputs) are connected to the distribution module (B), ♦  outputs (c) from the 3 dB couplers are connected to the load circuit; each input of this unit terminates in a set of four resistors which can dissipate 850 W. In normal operation the signals applied to the inputs of the distribution modules are exactly matched in amplitude and phase. Hence they add together completely. The output 3 dB coupler adds the signals and sends the combined signal to the RF output. When not operating normally (amplitude and/or phase mismatch or amplifier failure) the signal applied to a distribution module input has the following three components: ♦  the component transmitted to the module output, ♦  the reflected component, ♦  the component applied to the other amplifier outputs. Because of the aperiodic phase difference of 90° between the two distribution modules, the components, which are reflected or transmitted to the amplifiers, are recombined in the load terminations of the 3 dB input couplers. The components transmitted to the module output recombine at the output of the 3 dB output coupler. Hence in all operational circumstances the system gives absolute protection to the amplifiers even in the case of the shut-down of one or several amplifiers.
 Digital Liquid Cooled UHF TV Equipment Description / Test points / Location of units  9946 V1  45321648.01  104  A    E  preliminary  113 / 131Numéro / Number Doc. Rev. Langu. 16/06/2006 Page Information contained is this document is confidential, is THOMSON property and cannot be disclosed in whatever form without prior written authorization of THOMSON. The ratio of total power to transmitted power (ignoring system losses) is a function of the form : n2/ (n-m) 2. where «n» is the total of amplifiers and «m» is the number of faulty amplifiers. Input 1R.F. SignalabcIInput «  n »R.F. SignalabcIInput 2R.F. SignalabcIOutputIIABCombiner3dB Coupler3dB Coupler98/331 (e)  Figure : FICS 3.14.4.  Protection and surveillance devices The RF coupling system does not need any particular internal protection or surveillance devices.
 Digital Liquid Cooled UHF TV Equipment Description / Test points / Location of units  9946 V1  45321648.01  104  A    E  preliminary  114 / 131Numéro / Number Doc. Rev. Langu. 16/06/2006 Page Information contained is this document is confidential, is THOMSON property and cannot be disclosed in whatever form without prior written authorization of THOMSON. 3.14.5. Adjustments No adjustment controls are needed on the RF coupling system. 3.14.6.  Connections and data transfer The vision channel input splitter has the following connectors: ♦  an input connector for the exciter RF output signal, ♦  output connectors for the RF signals to the inputs of the RF power amplifiers. The F.I.C.S. combiner has the following connectors: ♦  input connectors (one per amplifier) for the RF power amplifier outputs, ♦  output connectors for the co-axial cable connections to the load circuits (one per amplifier, plus one for the F.I.C.S. output 3 dB coupler), ♦  a feeder output which feeds the RF signal to the filter assembly. The load circuit input connectors are connected to resistor sets by co-axial cables. 3.14.7. Input power The RF coupling system does not need any input power. 3.14.8. Cooling The load circuits are mounted on a heat sink capable of dissipating the heat gain from the resistors. The transmitter cooling system cools the heat sink itself. The transmitter cooling system cools the sink itself.
 Digital Liquid Cooled UHF TV Equipment Operating modes and Control modes  9946 V1  45321648.01  104  A    E  preliminary  115 / 131Numéro / Number Doc. Rev. Langu. 16/06/2006 Page Information contained is this document is confidential, is THOMSON property and cannot be disclosed in whatever form without prior written authorization of THOMSON. 4.  Operating modes and Control modes 4.1. SIRIUS initialisation ♦  When the SIRIUS is commissioned it must receive initialisation commands from the transmitter CPU: Some SIRIUS operational parameters which are in the CPU memory are transferred to the SIRIUS by a command from the PCL (in maintenance mode). Afterwards, the operator can change some of these parameters using the PCL. 4.2.  Transmitter operating modes The transmitter has the following modes of operation: ♦  Installation mode: The transmitter assumes this mode when mains is first switched on or when the CPU card is replaced. It consists of an initialisation procedure for the CPU card. In this mode the control system sets the transmitter operational parameters and status conditions to the default values; these values can be changed by the operator using the PCL. The principal facilities available in this mode are as follows: •  polling, •  making entries in the log book, •  display of installation window. The following important facilities are not available: •  processing of faults, •  command control system. ♦  Normal mode: In this mode all operational facilities are available. Selecting maintenance commands on the exciter cards or adjusting/changing parameters on the PCL (alarm threshold, power reduction, etc.) are not available. ♦  Maintenance mode: In this mode the fault analysis and processing system is not available. Operations and commands which are not available in normal mode can be carried out by the operator. 4.3. On-air mode This mode can be activated automatically or manually as follows: ♦  when automatic switch to air mode has been selected: •  the transmitter can only go on-air if an input signal is present, •  if no input signal is present the transmitter will be switched off air by removing the amplifier power supply feed.
 Digital Liquid Cooled UHF TV Equipment Operating modes and Control modes  9946 V1  45321648.01  104  A    E  preliminary  116 / 131Numéro / Number Doc. Rev. Langu. 16/06/2006 Page Information contained is this document is confidential, is THOMSON property and cannot be disclosed in whatever form without prior written authorization of THOMSON. ♦  when the manual on-air mode is selected, switching to air and switching off-air are available as specific operator commands; when the transmitter has been switched on all power supplies are on irrespective of the presence or not of video at the input. 4.4. Different operational states of exciter (Dual drive version) An exciter will be in one of the following states : ♦  selected and switched to the RF power amplifiers and hence to air (to antenna); this is the normal operational state for the transmitter assuming that an automatic changeover has not taken place, ♦  selected but not switched to air; this is the case for an exciter which has been selected but there has been an automatic exciter changeover, ♦  in reserve; this is the case for an exciter which has not been selected and is not switched to air, ♦  not selected but switched to air; this is the case for the reserve exciter after there has been an automatic exciter changeover. In all of these states the exciter can be operational or not. The operational states of the exciters can be checked in the "EXCITER 1" window on the PCL. 4.5.  The two exciter changeover modes (Dual drive version) The changeover switch between the two exciters can take place automatically or under manual control. ♦  In the automatic changeover mode the facilities for an automatic switch between the two exciters (A → B or B → A) if a fault appears on the selected exciter channel have been enabled; in this mode it is possible to initiate the changeover switch manually. In the automatic changeover mode the identity of the selected exciter is not changed; this is not the case with manual changeover. ♦  In the manual changeover the switch can only take place as a result of a command from a user interface (PCL or remote user interface). The manual changeover changes the identity of the selected exciter. The changeover mode which has been selected can be monitored and changed in the "EXCITER 1" window on the PCL. At any given time an automatic changeover between the exciters may have taken place, may have not taken place or may be impossible. The "EXCITER 1" window on the PCL shows which of these three is the case. If an automatic changeover has taken place the On-Air exciter has not been selected and hence a subsequent automatic changeover is impossible. Another automatic changeover can take place if: ♦  a manual changeover has been commanded, or, ♦  a transmitter "RESET" operation is carried out. In this instance care must be exercised because the records of all cleared faults as well as their consequences to the system will be erased; all selections effected on the PCL will also be erased.
 Digital Liquid Cooled UHF TV Equipment Operating modes and Control modes  9946 V1  45321648.01  104  A    E  preliminary  117 / 131Numéro / Number Doc. Rev. Langu. 16/06/2006 Page Information contained is this document is confidential, is THOMSON property and cannot be disclosed in whatever form without prior written authorization of THOMSON. The following table illustrates how the status of an exciter changes after both a manual changeover and an automatic changeover:     STATUS OF EXCITER AFTER A CHANGEOVER    MANUAL CHANGEOVER (SELECTED EXCITER IS CHANGED)  AUTOMATIC CHANGEOVER (FAULT ON SELECTED EXCITER CHANNEL) SELECTED AND ON-AIR Reserve  Selected and off-air SELECTED AND OFF-AIR Reserve No change RESERVE Selected and on-air  Not selected and on-air INITIAL STATE OF EXCITER NOT SELECTED AND ON-AIR Selected and on-air  No change 4.6. Transmitter control modes The transmitter can be controlled either (a) in local control mode from a Local Control Panel (PCL), or (b) in remote control mode from a remote user interface: ♦  in local control mode, only commands from the PCL will be recognised by the system. The remote user interface is not enabled. Note :   Commands from the PCL can be locked (disabled) by using a password. ♦  in remote control mode, only commands from the remote user interface will be recognised by the system. The PCL interface is not enabled.
 Digital Liquid Cooled UHF TV Equipment Internal and external connections  9946 V1  45321648.01  104  A    E  preliminary  118 / 131Numéro / Number Doc. Rev. Langu. 16/06/2006 Page Information contained is this document is confidential, is THOMSON property and cannot be disclosed in whatever form without prior written authorization of THOMSON. 5.  Internal and external connections 5.1.  Transmitter inter-unit connections 5.1.1.  Cabinet inter-unit connections 5.1.1.1.  Exciter Sub-assemblies links (see RF links and signal links diagrams) The cards of the set EMB are distributed between the following boxes: ♦  Box SIRIUS including mainly the treatment of the signal and its RF conversion, ♦  The box of Management including An amplification function for the RF signal  All the data exchanged between the subsets EMB of these boxes, pass in transit opposite back. There are two types of connection: RF links Signal links   Figure 26 : RF links   Figure 27 : Signal links All the data exchanged between the subsets of the box SIRIUS and the outside (Signals MPEG, 10MHz, 1PPS, FdD ..), also pass in transit opposite back of this one. 5.1.1.2.  Connections between CPU and exciter (Refer to links interconnection diagrams). The CPU card is plugged into the digital TX interconnection card and it exchanges the following with the exciter via the serial link RS232: ♦  command signals, ♦  status data. In the Double Drive version, the digital TX interconnection card is connected to each of the SIRIUS rack in rear panel of the frame.
 Digital Liquid Cooled UHF TV Equipment Internal and external connections  9946 V1  45321648.01  104  A    E  preliminary  119 / 131Numéro / Number Doc. Rev. Langu. 16/06/2006 Page Information contained is this document is confidential, is THOMSON property and cannot be disclosed in whatever form without prior written authorization of THOMSON. 5.1.1.3.  Connections for switched dc and analogue signals within the transmitter (Refer to signal links diagram). The transmitter sub-units have switched DC and analogue interconnections for status, display and command data with the CPU and the multiplex card. All data exchanges between the CPU and the transmitter sub-units pass through the digital TX interconnection card. All data exchanges between the CPU and the transmitter sub-units other than the exciter cards and the user interfaces also pass through the multiplex card. Data to and from the amplifiers pass through the amplifier power supplies. For cabinets in transmitters with power outputs greater than 4 kW, connections between the second multiplex card and the CPU are made via the first multiplex card.  5.1.1.4. RF connections (Refer to RF links diagram). Coaxial cables and feeders are used for the RF signal connections between the various transmitter sub-units. 5.1.2.  Connections between Central Processing Unit and user interfaces Connections between Central Processing Unit and user interfaces Various types of connection are used for data exchanges between the User Interfaces and the Central Processing Unit: ♦  PCL connections (via interconnection card): •  RS 232 serial link using JBUS protocol, •  switched DC connections, •  analogue connections. ♦  serial link to a remote user interface (via interconnection card): RS 232 serial link using THALES protocol, ♦  hard wired connections to a user interface (via interconnection card): Remote control and remote indications conform to the IEC 864-1 standard, ♦  connection with log book terminal: RS 232 serial link. 5.1.3.  Connections between cabinet and filter unit The connections between the cabinet and the band filter consist only of RF connections for which co-axial cables and feeders are used.
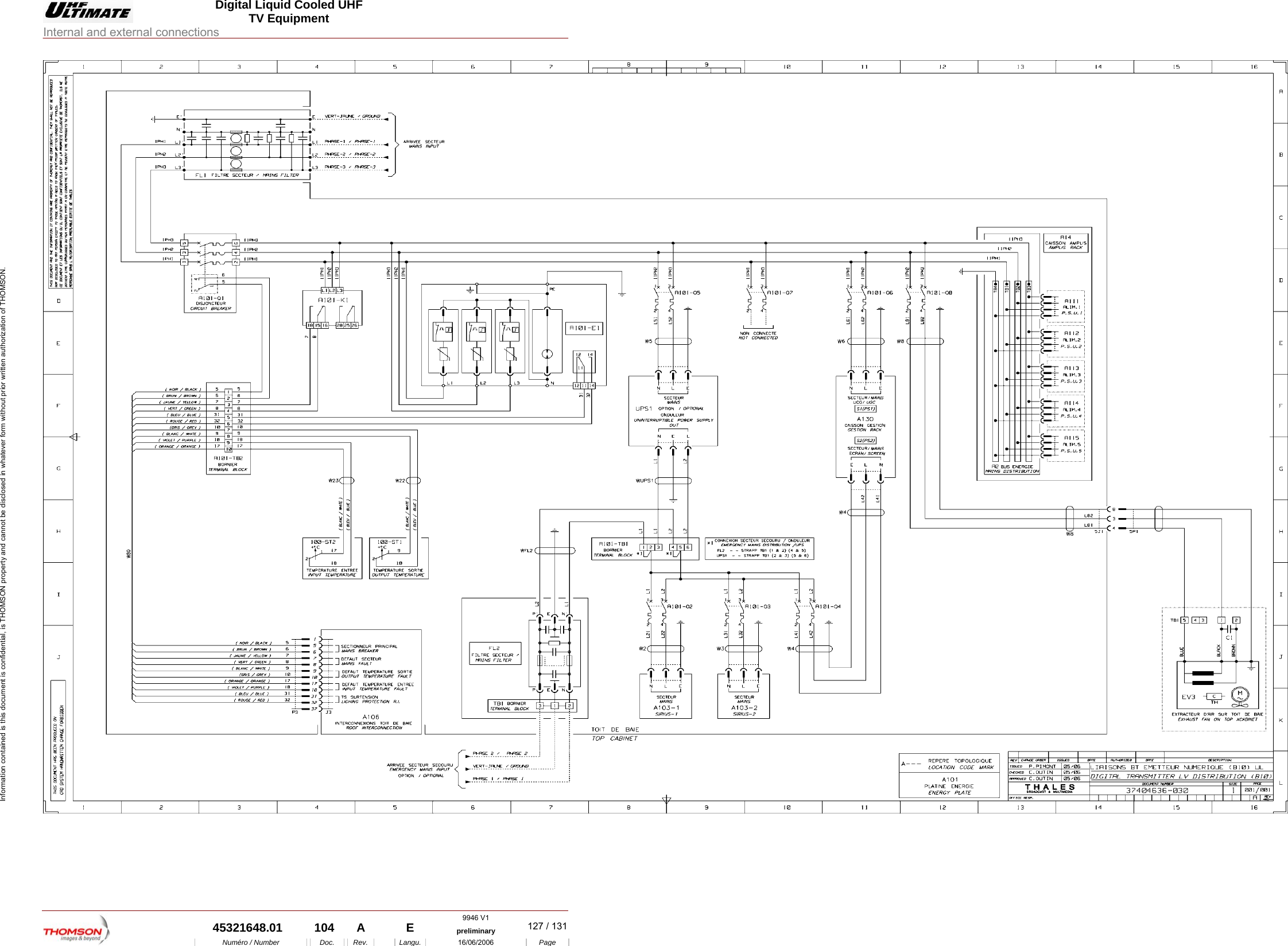
 Digital Liquid Cooled UHF TV Equipment Internal and external connections  9946 V1  45321648.01  104  A    E  preliminary  120 / 131Numéro / Number Doc. Rev. Langu. 16/06/2006 Page Information contained is this document is confidential, is THOMSON property and cannot be disclosed in whatever form without prior written authorization of THOMSON. 5.2.  Location of principal connectors These diagrams show the positions of the main transmitter connections. FL2TB09-xx3A(e)09-xx2A (e)06/115(e)L1L2L3NFL2Arrivée secteur secouruEmergency mains inputFL1Arrivée secteurMains inputCapot
 Digital Liquid Cooled UHF TV Equipment Internal and external connections  9946 V1  45321648.01  104  A    E  preliminary  121 / 131Numéro / Number Doc. Rev. Langu. 16/06/2006 Page Information contained is this document is confidential, is THOMSON property and cannot be disclosed in whatever form without prior written authorization of THOMSON. MAINSINPUTLIQUIDINDOOREMERGENCYMAINS INPUT(Optional)TB1LIQUIDOUTDOORGROUND - M10NEUTREL3  L2  L1RF INPUTEV3J6 TB1SIRIUS-2A103-2 LAN2SIRIUS-1A103-1 LAN2GESTION RACKA130 LAN5J1J1J8J6J3 J5 J7J2 J4BJ2J1J8J6J3 J5 J7J4AJ5 TB2 J9BJ106/079b(e)  Figure 28 : Top of cabinet B860 and Sockets supports (safety extra low voltage)
 Digital Liquid Cooled UHF TV Equipment Internal and external connections  9946 V1  45321648.01  104  A    E  preliminary  122 / 131Numéro / Number Doc. Rev. Langu. 16/06/2006 Page Information contained is this document is confidential, is THOMSON property and cannot be disclosed in whatever form without prior written authorization of THOMSON.             ♦  Connexion toit de Baie/Roof Inter connection A106-TB1 1 2   Défaut Température Sortie/Output temperature Fault 3 4   Défaut Refroidissement Externe/External Cooling Fault 5 6   Défaut Ventilation Externe Filtre RF/Cooling RF Filter Fault 7 8   Défaut Ventilation Externe DX/Cooling DX Faults 9 10  Défaut Débit/Flow Fault 11 12   Défaut Température Entrée/Input Température Fault 13 14   Défaut Filtre à Air/Air Filter Fault – Alarme Débit/Flow Alarm 15 16  Non Connecté/Not Connected  A106-TB2 1   Non Connecté/Not Connected 3   Non Connecté/Not Connected 2 4  Info Marche/On Marche  A106-J.. A106-J1   Refroidissement externe/External Cooling A106-J5    Interconnexion brassage Txn-1/Interconnetion Board Txn-1 A106-J6    Interconnexion brassage Txn+1/Interconnetion Board Txn+1  Ethernet supervision / Ethernet supervision A130 LAN    Ethernet Caisson gestion /  Gestion rack A103-1 LAN2    Ethernet Sirius 1 A103-2 LAN2    Ethernet Sirius 2
 Digital Liquid Cooled UHF TV Equipment Internal and external connections  9946 V1  45321648.01  104  A    E  preliminary  123 / 131Numéro / Number Doc. Rev. Langu. 16/06/2006 Page Information contained is this document is confidential, is THOMSON property and cannot be disclosed in whatever form without prior written authorization of THOMSON. Entrée  Signaux / Input  Signal J1A  Entrée Signal 1 / Signal 1  Input J2A  Entrée 10 MHz/10 MHz Input J3A  Entrée 1 P.P.S/1 P.P.S Input J5A  Entrée Signal 2 / Signal 2 Input J8A SIRIUS 1 Entrée GPS / GPS Input J2B  Entrée 10 MHz/10 MHz Input J3B  Entrée 1 P.P.S/1 P.P.S Input J8B SIRIUS 2 Entrée GPS / GPS Input
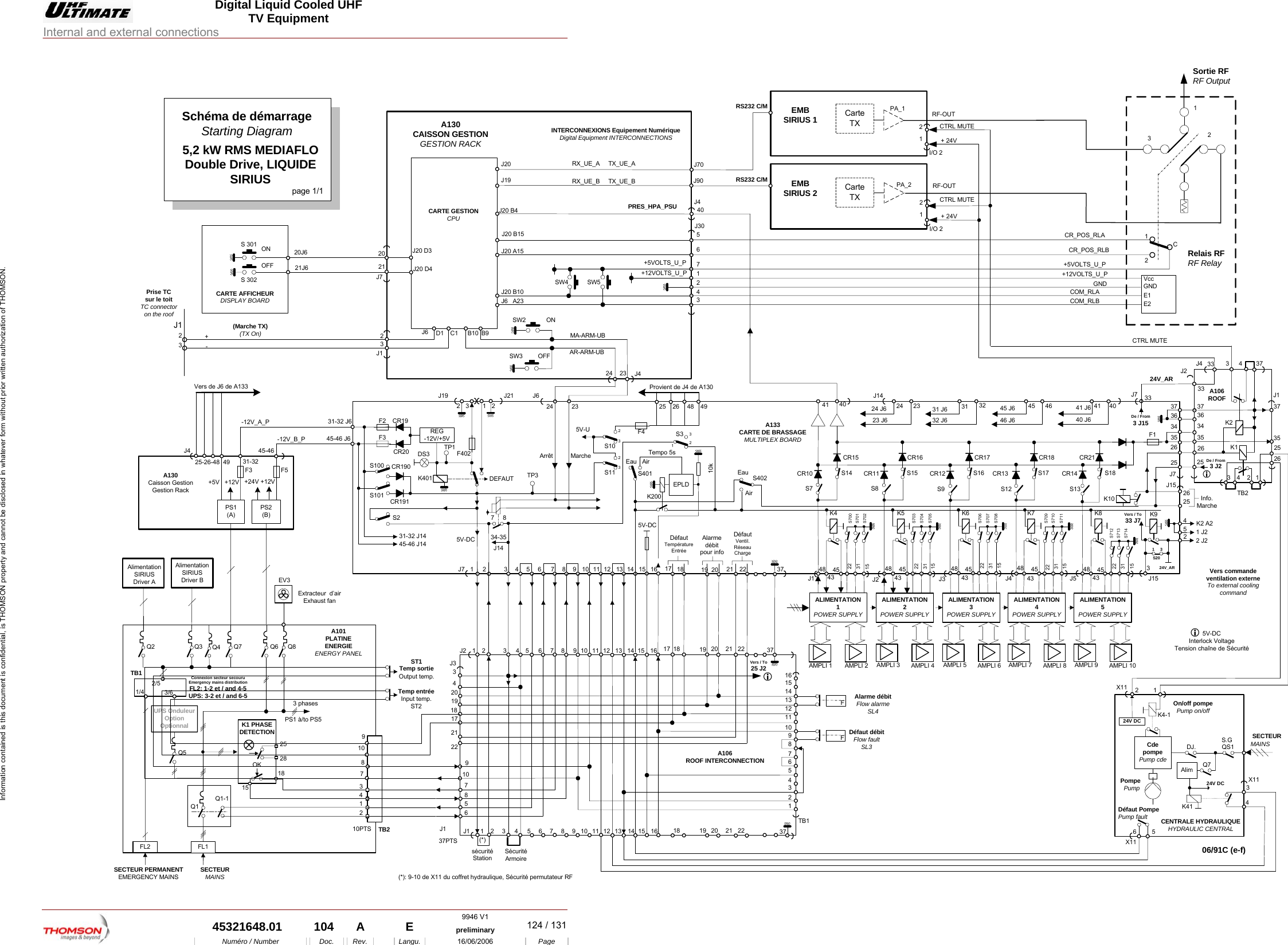
 Digital Liquid Cooled UHF TV Equipment Internal and external connections  9946 V1  45321648.01  104  A    E  preliminary  124 / 131Numéro / Number    Doc.    Rev.   Langu.  16/06/2006 Page Information contained is this document is confidential, is THOMSON property and cannot be disclosed in whatever form without prior written authorization of THOMSON.                      A130Caisson GestionGestion RackSchéma de démarrageStarting Diagram5,2 kW RMS MEDIAFLODouble Drive, LIQUIDESIRIUS45-46 J631-32 J6page 1/120J6S 301 ONCARTE AFFICHEURDISPLAY BOARDOFFS 30221J6A15PRES_HPA_PSUJ20 B4J90J305671243J1232324D1 C1 B9J6 B10+5VOLTS_U_P+12VOLTS_U_PJ20 B15J20 A15J20 B10J6   A23CARTE GESTIONCPUJ20 D3INTERCONNEXIONS Equipement NumériqueDigital Equipment INTERCONNECTIONSAR-ARM-UBMA-ARM-UBSW4 SW5J20 D42VccGNDE1E2CR_POS_RLACR_POS_RLB+5VOLTS_U_P+12VOLTS_U_P12CGNDCOM_RLACOM_RLBRelais RFRF Relay06/91C (e-f)Vers commandeventilation externeTo external coolingcommandREG-12V/+5V4348 45J2 4348 45J3 4348 45J4 4348 45J52526J15Alarmedébitpour infoTempo 5sK2005V-DCArrêt Marche24 23J6403421 2216151413121098764321J7S700S701S702S703S704S705S706S707S708S709S710S711S712S713S714223115223115223115223115312S3CR19CR20CR190CR191S7S14S8S15S9S16S12S17S13S1841J1424 2324 J623 J631 3231 J632 J641 4045 4645 J646 J65V-DC10kF2F3DS3F1TP1K4 K5 K6 K7 K8CR15 CR16 CR17 CR18 CR21CR10 CR11 CR12 CR13 CR1434-35J147     8363537J732S11S103219 201817DéfautVentil.RéseauChargeDéfautTempératureEntrée31-32 J1445-46 J14Eau AirEauAirS402S4015F402K401J19 J21DEFAUT231224V_AR2S2S100S101TP35V-U41 J640 J6F4TB2J134363537112 J231-3245-46AlimentationSIRIUSDriver AAlimentationSIRIUSDriver B+5V   +12VJ123+-A101PLATINEENERGIEENERGY PANELPS1 à/to PS513EMBSIRIUS 1(Marche TX)(TX On)EV3Prise TCsur le toitTC connectoron the roofExtracteur  d’airExhaust fanPS1(A)PS2(B)-12V_B_P-12V_A_PJ4+24V +12V25-26-48  4925 26 48 49Provient de J4 de A130Vers de J6 de A133F5F319 201615141312111087654321J2 37161514131211108765 94321J1912345678910111213151614TB1J37856(*)sécuritéStationA106ROOF INTERCONNECTION(*): 9-10 de X11 du coffret hydraulique, Sécurité permutateur RF34EPLD37 Alarme débitFlow alarmeSL417 18 21 2219 20 3718 21 22K9Info.MarcheK1035K2 A21 J24J1526J23735A106ROOF4262625213Défaut débitFlow faultSL3FFCdepompePump cdeK4-121On/off pompePump on/offS.GDJ. SECTEURMAINSCENTRALE HYDRAULIQUEHYDRAULIC CENTRALDéfaut PompePump fault65 K41QS1Q7Alim24V DC 34X11X11X1124V DC171819202221PompePump40J4J4SW3         OFFSW2            ONJ72021Sortie RFRF OutputCarteTXRF-OUTEMBSIRIUS 2 CarteTXRF-OUTPA_1PA_2RS232 C/MRS232 C/MJ70A130CAISSON GESTIONGESTION RACKJ20J19RX_UE_A     TX_UE_ARX_UE_B     TX_UE_B2528TB2K1 PHASEDETECTIONOKQ7Q23 phases3412SECTEURMAINSFL2SECTEUR PERMANENTEMERGENCY MAINSQ1-1Q1TB1Q82/5J1SécuritéArmoireFL137PTS10PTSA133CARTE DE BRASSAGEMULTIPLEX BOARD333324V_AR33 43J4CTRL MUTE21I/O 2+ 24V21I/O 2+ 24VCTRL MUTECTRL MUTEALIMENTATION2POWER SUPPLYAMPLI 3 AMPLI 4ALIMENTATION3POWER SUPPLYAMPLI 5 AMPLI 6ALIMENTATION4POWER SUPPLYAMPLI 7 AMPLI 8ALIMENTATION5POWER SUPPLYAMPLI 9 AMPLI 10AMPLI 1ALIMENTATION1POWER SUPPLYAMPLI 218159781091/4Q6Q5UPS OnduleurOptionOptionnal3/6Q4Q3Connexion secteur secouruEmergency mains distributionFL2: 1-2 et / and 4-5UPS: 3-2 et / and 6-5ST1Temp sortieOutput temp.Temp entréeInput temp.ST2104348 45J1223115Vers / To33 J71     3S20De / From3 J1537LK2K1LDe / From3 J225J725Vers / To25 J25V-DCInterlock VoltageTension chaîne de SécuritéL
 Digital Liquid Cooled UHF TV Equipment Internal and external connections  9946 V1  45321648.01  104  A    E  preliminary  125 / 131Numéro / Number    Doc.    Rev.   Langu.  16/06/2006 Page Information contained is this document is confidential, is THOMSON property and cannot be disclosed in whatever form without prior written authorization of THOMSON.
 Digital Liquid Cooled UHF TV Equipment Internal and external connections  9946 V1  45321648.01  104  A    E  preliminary  126 / 131Numéro / Number    Doc.    Rev.   Langu.  16/06/2006 Page Information contained is this document is confidential, is THOMSON property and cannot be disclosed in whatever form without prior written authorization of THOMSON.
 Digital Liquid Cooled UHF TV Equipment Internal and external connections  9946 V1  45321648.01  104  A    E  preliminary  127 / 131Numéro / Number    Doc.    Rev.   Langu.  16/06/2006 Page Information contained is this document is confidential, is THOMSON property and cannot be disclosed in whatever form without prior written authorization of THOMSON.

Navigation menu