Alcatel Canada 39T28A03A22A Alcatel 7390 LMDS Multiservice Broadband Wireless User Manual 3cc12426aaaaTQbja01
Alcatel Canada Inc Alcatel 7390 LMDS Multiservice Broadband Wireless 3cc12426aaaaTQbja01
Contents
- 1. Base Station User Manual 1 of 14
- 2. Base Station User Manual 2 of 14
- 3. Base Station User Manual 3 of 14
- 4. Base Station User Manual 4 of 14
- 5. Base Station User Manual 5 of 14
- 6. Base Station User Manual 6 of 14
- 7. Base Station User Manual 7 of 14
- 8. Base Station User Manual 8 of 14
- 9. Base Station User Manual 9 of 14
- 10. Base Station User Manual 10 of 14
- 11. Base Sation User Manual 11 of 14
- 12. Base Sation User Manual 12 of 14
- 13. Base Sation User Manual 13 of 14
- 14. Base Sation User Manual 14 of 14
Base Station User Manual 2 of 14

3CC12426AAAA TQ BJA 01 Issue 01 - April 2001 - Draft 04 41/346
104
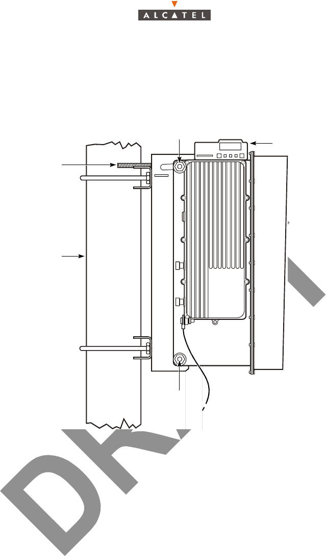
Figure 10 – Antenna, X-Pol RBS Tx/X-Pol RBS Rx and captive bolts
5. As shown in Figure 11, place a lock washer and a flat washer on each of the four RF wave guide
screws, and insert and tighten each of the four screws to 0.56 Nm (5 in.-lb) torque.
Figure 11 – Installing the RF wave guide screws
6. Ensure that each of the captive screws and RF wave guide screws are tightened to the correct
torque, and that there is no gap between the radio and antenna.
Antenna
Captive bolt
(hidden)
O-ring
X-Pol RBS TX
X-Pol RBS Rx
Antenna
RF
wave guide
screw
Flat
washer
Lock
washer
X-Pol RBS Tx
X-Pol RBS Rx
Captive bolts

42/346 Issue 01 - April 2001 - Draft 04 3CC12426AAAA TQ BJA 01
104
2.5.3 – Attaching a mounting plate and antenna to a pole
The following parts are required:
– an antennna with an attached X-Pol RBS Tx or X-Pol RBS Rx,
– a single-antenna mounting plate and mounting hardware (provided with the antenna), or a dual-
antenna mounting plate and mounting hardware (part number 90-7385-02).
The BS mounting hardware is composed of the following:
– downtilt adjustment screws,
– flat washers,
– lock washers,
– antenna bolts,
– U-bolts and U-bolt brackets,
– 17 mm nuts.
The dual antenna mounting plate can accommodate either one or two antennas. Single-antenna
configurations are used for non-redundant X-Pol RBS Tx or X-Pol RBS Rx operation, and double-
antenna configurations are used for redundant X-Pol RBS Tx or X-Pol RBS Rx operation.
To connect a mounting plate and antenna to a pole
1. Attach the mounting plate to the pole using the pole mounting hardware, as shown in Figure 12,
where a single antenna mounting plate is shown.
1. Thread the downtilt adjustment screw(s) into the mounting plate until the hole in the adjustment
screw plate aligns with the antenna bolt channel at the top of the mounting plate.
2. Connect the top of the mounting plate to the pole using a U-bolt, U-bolt bracket, washers and
nuts.
3. Tighten the two nuts until the top of the mounting plate is held securely to the pole, but is still
shifts enough from side-to-side to allow the bottom U-bolt to be inserted.
4. Connect the bottom of the mounting plate to the pole using a U-bolt, U-bolt bracket, washers and
nuts.
5. Tighten all four U-bolt nuts to 54.4 Nm, ± 2.7 Nm (40 ft-lb, ± 2 ft-lb) of torque.
Warning - If an antenna is attached to a mounting plate on a pole before an X-Pol RBS Tx
or X-Pol RBS Rx is attached to the antenna, the RF wave guide and screws must be covered
with weatherproof tape to protect the antenna from moisture.
Caution - Do not install an X-Pol RBS Tx and an X-Pol RBS Rx on the same mounting plate,
otherwise the X-Pol RBS Tx transmit signal will interfere with the X-Pol RBS Rx receive
signal.
Caution - Mounting poles should be grounded to a suitable lightning discharge ground.

3CC12426AAAA TQ BJA 01 Issue 01 - April 2001 - Draft 04 43/346
104
Figure 12 – Connecting the mounting plate to the pole
2. Connect the antenna to the mounting plate, as shown in Figure 13.
Downtilt
adjustment
screw
Screw
bracket
U-bolt
U-bolt bracket
Nut Lock
washer
Flat
washer
Mounting pole
Mounting plate

44/346 Issue 01 - April 2001 - Draft 04 3CC12426AAAA TQ BJA 01
104
Figure 13 – Connecting the antenna to the mounting plate
1. Thread a nut roughly 10 mm (3/4 in.) onto each of the two antenna bolts.
2. Connect the top of the antenna to the top of the mounting plate by inserting one of the antenna
bolts through a lock washer, a flat washer, the adjustment screw plate, antenna bolt channel on
the mounting plate, a spacer and upper bolt hole on the antenna. Add a flat washer, a lock
washer and a nut to the antenna side of the antenna bolt, and tighten both nuts to 54.4 Nm,
± 2.7 Nm (40 ft-lb, ± 2 ft-lb) of torque.
3. Connect the bottom of the antenna to the bottom of the mounting plate by inserting the remaining
antenna bolt through a lock washer, a flat washer, the antenna bolt hole on the mounting plate,
a spacer and the lower bolt hole on the antenna. Add a flat washer, a lock washer and a nut to
the antenna side of the antenna bolt, and tighten both nuts to 54.4 Nm, ± 2.7 Nm (40 ft-lb, ± 2 ft-
lb) of torque.
To mount a second antenna on a dual antenna mounting plate
A second antenna can be attached to a dual antenna mounting plate, as shown in Figure 14.
Nut Lock washer
Flat washer
Spacer
Antenna
bolt 10mm
(3/4 in.)
Nut
Antenna
Lock washer
Flat washer
Spacer
Antenna
bolt and nut

3CC12426AAAA TQ BJA 01 Issue 01 - April 2001 - Draft 04 45/346
104
Figure 14 – Mounting a second antenna
1. Thread a nut roughly 10 mm (3/4 in.) onto each of the two antenna bolts.
2. Connect the top of the antenna to the top of the mounting plate by inserting one of the antenna bolts
through a lock washer, a flat washer, mounting plate antenna bolt channel, the adjustment screw
plate, a spacer and the upper antenna bolt hole. Add a flat washer, a lock washer and a nut to the
antenna side of the antenna bolt, and tighten both bolts to 54.4 Nm, ± 2.7 Nm (40 ft-lb, ± 2 ft-lb) of
torque.
3. Connect the bottom of the antenna to the bottom of the mounting plate by inserting the remaining
antenna bolt through a lock washer, a flat washer, the lower mounting plate antenna bolt hole, a
spacer and lower antenna bolt hole. Add a flat washer, a lock washer and a nut to the antenna side
of the antenna bolt, and tighten both bolts to 54.4 Nm, ± 2.7 Nm (40 ft-lb, ± 2 ft-lb) of torque.
To ground the X-Pol RBS Tx or X-Pol RBS Rx
The following parts and supplies are required:
– an adequate length of ground conductor,
– an M8 ring lug,
– dielectric paste.
1. Measure a length of ground conductor sufficient to run from the X-Pol RBS Tx or X-Pol RBS Rx to
the nearest suitable ground point. The required diameter, metal type and physical type of the ground
conductor may vary according to local regulations. Consult local electrical authorities for information.
2. Connect an uninsulated M8 ring lug connector securely to one end of the ground conductor using a
suitable mechanical connection method.
3. Apply an appropriately rated dielectric paste liberally to both sides of the ring lug.
4. Connect the ring lug to the X-Pol RBS Tx or X-Pol RBS Rx case ground connection point using the
ground bolt, as shown in Figure 15. Tighten the bolt to 13.5 Nm (10 ft-lb) of torque.
Antenna bolt
and nut
Lock washer
Flat washer
Spacer
Antenna 2
Antenna 1

46/346 Issue 01 - April 2001 - Draft 04 3CC12426AAAA TQ BJA 01
104
5. Connect the remaining end of the ground conductor to a suitable lightning discharge ground, using
a mechanical connection method that is approved by local electrical authorities.
Figure 15 – X-Pol RBS Tx/X-Pol RBS Rx ground connection location
To adjust the antenna downtilt
The antenna downtilt is adjusted to optimize cell performance. By increasing the downward angle of the
X-Pol RBS Tx and X-Pol RBS Rx antenna (see Figure 17), the area of sector coverage decreases. By
decreasing the downward angle of the X-Pol RBS Tx and X-Pol RBS Rx antenna, the area of sector
coverage is increased. The specific downtilt required for each X-Pol RBS Tx and X-Pol RBS Rx is
calculated through detailed cell planning.
Figures 16 and 17 show the results of downtilt adjustment.
Antenna
To ground
Bolt
Washer
Circular
lug
Ground
wire
X-Pol
X-Pol
RBS Tx
RBS Rx
X-Pol RBS Tx
X-Pol RBS Rx

3CC12426AAAA TQ BJA 01 Issue 01 - April 2001 - Draft 04 47/346
104
Figure 16 – Minimal downtilt
Figure 17 – Increased downtilt
X-Pol RBS Tx
BTS Area of
service coverage
Downtilt
adjustment
screw
Area of
service coverage

48/346 Issue 01 - April 2001 - Draft 04 3CC12426AAAA TQ BJA 01
104
1. Place a digital level on the top of the X-Pol RBS Tx or X-Pol RBS Rx antenna (see Figure 18).
2. Loosen the two antenna bolts to allow free movement of the antenna.
3. While observing the digital level, adjust the downtilt adjustment screw (see Figure 18) until the
downtilt meets the angle required by cell planning analysis.
Figure 18 – Antenna downtilt adjustment screw
4. Tighten the two antenna bolts to 54.4 Nm, ± 2.7 Nm (40 ft-lb, ± 2 ft-lb) of torque.
5. Check the digital level to ensure that the antenna is adjusted to the correct downtilt angle. If the digital
level indicates an incorrect downtilt angle, repeat the procedure.
2.5.4 – Replacing an X-Pol RBS Tx, X-Pol RBS Rx or antenna
When X-Pol RBS Txs, X-Pol RBS Rxs or antennas malfunction, they must be serviced by removing the
malfunctioning unit (X-Pol RBS Tx/X-Pol RBS Rx or antenna), and then replacing it with a new unit. The
malfunctioning unit should be packaged and sent to Alcatel for repair.
X-Pol RBS Txs and X-Pol RBS Rxs must not be replaced or serviced while still connected to antennas
that are mounted on a pole. Disconnect power from the IF cables by switching off the appropriate
breaker, and disconnect the IF and RS-422 cables from the X-Pol RBS Tx or X-Pol RBS Rx. Remove
the antenna from the mounting plate before any replacement or servicing.
To replace an X-Pol RBS Tx, X-Pol RBS Rx or antenna
1. To remove –48 V dc power from the X-Pol RBS Tx or X-Pol RBS Rx IF cable, switch off the
appropriate circuit breaker on the power distribution system.
Digital level
Antenna bolt
Antenna downtilt
adjustment screw
Pole
Antenna
bolt

3CC12426AAAA TQ BJA 01 Issue 01 - April 2001 - Draft 04 49/346
104
2. Remove the antenna from the pole:
1. If an X-Pol RBS Tx or X-Pol RBS Rx is attached to the antenna, disconnect all IF and RS-422
cable connectors from the X-Pol RBS Tx or X-Pol RBS Rx, and seal the cable connector ends
using butyl tape.
Label the IF and RS-422 cables so that they are easily identified when the X-Pol RBS Tx or X-
Pol RBS Rx is reattached, and secure them to the mounting pole.
Remove the ground bolt from the X-Pol RBS Tx or X-Pol RBS Rx, remove the ground strap, and
replace the ground bolt to ensure that it is not lost during the procedure.
2. Support the antenna and remove the upper and lower nuts and washers that secure the antenna
to the mounting plate. Do not loosen or remove the other upper and lower nuts and washers that
secure the antenna mounting bolts to the mounting plate.
3. Remove the antenna from the mounting plate.
3. Disconnect the X-Pol RBS Tx or X-Pol RBS Rx from the antenna:
1. Remove the RF wave guide screws and store them where they can be re-used when an X-Pol
RBS Tx or X-Pol RBS Rx is reattached to the antenna.
2. Unbolt the captive bolts that fasten the X-Pol RBS Tx/X-Pol RBS Rx to the antenna, and remove
the X-Pol RBS Tx or X-Pol RBS Rx from the antenna.
3. Remove the O-ring, and store it where it can be re-installed when the X-Pol RBS Tx or X-Pol
RBS Rx is reattached to the antenna.
4. Replace the malfunctioning X-Pol RBS Tx, X-Pol RBS Rx or antenna with a new unit, and connect
the X-Pol RBS Tx or X-Pol RBS Rx to the antenna again. See section 6.2 for information and
procedures.
5. Attach the antenna to the mounting plate. See section 6.3 for information and procedures.
6. Reconnect the IF cables, RS-422 cables and ground connection.
7. Use a digital level to verify that the appropriate antenna downtilt is still set. See procedure 6-5.
8. Reconnect the –48 V dc power to the IF cable at the power distribution system.
2.6 – Installing Bias-Ts and surge protectors
Bias-Ts are installed on 12:2 Combiner/Splitters, and require that a surge arrester is installed on each
Bias-T DC IN connector. Each surge protector must be grounded to the system chassis ground.
To install Bias-Ts and surge protectors
1. To correctly connect a surge protector to a Bias-T, connect the male BNC connector on the surge
protector to the DC IN connector on the Bias-T, as shown in Figure 19.
Warning - Do not disturb the antenna downtilt hardware during this procedure.
Note 1 - BS components and cables must be installed and serviced by trained personnel who
are experienced in the local, national and civil electrical and safety regulations of the area
where the equipment is being installed.
Some areas require that only licensed individuals may install and service equipment. Consult
appropriate local authorities prior to installation.
Note 2 - All IF cabling must meet local safety and building code requirements.

50/346 Issue 01 - April 2001 - Draft 04 3CC12426AAAA TQ BJA 01
104
Figure 19 – Connecting the surge protector
2. Place the 12:2 Combiner/Splitter assembly in a permanent location near the MainStreetXpress
36170 shelf, within reach of the SMA cables that connect between the IBS card and the 12:2
Combiner/Splitter.
3. Position the Bias-T RF IN connector on one of the two Combiner/Splitter Primary/Redundant radio
connectors, as shown in Figure 20.
4. Tighten the coupling on the RF IN connector until the Bias-T is firmly connected and does not rotate.
5. Install 50 W terminators on all unconnected 12:2 Combiner/Splitter connectors.
Figure 20 – Connecting the Bias-T to the Combiner/Splitter
DC OUT
DC IN Surge protector
RF IN
Bias-T
Side view
Front view
12:2
Combiner/
Splitter
Surge protector Bias-T Bias-T
Used for redundant
X-Pol RBS Tx
X-Pol RBS Rx
Surge protector

3CC12426AAAA TQ BJA 01 Issue 01 - April 2001 - Draft 04 51/346
104
To connect the surge protector ground wire
1. Measure a length of insulated copper wire that is long enough to run from the closest safety ground
point to the surge protector.
2. Add a ring lug to one end of the ground wire, and connect it to the surge protector, as shown in Figure
21.
Figure 21 – Surge protector ground connection
3. Connect the unconnected end of the ground wire to the building ground.
2.6.1 – Replacing the gas discharge tube in a surge protector
The gas discharge tube should be replaced by qualified service personnel on a regular basis as
recommended by the manufacturer, using an exact replacement from the original manufacturer. The
surge protector carries –48 V dc that must be turned off before replacement.
To replace the gas discharge tube
1. Remove the dc power to the surge protector at the power source. Do not remove power by
disconnecting the BNC connector on the Bias-T power cable because reconnecting live dc voltage
can cause sparking and damage the connector.
2. Disconnect the Bias-T power cable and remove the surge protector from the Bias-T.
3. Remove the screw cap (see Figure 22) and the gas discharge tube. Inspect the surge protector for
damage. If there is damage, replace the surge protector and proceed to step 5; if not, proceed to
Danger - Do not replace the gas discharge tube during storm activity.
Warning - If dc power is not disconnected at the dc power supply, sparking may occur when
connecting any connector in the dc voltage path (surge protector, Bias-T, IF cable, X-Pol
RBS Tx/X-Pol RBS Rx) when the connector has dc voltage on it. Sparking may damage the
connector and affect service quality.
Ring lug Surge protector
Washer
Ground screw
Ground wire

52/346 Issue 01 - April 2001 - Draft 04 3CC12426AAAA TQ BJA 01
104
step 4.
Figure 22 – Screw cap
4. Replace the gas discharge tube; see Figure 23.
1. Hold the screw cap upside down.
2. Place the discharge tube in the cap.
3. Position the surge protector over the screw cap.
4. Screw the cap into the surge protector as far as possible by hand, then tighten the cap with the
screwdriver.
Figure 23 – Replacing a gas discharge tube in a surge protector
5. Connect the surge protector to the Bias-T.
6. Connect the Bias-T power cable to the surge protector.
7. Apply the dc power.
2.7 – Installing Type N lightning arresters
Type N lightning arresters must be secured to a copper grounding plate using mounting brackets, then
connected to IF cables.
To install a lightning arrester
1. Attach a mounting bracket to the copper grounding plate for each lightning arrester used in the
system, as shown in Figure 24.
Note 1 - BS components and cables must be installed and serviced by trained personnel who
are experienced in the local, national and civil electrical and safety regulations of the area
where the equipment is being installed.
Some areas require that only licensed individuals may install and service equipment. Consult
appropriate local authorities prior to installation.
Note 2 - All IF cabling must meet local safety and building code requirements.
Screw cap
Gas discharge tube
Screw cap

3CC12426AAAA TQ BJA 01 Issue 01 - April 2001 - Draft 04 53/346
104
Figure 24 – Attach the mounting brackets to the copper grounding plate
2. Install each lightning arrester in a mounting bracket, as shown in Figure 25.
Figure 25 – Connecting the lightning arrester to the adapter bracket
3. Connect the IF cables to the lightning arrester, as shown in Figure 26.
3/8 in.
bronze bolt
Type N
mounting bracket
Copper
grounding plate
Copper washerBronze lock
washer
3/8 in.
bronze nut
Mounting bracket
Type N
lightning arrester
Copper
grounding plate
Washer
Nut

54/346 Issue 01 - April 2001 - Draft 04 3CC12426AAAA TQ BJA 01
104
Figure 26 – Installed and connected lightning arrester
Replacing the gas discharge tube in a Type N lightning arrester
The gas discharge tube should be replaced by qualified service personnel on a regular basis as
recommended by the manufacturer, using an exact replacement from the original manufacturer. The
lightning arrester carries –48 V dc that must be turned off before replacement.
To replace the gas discharge tube
1. Remove the dc power to the lightning arrester at the power source. Do not remove power by
disconnecting one of the connectors in the dc voltage path, because reconnecting live dc voltage
can cause sparking and damage the connector.
2. Remove the bolt cap from the lightning arrester; see Figure 27.
Figure 27 – Bolt cap
Danger - Do not replace the lightning arrester during storm activity.
Warning - If dc power is not disconnected at the dc power supply, sparking may occur when
connecting any connector in the dc voltage path (surge protector, Bias-T, IF cable, X-Pol
RBS Tx/X-Pol RBS Rx) when the connector has dc voltage on it. Sparking may damage the
connector and affect service quality.
Copper grounding plate
Mounting bracket
Type N lightning arrester
Broadband cable
Bolt cap

3CC12426AAAA TQ BJA 01 Issue 01 - April 2001 - Draft 04 55/346
104
3. Inspect the lightning arrester for damage. If there is damage, replace the lightning arrester (see
section 8.1); if not, proceed to step 4.
4. Replace the gas discharge tube; see Figure 28.
1. Use the pliers to pull the discharge tube out of the cap.
2. Push the replacement discharge tube into the cap.
3. Screw the cap into the lightning arrester by hand, then tighten the cap with the wrench.
5. Apply the dc power.
Figure 28 – Replacing a gas discharge tube in a Type N lightning arrester
2.8 – BS cables connections
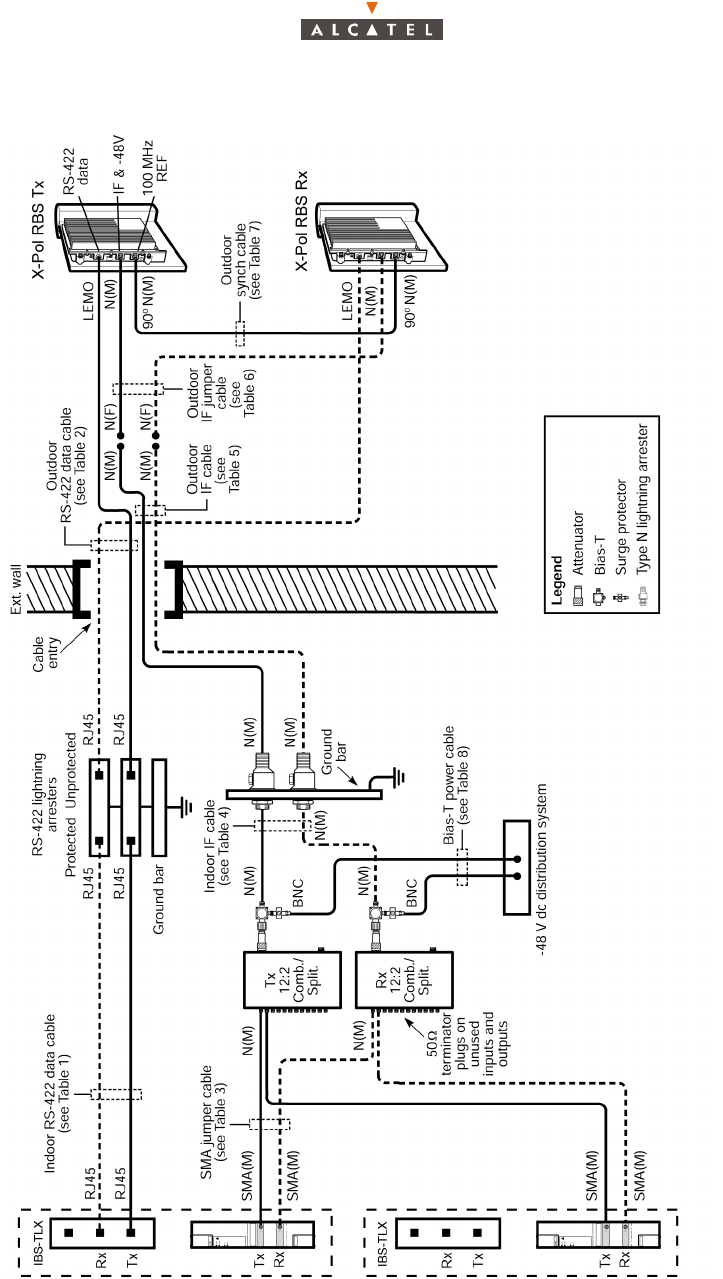
Figure 29 shows a non-redundant X-Pol RBS Tx/X-Pol RBS Rx BS configuration (one X-Pol RBS Tx and
one X-Pol RBS Rx). A fully installed BS uses the following five cable types:
– RS-422 data cables (indoor and outdoor runs),
– SMA jumper cables (indoor),
– IF cables (indoor, outdoor and outdoor jumper),
– synchronization cables (outdoor),
– Bias-T (–48 V dc) power supply cable.
Tables 14 through 9-5 list the cables and connectors identified in Figure 29.
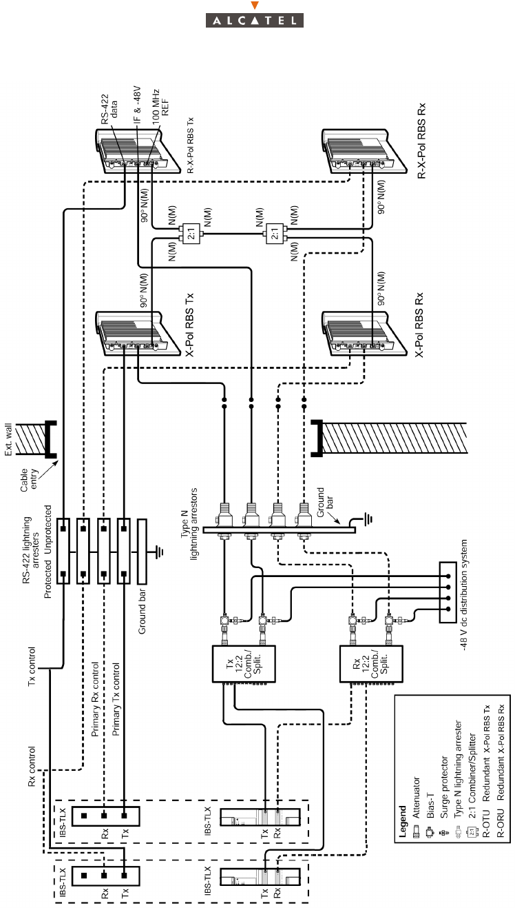
Figure 30 shows a redundant X-Pol RBS Tx/X-Pol RBS Rx BS configuration. A redundant BS
configuration has two X-Pol RBS Txs and one or two X-Pol RBS Rxs, with additional passive devices
and cables. The redundant Tx (or Rx) RS-422 data cable attaches to the IBS. The redundant
synchronization cables are connected by a 2:1 Combiner/Splitter.
Caution - Outdoor BS IF cables must be grounded via the outer conductor every 50 m
(164 ft). Additionally, the section of cable that runs up the tower or pole must be grounded
at the top and bottom of the tower or pole cable run. Use the cable grounding kits
recommended by the cable manufacturer.
Note - All outdoor cable connections should be covered with cold shrink tubing or be
wrapped in butyl electrical tape to protect against moisture.
Bolt cap
Gas discharge tube

56/346 Issue 01 - April 2001 - Draft 04 3CC12426AAAA TQ BJA 01
104
Figure 29 – Non-redundant X-Pol RBS Tx/X-Pol RBS Rx BS components and cables

3CC12426AAAA TQ BJA 01 Issue 01 - April 2001 - Draft 04 57/346
104
Figure 30 – Redundant X-Pol RBS Tx/X-Pol RBS Rx BS synchronization cables

58/346 Issue 01 - April 2001 - Draft 04 3CC12426AAAA TQ BJA 01
104
Table 14: RS-422 data cables and connectors
Note: Alcatel part number 90-6815-01 (Stewart RJ45 connector)
LEMO USA part number FGG.1K.304.CLCC.60Z (connector strain relief part number
GMA.1B.065.DN)
Table 15: SMA jumper cable and connectors
Table 16: IF cables and connectors
Table 17: Synchronization cable and connectors
Table 18: Bias-T power supply cable and connectors
Cable rating Description Connectors Recommended cables
Indoor IBS-TLX connector to RS-422
lightning arrester RJ45(1) - RJ45(1) Delco 398087P
Outdoor RS-422 lightning arrester to X-
Pol RBS Tx/X-Pol RBS Rx RJ45(1) - LEMO(2) Delco 398087
Cable rating Description Connectors Recommended cables
Indoor IBS-TLX card to
Tx 12:2 Combiner/Splitter
IBS-TLX card to
Rx 12:2 Combiner/Splitter
SMA(M) - SMA(M) 90-6656-01 (3 m [10 ft])
90-6656-02 (6 m [20 ft])
Cable rating Description Connectors Recommended cables
Indoor Bias-T to Type N lightning arres-
ter N(M) - N(M) See Table 20
Outdoor
(main)
Type N lightning arrester to IF
jumper cable N(M) - N(M) See Table 20
Outdoor
(jumper)
IF jumper cable (1 m [3 ft]) to X-
Pol RBS Tx/X-Pol RBS Rx N(F) - N(M)
Times Microwave LMR-
400 (part number FT-
400DB/3/NM/NF)
Cable rating Description Connectors Recommended cables
Outdoor X-Pol RBS Tx to X-Pol RBS Rx
100 MHz REF connector See Table 23 LDF2-50
Cable rating Description Connectors Recommended cables
Indoor Surge protector to –48 V dc dis-
tribution system BNC(F) - ring lugs 90-6518-01

3CC12426AAAA TQ BJA 01 Issue 01 - April 2001 - Draft 04 59/346
104
2.8.1 – Selecting BS IF cables
When selecting BS IF cables, the main concern is the IF cable signal loss of the indoor and outdoor cable
runs.
The system requires that all the components in the IF signal path between the IBS card and the X-Pol
RBS Tx/X-Pol RBS Rx (cables, connectors and equipment) provide a fixed decibel loss in each of the
downstream and upstream directions. System performance may be affected if the fixed loss is not met.
The downstream losses must total 27 dB ±1 dB at the upper frequency of the IF band used for the
downstream signal. The upstream losses must total 24 dB ±1 dB at the upper frequency of the IF band
used for the upstream signal.
Table 19 can be used to determine how much loss the IF cables must contribute in order to achieve the
fixed loss requirement. The table lists each component and gives its loss value at 2050 MHz downstream
and 900 MHz upstream. It is assumed that the installation uses a 3 m (10 ft) long SMA cable. The last
row in the table shows that the IF cables, including connectors, must contribute the following losses to
the system at the frequencies used in this example:
– 7.37 dB in the downstream path at 2050 MHz,
– 4.37 dB in the upstream path at 900 MHz.
Use the following formulas along with the cable and connector loss values given in Table 20 to determine
the types and lengths of cable that meet the fixed loss requirements and that are suitable for the
installation. Formula 2 accounts for four connectors (two connectors for each of the indoor- and outdoor-
rated cables).
Formula 1: Calculation of dB loss for a cable segment
Losssegment = Lengthsegment X (dB loss/distancesegment ¸ 100)
where
Losssegment is the loss of the indoor or outdoor segment (in dB)
Lengthsegment is the length of the segment (in m [ft])
dB loss/distance is the loss characteristic of the segment (dB/100 m [dB/100 ft])
Formula 2: Calculation of total dB loss for the cable run
Losstotal = Lossi + Losso + (2 X Lossi connector) + (2 x Losso connector)
= 7.37 dB (at 2050 MHz downstream)
= 4.37 dB (at 900 MHz upstream)
Note - The loss characteristics of all components used in the examples in this section are
based on the worst-case frequencies of 2050 MHz downstream and 900 MHz upstream.
Refer to the manufacturers’ specifications when designing systems that use other
frequencies.
Note 1 - Before the cable is installed, ensure that the correct cable types have been chosen
for the required lengths and losses. Otherwise, new cables may need to be installed.
Note 2 - Non-plenum rated cables can be run through plenum space, if a suitable fireproof
plenum conduit is used.

60/346 Issue 01 - April 2001 - Draft 04 3CC12426AAAA TQ BJA 01
104
where
Losstotal is the loss of the IF cable run in dB/100 m (dB/100 ft)
Lossi is the loss of the indoor-rated cable (in dB)
Losso is the loss of the outdoor-rated cable (in dB)
Lossi connector is the loss of the indoor cable connector (in dB)
Losso connector is the loss of the outdoor cable connector (in dB)
After all components have been installed and connected, system loss measurements and calibration
must be made to determine the actual losses. If the measured loss is greater than the required loss,
different cable types may be necessary. If the measured loss is less than the required value, attenuators
should be added between the 12:2 Combiner/Splitter and the Bias-T. See chapter 11 for measurement
and calibration procedures.
Table 19: BS passive device and IF cable losses
Note: (1) Measured at 2050 MHz.
(2) Measured at 900 MHz.
(3) The values given are for the sum of the indoor and outdoor cable runs, excluding the outdoor
IF jumper cable. The values include four connectors, two for the indoor cable and two for the
outdoor cable.
BS component
Total
downstream
loss (1) (dB)
Total
upstream
loss (2) (dB)
Fixed loss requirement 27 24
Component SMA jumper cable (3 m [10 ft]) 1.0 1.0
Tx 12:2 Combiner/Splitter 17.10 N/A
Rx 12:2 Combiner/Splitter N/A 17.10
Bias-T 1.03 1.03
Lightning arrester 0.20 0.20
Outdoor IF jumper cable (including con-
nectors)
0.3 0.3
Total loss due to all components except IF cables 19.63 19.63
Loss available for IF cable(3) (fixed loss requirement minus total
component loss) 7.37 4.37

3CC12426AAAA TQ BJA 01 Issue 01 - April 2001 - Draft 04 61/346
104
Table 20: IF cable loss characteristics, types and connectors
Note: Measured at 2050 MHz.
Measured at 900 MHz.
2.8.2 – Marking IF cables for identification
IF cables must be marked to indicate which X-Pol RBS Tx or X-Pol RBS Rx each cable connects to. It
is recommended that you use bands of electrical tape to identify each cable:
– the tape color (blue, red, green or yellow) indicates the sector,
– the number of colored bands of tape indicates the X-Pol RBS Tx or X-Pol RBS Rx number in the
sector,
– a white band on either side of the colored bands indicates that the IF cable connects to a redun-
dant X-Pol RBS Tx or X-Pol RBS Rx.
Table 21 describes the electrical tape recommended for marking IF cables.
Cable type
Connector Loss (dB/100 m [dB/100 ft])
Rating
Type Loss (dB) Downstream (1) Upstream (2)
Indoor
Heliax FSJ1-50A F1PNM 0.05 29.03 (8.85) 18.59 (5.66) Indoor
Heliax FSJ2-50 F2PNM 0.05 19.99 (6.09) 12.65 (3.86) Indoor
Heliax FSJ4-50 BF4PNM 0.05 17.76 (5.39) 11.07 (3.38) Indoor
Heliax HL4-RP-50 H4PNM 0.08 12.22 (3.91) 8.24 (2.51) Indoor/plenum
Heliax HJ5-50 H5PNM 0.08 6.07 (1.88) 3.92 (1.19) Indoor/plenum
Times Microwave LMR-400 Ultra Flex TC-400-NMH 0.10 23.82 (7.26) 15.39 (4.69) Indoor
Times Microwave LMR-600-LLPL TC-600-NMH 0.10 13.09 (3.99) 8.45 (2.57) Plenum/outdoor
Times Microwave LMR-900-FR EZ-900-NMH 0.10 8.76 (2.67) 5.56 (1.69) Indoor
Outdoor
Heliax LDF2-50 L2PNM 0.05 16.98 (5.18) 10.88 (3.32) Outdoor
Heliax LDF4-50A L4PNM 0.05 11.48 (3.50) 7.23 (2.20) Outdoor
Heliax LDF5-50A L5PNM 0.05 6.56 (2.00) 4.04 (1.23) Outdoor
Heliax LDF6-50 L6PNM 0.05 4.83 (1.47) 2.98 (0.91) Outdoor
CommScope CR50-540-PE CR540NM 0.10 10.4 (4.16) 6.59 (2.01) Outdoor
CommScope CR50-1070-PE CR1070NM 0.10 5.90 (1.80) 3.61 (1.10) Outdoor
Times Microwave LMR-600-LLPL TC-600-NMH 0.10 13.09 (3.99) 8.45 (2.57) Plenum/outdoor

62/346 Issue 01 - April 2001 - Draft 04 3CC12426AAAA TQ BJA 01
104
Table 21: Electrical tape product information
Table 22 describes how colored bands are used to identify an IF cable.
Electrical tape attribute Description
Name 35 Scotch Brand vinyl electrical tape for color coding
Thickness 0.18 mm (7 mil)
Width 19 mm (31/44 in.)
Colors Blue, green, red, white, yellow
Manufacturer 3M Electrical Products Division
Telephone: 1-800-245-3573
http://www.3m.com/elpd/
Ordering code 35 Blue (UPC# 10836)
35 Red (UPC# 10810)
35 Green (UPC# 10851)
35 Yellow (UPC# 10844)
35 White (UPC# 10828)
Standards requirements UL 510, CSA standard C22.2
Sector
X-Pol RBS Tx or
X-Pol RBS Rx
number
Number and color of bands
(primary X-Pol RBS Tx
or X-Pol RBS Rx)
Number and color of bands
(Redundant X-Pol RBS Tx
or X-Pol RBS Rx)
Sector A X-Pol RBS Tx #1 1 blue band 1 blue band, 1 white band
X-Pol RBS Rx #1 2 blue bands 2 blue bands, 1 white band
X-Pol RBS Tx #2 3 blue bands 3 blue bands, 1 white band
X-Pol RBS Rx #2 4 blue bands 4 blue bands, 1 white band
X-Pol RBS Tx #n 2n-1 (1) blue bands 2n-1 (1) blue bands, 1 white band
X-Pol RBS Rx #n 2n (2) blue bands 2n (2) blue bands, 1 white band
Sector B X-Pol RBS Tx #1 1 red band 1 red band, 1 white band
X-Pol RBS Rx #1 2 red bands 2 red bands, 1 white band
X-Pol RBS Tx #2 3 red bands 3 red bands, 1 white band
X-Pol RBS Rx #2 4 red bands 4 red bands, 1 white band
X-Pol RBS Tx #n 2n-1 (1) red bands 2n-1 (1) red bands, 1 white band
X-Pol RBS Rx #n 2n (2) red bands 2n (2) red bands, 1 white band

3CC12426AAAA TQ BJA 01 Issue 01 - April 2001 - Draft 04 63/346
104
Table 22: Color codes for IF cables
Note: (1)For example, if n (X-Pol RBS Tx #) is 5, the number of bands is (2x5)-1, which equals 9 colo-
red bands. A white band is added if the cable attaches to a redundant X-Pol RBS Tx.
(2) For example, if n (X-Pol RBS Rx #) is 5, the number of bands is (2x5), which equals 10 colo-
red bands. A white band is added if the cable attaches to a redundant X-Pol RBS Rx.
Figure 31 shows an example of a cable marked for identification. According to the bands on the cable
(3 red bands and 1 white band), the cable connects to the second redundant X-Pol RBS Tx in sector B.
Figure 31 – IF cable marked for identification
All IF cables should be marked for identification close to where a cable connector is installed. To simplify
the installation of IF cables, mark the cables as they are being installed at the following points:
– where a cable attaches to the 12:2 Combiner/Splitter,
Sector C X-Pol RBS Tx #1 1 green band 1 green band, 1 white band
X-Pol RBS Rx #1 2 green bands 2 green bands, 1 white band
X-Pol RBS Tx #2 3 green bands 3 green bands, 1 white band
X-Pol RBS Rx #2 4 green bands 4 green bands, 1 white band
X-Pol RBS Tx #n 2n-1 (1) green bands 2n-1 (1) green bands, 1 white band
X-Pol RBS Rx #n 2n (2) green bands 2n (2) green bands, 1 white band
Sector D X-Pol RBS Tx #1 1 yellow band 1 yellow band, 1 white band
X-Pol RBS Rx #1 2 yellow bands 2 yellow bands, 1 white band
X-Pol RBS Tx #2 3 yellow bands 3 yellow bands, 1 white band
X-Pol RBS Rx #2 4 yellow bands 4 yellow bands, 1 white band
X-Pol RBS Tx #n 2n-1 (1) yellow bands 2n-1 (1) yellow bands, 1 white band
X-Pol RBS Rx #n 2n (2) yellow bands 2n (2) yellow bands, 1 white band
Sector
X-Pol RBS Tx or
X-Pol RBS Rx
number
Number and color of bands
(primary X-Pol RBS Tx
or X-Pol RBS Rx)
Number and color of bands
(Redundant X-Pol RBS Tx
or X-Pol RBS Rx)
Red Red Red White
Redundant
unit
Sector B, X-Pol RBS Tx # 2

64/346 Issue 01 - April 2001 - Draft 04 3CC12426AAAA TQ BJA 01
104
– where a cable connects to the lightning arrester,
– where a cable connects to the X-Pol RBS Tx or X-Pol RBS Rx jumper cable.
Cables may be marked for identification at additional points along their lengths, however, always leave
a space of at least 1 meter (3.28 ft) between groups of identification bands on the same cable.
To mark an IF cable for identification
1. Use Table 22 to calculate the correct number and color of bands to be applied to the IF cable.
2. Apply the bands of electrical tape to the cable as follows:
1. Cut the tape used for each band to a length that is sufficient to wrap around the cable at least
three times.
2. Create bands by wrapping strips of tape around the cable, leaving a space equal to the width of
the tape between bands. See Figure 32.
3. Apply a cable tie securely around the center of each band to prevent the band from falling off the
cable. See Figure 32.
4. If a white band (indicating redundancy) is required, add it on either side of the colored bands.
The white band must be spaced and secured in the same way as the colored bands.
Figure 32 – Applying bands of tape
2.8.3 – Cable strain relief
Strain relief is required for every cable connected to an X-Pol RBS Tx, X-Pol RBS Rx or 2:1 Combiner/
Splitter. Strain relief protects the connectors on these devices from the potentially damaging stresses
that occur when connected cables are subject to the forces of wind or accidental tugging. Strain relief
can be provided by fastening the IF or RS-422 cables firmly to the mounting pole with plastic ties or cable
hangers.
Caution - Plastic ties that are used as strain relief must be suitable for outdoor use in the
year-round climate experienced at the installation site (UV exposure and temperature
extremes). Select a plastic tie that is rated to survive until a scheduled maintenance time, and
ensure that cable ties are replaced according to that schedule.
Alternately, strain relief can be provided by cable hangers available from the manufacturer
of the IF cable used at the installation.
Cable ties Strips of electrical tape
IF cable Spaces between each strip of tape
(width of one strip of tape)

3CC12426AAAA TQ BJA 01 Issue 01 - April 2001 - Draft 04 65/346
104
To provide cable strain relief
For each RS-422 or IF cable that connects to an X-Pol RBS Tx, X-Pol RBS Rx or 2:1 Combiner/Splitter:
1. Position the cable against the pole as close as possible to the X-Pol RBS Tx, X-Pol RBS Rx or 2:1
Combiner/Splitter connector. While positioning the cable:
• ensure that the minimum possible stress is put on the connection at the X-Pol RBS Tx, X-Pol
RBS Rx or 2:1 Combiner/Splitter by carefully bending the cable as required,
• ensure that the minimum cable bend radius for the cable is not exceeded when positioning the
cable.
2. Fasten the cable to the pole using a plastic cable tie or cable hanger.
3. Secure the cable to the pole every 1 m (3.28 ft) with plastic ties or cable hangers.
2.8.4 – Connecting BS IF cables
The BS IF cables run from the Bias-T mounted on the 12:2 Combiner/Splitter, through the Type N
lightning arrester, and to the X-Pol RBS Tx/X-Pol RBS Rx. An outdoor IF jumper cable is used to connect
the main outdoor IF cable to the X-Pol RBS Tx/X-Pol RBS Rx.
To connect the outdoor IF cables
For each X-Pol RBS Tx and X-Pol RBS Rx:
1. At the rooftop, attach an N(M) connector to the end of the outdoor IF cable. See chapter 10 for details
on attaching an N(M) connector.
2. Hoist the cable up the pole or tower and secure it at a point near the X-Pol RBS Tx/X-Pol RBS Rx.
3. At the X-Pol RBS Tx or X-Pol RBS Rx:
1. Connect the outdoor IF jumper cable (N(F) connector) to the outdoor IF cable (N(M) connector).
2. Secure the IF jumper cable.
3. If the IF cable run is not being tested for signal losses immediately, wrap the IF jumper N(F)
connector with butyl tape to protect it.
4. Secure the IF cable to the pole or tower.
4. At the cable entry point:
1. Cut the IF cable to a length sufficient to allow the end of the cable to reach and connect to the
Type N lightning arrester.
2. Feed the cable through the weatherproof access panel to the grounded entry point where the
lightning arresters are installed. Secure the cable to the grounded entry point.
3. Attach an N(M) connector to the end of the cable.
4. Connect the cable to the unprotected side of the lightning arrester.
5. Secure the cable.
Warning - If an IF cable is carrying live dc voltage, do not connect or disconnect the cable.
These actions can damage the connectors, which can affect service. To remove dc power,
switch off the appropriate circuit breaker on the power distribution system to isolate the
individual IF channel.
Note - Every Andrew L4PNM N(M) connector must be tightened to between 2.5 and 2.8 Nm
(22 to 25 in.-lb) of torque, using the torque wrench available from Andrew Corporation
(Andrew part number 244379).

66/346 Issue 01 - April 2001 - Draft 04 3CC12426AAAA TQ BJA 01
104
5. After the cable run has been tested for signal losses, connect the IF jumper cable to the X-Pol RBS
Tx or X-Pol RBS Rx.
To connect the indoor IF cables
For each X-Pol RBS Tx and X-Pol RBS Rx:
1. Cut a length of indoor IF cable long enough to reach and connect the protected side of the RS-422
lightning arrester to the Bias-T.
2. Attach an N(M) connector to each end of the cable.
3. Run the cable between the RS-422 lightning arrester and the Bias-T. Secure the cable.
4. Connect the cable to the protected side of the lightning arrester.
5. Connect the cable to the Bias-T.
Connecting synchronization reference cables
The synchronization reference cable carries the synchronization signal between the X-Pol RBS Tx and
the X-Pol RBS Rx. In a redundant configuration, both X-Pol RBS Txs and both X-Pol RBS Rxs are
connected by 2:1 Combiner/Splitters that connect the signal from the active X-Pol RBS Rx to the active
X-Pol RBS Tx.
Figure 33 shows a redundant X-Pol RBS Tx/X-Pol RBS Rx synchronization reference cable
configuration.
Figure 33 – Reference cables for redundant X-Pol RBS Tx/X-Pol RBS Rx configurations
Note - If redundancy is planned in the future, use the redundant synchronization cable
configuration and install 50 W weatherproof terminators on the unused 2:1 Combiner/Splitter
connectors. This allows for future redundancy without disrupting service in order to
reconfigure the cables for redundancy.
X-Pol RBS Tx
R-X-Pol RBS Tx
X-Pol RBS Rx R-X-Pol RBS Rx
BTS 2:1
Combiner/
Splitters
Synchronization
reference cable

3CC12426AAAA TQ BJA 01 Issue 01 - April 2001 - Draft 04 67/346
104
Table 23 describes the requirements for both non-redundant and redundant X-Pol RBS Tx/X-Pol RBS
Rx synchronization reference cable configurations.
Table 24 lists the cables and connectors recommended for use as synchronization reference cables. If
the listed cable types are unavailable, the same cable type that is used to connect the X-Pol RBS Txs
and X-Pol RBS Rxs to the lightning arresters may be used, with connectors appropriate for that cable
type.
Table 23: Synchronization reference cable configuration requirements
Note: (1) 2:1 Combiner/Splitter 1 is for the X-Pol RBS Tx/R-X-Pol RBS Tx pair. 2:1 Combiner/Splitter 2
is for the X-Pol RBS Rx/R-X-Pol RBS Rx pair.
Table 24: Recommended synchronization reference cables and connectors
To connect synchronization reference cables (non-redundant X-Pol RBS Tx/X-Pol RBS Rx
configuration)
1. Measure and cut a length of cable long enough to run between the X-Pol RBS Tx and X-Pol RBS
Rx, including the distance required to run up each pole to the X-Pol RBS Tx and X-Pol RBS Rx
connectors.
2. Install an N(M) connector on each end of the cable.
3. Run the cable between the X-Pol RBS Tx and X-Pol RBS Rx.
4. Connect the cable to the X-Pol RBS Tx and X-Pol RBS Rx (100 MHz reference connectors).
5. Secure the cable according to the manufacturer’s recommendations.
Configuration Cable requirements Connector
Non-redundant
X-Pol RBS Rx and
X-Pol RBS Tx
X-Pol RBS Rx to X-Pol RBS Tx 90° N(M)-90° N(M)
Redundant
X-Pol RBS Rx and
redundant
X-Pol RBS Tx
X-Pol RBS Tx (primary) to 2:1 Combiner/Splitter 1 (1) 90° N(M)-N(M)
R-X-Pol RBS Tx (redundant) to 2:1 Combiner/Splitter 1 90° N(M)-N(M)
X-Pol RBS Rx (primary) to 2:1 Combiner/Splitter 2 90° N(M)-N(M)
R-X-Pol RBS Rx (redundant) to 2:1 Combiner/Splitter 2 90° N(M)-N(M)
One cable from 2:1 Combiner/Splitter 1 to 2:1 Combiner/Splitter 2 N(M)-N(M)
Redundant
X-Pol RBS Tx,
single
X-Pol RBS Rx
X-Pol RBS Tx (primary) to 2:1 Combiner/Splitter 1 90° N(M)-N(M)
R-X-Pol RBS Tx (redundant) to 2:1 Combiner/Splitter 1 90° N(M)-N(M)
X-Pol RBS Rx (primary) to 2:1 Combiner/Splitter 2 90° N(M)-N(M)
Unconnected 2:1 Combiner/Splitter 2 connector 50 9 terminator,
weatherproof
One cable from 2:1 Combiner/Splitter 1 to 2:1 Combiner/Splitter 2 N(M)-N(M)
Cable type Connectors Connector part number
Heliax LDF2-50 N(M)
90° N(M)
L2PNM
L2PNR-HC

68/346 Issue 01 - April 2001 - Draft 04 3CC12426AAAA TQ BJA 01
104
To connect synchronization reference cables (redundant X-Pol RBS Tx/X-Pol RBS Rx)
Using a metal hose clamp, attach a 2:1 Combiner/Splitter to the X-Pol RBS Tx pole under the X-Pol RBS
Tx/R-X-Pol RBS Tx pair; see Figure 33.
1. Using a metal hose clamp, attach a 2:1 Combiner/Splitter to the X-Pol RBS Rx pole under the X-
Pol RBS Rx/R-X-Pol RBS Rx pair.
2. Measure and cut four lengths of cable such that each length is long enough to run from the 2:1
Combiner/Splitter to the X-Pol RBS Tx or X-Pol RBS Rx mounted above it.
3. Install an N(M) connector on each end of the each cable.
4. Connect the four cables to the X-Pol RBS Txs and X-Pol RBS Rxs, as shown in Figure 33.
5. Measure and cut a length of cable long enough to run between the X-Pol RBS Tx/R-X-Pol RBS Tx
6. 2:1 Combiner/Splitter and the X-Pol RBS Rx/R-X-Pol RBS Rx 2:1 Combiner/Splitter, including the
distance required to run up each pole to the 2:1 Combiner/Splitter connectors.
7. Install an N(M) connector on each end of the cable.
8. Run the cable between the 2:1 Combiner/Splitters.
9. Connect the cable to the 2:1 Combiner/Splitters, as shown in Figure 33.
10. Ensure all connections meet the requirements of outdoor use.
11. Secure the cable according to the manufacturer’s recommendations.
2.8.5 – Connecting the RS-422 data cables
Each RS-422 data cable run is composed of two intermediate cables: one indoor-rated and one outdoor-
rated cable. The cables are connected by an RS-422 lightning arrester. Table 14 lists the cables and the
connectors required.
In a non-redundant X-Pol RBS Tx/X-Pol RBS Rx system, RS-422 data cables connect the IBS
associated with the first IBS-TLX card in a IBS group to the X-Pol RBS Tx and X-Pol RBS Rx. In a
redundant X-Pol RBS Tx/X-Pol RBS Rx system, additional RS-422 data cables connect:
– the IBS card configured for Tx control to the redundant X-Pol RBS Tx,
– the IBS card configured for Rx control to the redundant X-Pol RBS Rx.
To connect outdoor BS RS-422 data cable
For each X-Pol RBS Tx and X-Pol RBS Rx:
1. Cut a length of outdoor-rated cable long enough to connect the X-Pol RBS Tx/X-Pol RBS Rx to the
RS-422 lightning arrester.
2. At an indoor location, attach a LEMO connector to the X-Pol RBS Tx/X-Pol RBS Rx end of the cable.
Figure 34 shows the pin and signal assignment and the wire color coding. See section 9.11 for
instructions on installing a LEMO connector.

3CC12426AAAA TQ BJA 01 Issue 01 - April 2001 - Draft 04 69/346
104
3. At the outside of the weatherproof access panel, feed the end of the cable without the connector
through the access panel, then to the grounded entry point where the RS-422 lightning arrester is
installed.
4. Attach an RJ45 connector to the RJ45 lightning arrester end of the cable. Figure 34 shows the pin
and signal assignment and the wire color coding. See section 9.10 for instructions on installing an
RJ45 connector.
5. Test the cable for pin-to-pin conductivity.
6. Connect the LEMO connector to the RS-422 data connector on the X-Pol RBS Tx/X-Pol RBS Rx,
and connect the RJ45 connector to the unprotected side of the RS-422 lightning arrester.
7. Secure the cable according to the manufacturer’s recommendations.
Figure 34 – LEMO and RJ45 connector pin and signal assignment
To connect indoor BS RS-422 cable
For each X-Pol RBS Tx and X-Pol RBS Rx:
1. Cut a length of indoor-rated cable long enough to connect the IBS-TLX to the RS-422 lightning
arrester.
2. Attach an RJ45 connector to each end of the cable. Figure 35 shows the pin and signal assignments
and the wire color coding. See section 9.10 for instructions on installing an RJ45 connector.
Note 1 - Attaching a LEMO connector to the outdoor IF cable is an intricate procedure that
should not be done outdoors.
Note 2 - There are two pairs of conductors in the RS-422 data cable: one pair has a blue wire
and a white wire; the other pair has an orange wire and a white wire. To distinguish the white
wires from each other, use a permanent marker to mark the white wire of the blue-white pair.
1
48
2345678
27
12
31
41
32
Red dot
LEMO
PIN
RJ45
PIN
Tx+
W (Blu)
Rx+
O
Rx-
W (O)
Tx-
Blu
Release
clip
Tx-
Blu
Tx+
W (Blu)
Rx-
W (O)
Rx+
O
Legend
Blu = Blue W (Blu) = White (Blue)
O = Orange W (O) = White (Orange)

70/346 Issue 01 - April 2001 - Draft 04 3CC12426AAAA TQ BJA 01
104
3. Test the cable for pin-to-pin continuity.
4. Connect one end of the cable to the IBS (X-Pol RBS Tx or X-Pol RBS Rx connector, as appropriate),
and the other end of the cable to the protected side of the RS-422 lightning arrester.
5. Secure the cable according to the manufacturer’s recommendations.
Figure 35 – RJ45 connector pin and signal assignment
2.8.6 – Connecting SMA cables
IBS cards are connected to 12:2 Combiner/Splitters by pairs of SMA cables. If multiple IBS cards are
used, multiple pairs of SMA cables are used.
To connect an SMA cable
Note - There are two pairs of conductors in the RS-422 data cable: one pair has a blue wire
and a white wire; the other pair has an orange wire and a white wire. To distinguish the white
wires from each other, use a permanent marker to mark the white wire of the blue-white pair.
Note - The number of IBS cards connected to the 12:2 Combiner/Splitters may be limited by
the X-Pol RBS Rx/X-Pol RBS Tx hardware. Consult Alcatel for the maximum number of IBS
cards that can be connected to an X-Pol RBS Tx/X-Pol RBS Rx through a 12:2 Combiner/
Splitter.
Note - All SMA cable connectors must be tightened to 1 Nm (9 in.-lb) of torque, using an SMA
cable torque wrench equivalent to the Suhner SMA torque wrench (Suhner part number 74
z-0-0-21), or the Maury Microwave SMA torque wrench (Maury Microwave part number
879981).
123456781
2345678
Tx+
W (Blu)
Release
clip
Tx-
Blu
Tx+
Rx-
W (O)
Rx+
Legend
Blu = Blue W (Blu) = White (Blue)
O = Orange W (O) = White (Orange)
Release
clip
Blu
O
Tx+
W (Blu)
Rx-
W (O)
Rx+
O

3CC12426AAAA TQ BJA 01 Issue 01 - April 2001 - Draft 04 71/346
104
1. Connect one end of an SMA cable to the Tx connector on the IBS card faceplate.
2. Connect the other end of the same SMA cable to connector 1 on the Tx 12:2 Combiner/Splitter.
3. Connect one end of another SMA cable to the Rx connector on the IBS card faceplate.
4. Connect the other end of the same SMA cable to connector 1 on the Rx 12:2 Combiner/Splitter.
5. Connect the Tx and Rx connectors from the other IBS cards (cards 2 through 12) to Tx and Rx 12:2
Combiner/Splitter connectors 2 to 12, as indicated in Figure 36.
6. Install 50 W terminators on all unused 12:2 Combiner/Splitter connectors.
Figure 36 – SMA cable connections
2.8.7 – Connecting the Bias-T power cable
The Bias-T power cable connects between the Bias-T surge protector and the –48 V dc power
distribution system.
To connect the Bias-T power cable
1. Use an ohmmeter to determine which wire on the Bias-T power cable connects to the center pin of
the BNC connector. The center pin carries the –48 V dc voltage. Verify that the other wire connects
to the outer shell of the BNC connector (ground).
2. Connect the wire connected to the BNC center pin to the –48 V dc distribution system.
Warning - Do not connect any connector (BS or Type N) in the IF cable run while the cables
carry dc voltage. This can damage the connector, which can affect service. To remove dc
power, switch off the appropriate circuit breaker on the power distribution system to isolate
the individual IF channel.
IBS-TLX
IBS-TLX
IBS-TLX
1
2
3
4
5
6
7
8
9
10
11
12
1
2
3
4
5
6
7
8
9
10
11
12
Tx 12:2
Combiner/Splitter
Rx
Rx
Rx
Tx
Tx
Tx

72/346 Issue 01 - April 2001 - Draft 04 3CC12426AAAA TQ BJA 01
104
3. Connect the ground wire to the ground terminal of the distribution system.
4. Ensure that the dc power supply is turned off and connect the Bias-T power cable BNC connector to
the surge protector.
2.8.8 – Installing an RJ45 connector on an RS-422 cable
This section describes how to install a Stewart RJ45 connector on a Delco cable, using Stewart tools. It
can also be used as a guideline for installing other manufacturers’ connectors and cables.
Tools and hardware
The following connector tools and hardware are required:
– Stewart RJ45 hand tool (Stewart part number 2940231-01) with Stewart RJ45 die set (Stewart
part number 2906253-01).
– Stewart ferrule crimp tool (Stewart part number 29125212-01).
– Stewart shielded RJ45 connector(s) (Alcatel part number 90-6815-01 or Stewart part number 943-
SP-370808SM2); each connector has:
• RJ45 plug,
• housing,
• ferrule,
• management bar.
– Delco cable.
To install an RJ45 connector
1. Cut one end of the cable with the wire cutters and slide the connector housing onto the cable, with
the housing notch pointing toward the trimmed end of the cable; see Figure 37.
Figure 37 – Placing the connector housing on the cable
2. Strip off enough cable jacket with the wire strippers to expose approximately 25 mm (1 in.) of the
braided shielding, being careful not to nick the braided shield.
3. Roll back the braided shielding and the drain wire over the cable jacket, exposing the aluminum-
mylar shielding that covers the four conductors. Unwrap the mylar shielding and fold it back over the
cable jacket. Ensure that the aluminum (silver) side of the mylar shielding is facing up so that it will
Improper crimping or damaged connectors may result if tools other than the specified
Stewart tools are used.
Housing
Cable
Notch

3CC12426AAAA TQ BJA 01 Issue 01 - April 2001 - Draft 04 73/346
104
make contact with the ferrule when the ferrule is slipped over the cable; see Figure 38.
4. Slip the ferrule over the braided shielding, ensuring that the rounded edge of the ferrule points toward
the trimmed end of the cable; see Figure 38a. Leave 1 mm (1/32 in.) of shielding showing; see Figure
38b. Ensure that there is good contact between the ferrule, the shielding and the drain wire.
Figure 38 – Placing the ferrule on the cable
5. Prepare the ferrule and conductors for crimping.
1. Separate and untwist one of the pairs of conductors. Use a marker to place an identifying mark
on the white conductor. Make a note of which pair has been marked, so that the conductors at
the other end of the cable can be attached to the correct pins.
2. Separate and untwist the other pair of conductors.
3. Arrange the conductors so they are parallel when they come out of the cable jacket; see Figure
39.
Caution - Each pair of conductors has a white conductor. It is possible to get the white
conductors mixed up at either end if they are not properly marked and identified.
To prevent damage to the conductors during crimping, ensure that the conductors do not
overlap.
a.
b.
Braided
shielding
Aluminum
mylar shielding
Ferrule
Rounded
edge
Drain
wire
1 mm
(1/32 in.)

74/346 Issue 01 - April 2001 - Draft 04 3CC12426AAAA TQ BJA 01
104
Figure 39 – Preparing the conductors for crimping
6. Insert the ferrule into the ferrule crimping tool, using the proper crimp insert in the crimping tool.
7. Crimp the ferrule such that the crimp wings are parallel to the row of conductors; see Figure 40.
Figure 40 – Crimping the ferrule
8. Trim the excess shielding and drain wire.
9. Insert the conductors into the management bar, as shown in Figure 41. Table 25 identifies the pin
and signal assignments. The LEMO connector is installed as part of Procedure 9-7.
Caution - Failure to crimp the ferrule prevents the RJ45 connector from assembling
properly. Consequently, the connector may not fit properly into the lightning arrester or IBS.
Excess shield
and drain wire
Conductors
do not overlap
Wings
(parallel to row
of conductors)

3CC12426AAAA TQ BJA 01 Issue 01 - April 2001 - Draft 04 75/346
104
Figure 41 – Inserting the conductors into the management bar
Table 25 RS-422 cable pin and signal assignments
10. Slide the management bar towards the cable jacket until there is no more than 4 mm (0.15 in.)
between the bar and the jacket; see Figure 42.
Pin
Signal
RJ45 connector LEMO connector
13Tx-
21Tx+
72Rx+
84Rx-
Note - The cable may not work properly if the distance between the management bar and
the cable jacket is greater than 4 mm (0.15 in.).
Management
bar
Pin 2
Tx+ (W[Blu])
Pin 1
Tx- Blu
Pin 8
Rx- (W[O]
Pin 7
Rx+ (O)

76/346 Issue 01 - April 2001 - Draft 04 3CC12426AAAA TQ BJA 01
104
Figure 42 – Positioning the management bar
11. Prepare the conductors for insertion into the RJ45 plug.
1. Trim all the conductors so that they extend from the management bar by 6 mm (0.25 in.); see
Figure 42.
2. Pull the management bar to the ends of the conductors, as shown in Figure 43.
Figure 43 – Preparing the conductors for insertion into the RJ45 connector
12. Insert the management bar (with conductors and ferrule) into the RJ45 plug; see Figure 44. When
the management bar stops, continue to push the conductors until they can be seen under the plug
contacts. Inspect the conductors by looking through the transparent plug to ensure that all
conductors are pushed completely under the contacts, and are ready for termination.
Warning - The cable may not function properly if all conductors are not positioned correctly.
4 mm
(0.15 in.)
6 mm
(0.25 in.)

3CC12426AAAA TQ BJA 01 Issue 01 - April 2001 - Draft 04 77/346
104
Figure 44 – Inserting the management bar into the RJ45 connector
13. Insert the RJ45 connector assembly into the RJ45 crimping tool with the appropriate termination die
set. Crimp the connector in order to terminate the conductors; when the conductors are terminated,
they make contact with the appropriate pins.
14. Slide the RJ45 housing over the plug, and snap the housing into position. When positioned correctly,
the notch in the housing clears the RJ45 release clip on the bottom of the plug; see Figure 44.
2.8.9 – Installing a LEMO connector on an RS-422 cable
This section describes how to install a LEMO Series K connector on a Delco cable. It can also be used
as a guideline for installing a LEMO Series K connector on other manufacturers’ cables.
Tools and hardware
The following tools and hardware are required:
– LEMO Series K connector (Alcatel part number 90-6816-01, LEMO USA part number
FGG.1K.304.CLCC.60Z) with extra contact pins,
– DMC crimping tool (LEMO part number MH860) with positioner tool (LEMO part number
DCE.91.091.BVC),
– LEMO contact pin extraction tool (LEMO part number DCC.91.090.5LA),
– Delco cable,
Warning - Improper crimping or damaged connectors may result from using tools other than
the specified Stewart tools. For example, the AMP crimping tool may not allow the Stewart
connector to be completely inserted. The Wearns-Hollingworth crimping tool requires that the
Stewart connector be aligned by hand, because the connector does not have a stop that
prevents the body of the connector from passing completely through the tool.
Note - Attaching a LEMO connector to the outdoor IF cable is an intricate procedure that
should not be done outdoor.
Housing Notch
Pin 1
Pin 8
Pin 8
Pin 1
RJ45
plug
RJ45 plug
contacts
Release
clip

78/346 Issue 01 - April 2001 - Draft 04 3CC12426AAAA TQ BJA 01
104
– wire cutter,
– wire stripper,
– permanent marker,
– ruler (metric and imperial distances).
To install a LEMO connector
1. Identify all parts of the LEMO connector; see Figure 45.
Figure 45 – LEMO Series K connector
2. Remove approximately 50 mm (2 in.) of cable jacket, being careful not to nick the braided shield
underneath the jacket.
3. Slide the bend relief, collet nut, collet, metal washer and sealing gland on to the cable jacket; see
Figure 46. Ensure that:
• the slots in the collet face towards the collet nut,
• the sealing gland fits snugly over the cable jacket,
• the bevel in the metal washer faces towards the collet.
Improper crimping or damaged connectors may result if tools other than the specified tools
are used.
Caution - The Delco cable has two pairs of conductors and each pair has a white conductor.
It is possible to get the white conductors mixed up if one of the conductors is not properly
marked and identified.
Caution - Water may enter the LEMO connector if the sealing gland does not fit snugly over
the cable jacket. If the fit is not snug, do not continue the installation until the correct cable
and connector is confirmed.
1234567 89
1. Connector body
2. Insert
3. Insert carrier
4. Cone washer
5. Sealing gland
6. Metal washer
7. Collet
8. Collet nut
9. Bend relief

3CC12426AAAA TQ BJA 01 Issue 01 - April 2001 - Draft 04 79/346
104
Figure 46 – LEMO connector installation
4. Strip off the braided shielding to expose the aluminum-mylar shielding. Leave 4 mm (0.16 in.) of
braided shielding; see Figure 47.
Figure 47 – Exposing the shielding
5. Fit the cone washer over the braided shielding until it reaches the cable jacket. The bevelled edge
on the cone should face toward the exposed wires; see Figure 48.
1. Fold the shielding back over the cone.
2. Remove the drain wire, aluminum-mylar shielding and fiberglass reinforcing material at the base
of the cone.
3. Identify the white-blue twisted-pair and mark the white wire with the marker to distinguish it from
the white wire of the white-orange pair. Make the mark at the base of the cone so that it does not
get removed when the insulation is stripped from the wire.
Figure 48 – Fitting the cone washer and trimming excess material
6. Trim the braided shielding at the point where the bevel in the cone becomes a cylinder; see Figure
49. Excess braid prevents the insertion of the cone into the connector body
.
50 mm
(2 in.)
Sealing
gland
Metal
washer Collet Collet
nut
Bend
relief
Bevel side
Braid Jacket
4 mm (0.16 in.)
Braid
Cone washer

80/346 Issue 01 - April 2001 - Draft 04 3CC12426AAAA TQ BJA 01
104
Figure 49 – Trimming the braided shielding
7. Cut all the wires to a length of 16 mm (0.64 in.); see Figure 49.
8. Strip 8 mm (0.32 in.) of insulator from each wire (see Figure 50a), being careful not to damage any
strands, and ensuring that the white wire of the white-blue pair will still be marked after stripping it.
Tin each conductor with high-quality solder.
Fold each conductor back on itself to make a 4 mm (0.16 in.) lead that doubles the lead diameter
(approximately 24 AWG); see Figure 50b.
Figure 50 – Stripping and preparing the wires
Note - The shielding provides strain relief when it is pressed between the cone washer and
the insert.
Caution - A proper crimp connection cannot be made unless the lead is folded back.
Trim braid
at bevel
16 mm
(0.64 in.)
(a)
(b)
4 mm
(0.16 in.)
8 mm
(0.32 in.)
8 mm
(0.32 in.)
8 mm
(0.32 in.)
Folded
conductors