Alcatel Canada 39T28A03A22A Alcatel 7390 LMDS Multiservice Broadband Wireless User Manual 3cc12426aaaaTQbja01
Alcatel Canada Inc Alcatel 7390 LMDS Multiservice Broadband Wireless 3cc12426aaaaTQbja01
Contents
- 1. Base Station User Manual 1 of 14
- 2. Base Station User Manual 2 of 14
- 3. Base Station User Manual 3 of 14
- 4. Base Station User Manual 4 of 14
- 5. Base Station User Manual 5 of 14
- 6. Base Station User Manual 6 of 14
- 7. Base Station User Manual 7 of 14
- 8. Base Station User Manual 8 of 14
- 9. Base Station User Manual 9 of 14
- 10. Base Station User Manual 10 of 14
- 11. Base Sation User Manual 11 of 14
- 12. Base Sation User Manual 12 of 14
- 13. Base Sation User Manual 13 of 14
- 14. Base Sation User Manual 14 of 14
Base Station User Manual 1 of 14

3CC12426AAAA TQ BJA Ed. 01
A
AA
Al
lllc
cc
ca
aa
at
tt
te
ee
el
lll
7
77
73
33
39
99
90
00
0
Multiservice broadband wireless
access solution
Base Station - release 2.2b
(
((
(E
EE
Ex
xx
x
9
99
99
99
90
00
00
00
0)
))
)
X - Polarized version
User Manual

2/346 Issue 01 - April 2001 - Draft 04 3CC12426AAAA TQ BJA 01
4
Status Draft
Change Note
Short Title A7390 Base Station – release 2.2b
All rights reserved. Passing on and copying of this
document, use and communication of its contents not
permitted without written authorization from Alcatel.

3CC12426AAAA TQ BJA 01 Issue 01 - April 2001 - Draft 04 3/346
4
Customer Service Support:
a Team tuned to your needs for your entire satisfaction
Congratulations on having bought your equipment from Alcatel.
We hope that it will give you full satisfaction.
For any additional information or if you have any questions concerning this equipment, please contact
the Technical Assistance Center, (TAC) dedicated to your support whose coordinates have been
given to you by the Alcatel Contract Manager or:
http://www.cid.alcatel.com/support .
You must specify the hardware and software configurations of each item concerned when getting in
touch.
This service, available on subscription, is free for the duration of the initial waranty period.

4/346 Issue 01 - April 2001 - Draft 04 3CC12426AAAA TQ BJA 01
4
PAGE INTENTIONALLY LEFT BLANK

3CC12426AAAA TQ BJA 01 Issue 01 - April 2001 - Draft 04 5/346
10
Table of contents
1 – Foreword . . . . . . . . . . . . . . . . . . . . . . . . . . . . . . . . . . . . . . . . . . . . . . . . . . . . . . . . . . . . . . . . . . 11
1.1 – Structure of the manual . . . . . . . . . . . . . . . . . . . . . . . . . . . . . . . . . . . . . . . . . . . . . . . . . . . 11
1.2 – Using the manual. . . . . . . . . . . . . . . . . . . . . . . . . . . . . . . . . . . . . . . . . . . . . . . . . . . . . . . . 11
1.3 – Safety instructions . . . . . . . . . . . . . . . . . . . . . . . . . . . . . . . . . . . . . . . . . . . . . . . . . . . . . . . 12
1.3.1 – General rules . . . . . . . . . . . . . . . . . . . . . . . . . . . . . . . . . . . . . . . . . . . . . . . . . . . . . 12
2 – Equipment overview . . . . . . . . . . . . . . . . . . . . . . . . . . . . . . . . . . . . . . . . . . . . . . . . . . . . . . . . . 19
2.1 – Overview of the A7390 system . . . . . . . . . . . . . . . . . . . . . . . . . . . . . . . . . . . . . . . . . . . . . 19
2.2 – Composition of the A7390 system . . . . . . . . . . . . . . . . . . . . . . . . . . . . . . . . . . . . . . . . . . . 20
2.3 – A7390 system specifications . . . . . . . . . . . . . . . . . . . . . . . . . . . . . . . . . . . . . . . . . . . . . . . 21
2.3.1 – Frequency bands used . . . . . . . . . . . . . . . . . . . . . . . . . . . . . . . . . . . . . . . . . . . . . 21
2.3.2 – Radio transmission specifications (typical values) . . . . . . . . . . . . . . . . . . . . . . . . 21
2.3.3 – Capacity. . . . . . . . . . . . . . . . . . . . . . . . . . . . . . . . . . . . . . . . . . . . . . . . . . . . . . . . .22
2.3.4 – X-Pol RBS Tx and X-Pol RBS Rx . . . . . . . . . . . . . . . . . . . . . . . . . . . . . . . . . . . . . 24
2.3.5 – Bias-T . . . . . . . . . . . . . . . . . . . . . . . . . . . . . . . . . . . . . . . . . . . . . . . . . . . . . . . . . . 25
2.3.6 – Surge protectors . . . . . . . . . . . . . . . . . . . . . . . . . . . . . . . . . . . . . . . . . . . . . . . . . . 26
2.3.7 – Cables . . . . . . . . . . . . . . . . . . . . . . . . . . . . . . . . . . . . . . . . . . . . . . . . . . . . . . . . . .27
2.4 – Installing the base station components . . . . . . . . . . . . . . . . . . . . . . . . . . . . . . . . . . . . . . . 31
2.4.1 – BS site requirements . . . . . . . . . . . . . . . . . . . . . . . . . . . . . . . . . . . . . . . . . . . . . . . 31
2.4.2 – BS installation overview. . . . . . . . . . . . . . . . . . . . . . . . . . . . . . . . . . . . . . . . . . . . . 33
2.4.3 – Equipment and cable connection for non-redundant and redundant
X-Pol RBS Tx/X-Pol RBS Rx configurations . . . . . . . . . . . . . . . . . . . . . . . . . . . . . 36
2.4.4 – BS installation tasks . . . . . . . . . . . . . . . . . . . . . . . . . . . . . . . . . . . . . . . . . . . . . . . 38
2.5 – Installing BS X-Pol RBS Txs, X-Pol RBS Rxs and antennas. . . . . . . . . . . . . . . . . . . . . . . 38
2.5.1 – Overview . . . . . . . . . . . . . . . . . . . . . . . . . . . . . . . . . . . . . . . . . . . . . . . . . . . . . . . .38
2.5.2 – Attaching an X-Pol RBS Tx or X-Pol RBS Rx to an antenna. . . . . . . . . . . . . . . . . 39
2.5.3 – Attaching a mounting plate and antenna to a pole . . . . . . . . . . . . . . . . . . . . . . . . 42
2.5.4 – Replacing an X-Pol RBS Tx, X-Pol RBS Rx or antenna . . . . . . . . . . . . . . . . . . . . 48
2.6 – Installing Bias-Ts and surge protectors . . . . . . . . . . . . . . . . . . . . . . . . . . . . . . . . . . . . . . . 49
2.6.1 – Replacing the gas discharge tube in a surge protector . . . . . . . . . . . . . . . . . . . . . 51
2.7 – Installing Type N lightning arresters . . . . . . . . . . . . . . . . . . . . . . . . . . . . . . . . . . . . . . . . . 52
2.8 – BS cables connections . . . . . . . . . . . . . . . . . . . . . . . . . . . . . . . . . . . . . . . . . . . . . . . . . . .55
2.8.1 – Selecting BS IF cables . . . . . . . . . . . . . . . . . . . . . . . . . . . . . . . . . . . . . . . . . . . . . 59
2.8.2 – Marking IF cables for identification . . . . . . . . . . . . . . . . . . . . . . . . . . . . . . . . . . . . 61
2.8.3 – Cable strain relief. . . . . . . . . . . . . . . . . . . . . . . . . . . . . . . . . . . . . . . . . . . . . . . . . . 64
2.8.4 – Connecting BS IF cables . . . . . . . . . . . . . . . . . . . . . . . . . . . . . . . . . . . . . . . . . . . . 65
2.8.5 – Connecting the RS-422 data cables . . . . . . . . . . . . . . . . . . . . . . . . . . . . . . . . . . . 68
2.8.6 – Connecting SMA cables . . . . . . . . . . . . . . . . . . . . . . . . . . . . . . . . . . . . . . . . . . . . 70
2.8.7 – Connecting the Bias-T power cable. . . . . . . . . . . . . . . . . . . . . . . . . . . . . . . . . . . . 71
2.8.8 – Installing an RJ45 connector on an RS-422 cable . . . . . . . . . . . . . . . . . . . . . . . . 72
2.8.9 – Installing a LEMO connector on an RS-422 cable. . . . . . . . . . . . . . . . . . . . . . . . . 77
2.9 – Installing an L4PNM Heliax connector. . . . . . . . . . . . . . . . . . . . . . . . . . . . . . . . . . . . . . . . 83
2.9.1 – Overview . . . . . . . . . . . . . . . . . . . . . . . . . . . . . . . . . . . . . . . . . . . . . . . . . . . . . . . .83
2.9.2 – To add a solder-connect L4PNM connector . . . . . . . . . . . . . . . . . . . . . . . . . . . . . 83
2.9.3 – To add a ring-flare L4PNM connector . . . . . . . . . . . . . . . . . . . . . . . . . . . . . . . . . . 89
2.10– BT system loss calibration . . . . . . . . . . . . . . . . . . . . . . . . . . . . . . . . . . . . . . . . . . . . . . . .95
2.10.1– Overview. . . . . . . . . . . . . . . . . . . . . . . . . . . . . . . . . . . . . . . . . . . . . . . . . . . . . . . .95
2.10.2– To calibrating the upstream and downstream cable runs . . . . . . . . . . . . . . . . . . . 96
2.11– Simplified description of the Base Station (7390BS) . . . . . . . . . . . . . . . . . . . . . . . . . . . . 98
2.12– Technical specifications of the Base Station (7390BS) . . . . . . . . . . . . . . . . . . . . . . . . . . 99
2.12.1– X-Pol RBS specifications . . . . . . . . . . . . . . . . . . . . . . . . . . . . . . . . . . . . . . . . . . . 99

6/346 Issue 01 - April 2001 - Draft 04 3CC12426AAAA TQ BJA 01
10
2.12.2– DBS specifications . . . . . . . . . . . . . . . . . . . . . . . . . . . . . . . . . . . . . . . . . . . . . . . . 100
2.12.3– Common characteristics of the X-Pol RBS and DBS . . . . . . . . . . . . . . . . . . . . . . 103
2.13– Equipment power consumption . . . . . . . . . . . . . . . . . . . . . . . . . . . . . . . . . . . . . . . . . . . . 104
2.13.1– X-Pol RBS. . . . . . . . . . . . . . . . . . . . . . . . . . . . . . . . . . . . . . . . . . . . . . . . . . . . . . . 104
2.13.2– DBS . . . . . . . . . . . . . . . . . . . . . . . . . . . . . . . . . . . . . . . . . . . . . . . . . . . . . . . . . . . 104
3 – Installation of the Base Station . . . . . . . . . . . . . . . . . . . . . . . . . . . . . . . . . . . . . . . . . . . . . . . . 105
3.1 – Equipment delivery . . . . . . . . . . . . . . . . . . . . . . . . . . . . . . . . . . . . . . . . . . . . . . . . . . . . . . 105
3.1.1 – Labels on the equipment and the packaging. . . . . . . . . . . . . . . . . . . . . . . . . . . . . 105
3.2 – Installing the equipment. . . . . . . . . . . . . . . . . . . . . . . . . . . . . . . . . . . . . . . . . . . . . . . . . . . 108
3.2.1 – Information required for installation . . . . . . . . . . . . . . . . . . . . . . . . . . . . . . . . . . . . 108
3.2.2 – Precautions . . . . . . . . . . . . . . . . . . . . . . . . . . . . . . . . . . . . . . . . . . . . . . . . . . . . . . 108
3.2.3 – Tools required . . . . . . . . . . . . . . . . . . . . . . . . . . . . . . . . . . . . . . . . . . . . . . . . . . . . 109
3.3 – Installation of outdoor equipment. . . . . . . . . . . . . . . . . . . . . . . . . . . . . . . . . . . . . . . . . . . . 109
3.3.1 – Spatial separation for Base Station Antennas. . . . . . . . . . . . . . . . . . . . . . . . . . . . 110
3.4 – Base Station equipment installation. . . . . . . . . . . . . . . . . . . . . . . . . . . . . . . . . . . . . . . . . . 111
3.4.1 – Mechanical installation . . . . . . . . . . . . . . . . . . . . . . . . . . . . . . . . . . . . . . . . . . . . . 112
3.4.2 – Electrical connection . . . . . . . . . . . . . . . . . . . . . . . . . . . . . . . . . . . . . . . . . . . . . . . 113
3.4.3 – Customer access connections (circuits interfaces) . . . . . . . . . . . . . . . . . . . . . . . . 115
3.4.4 – Client access connections (ATM network interface) . . . . . . . . . . . . . . . . . . . . . . . 123
3.4.5 – Place of the board into the rack. . . . . . . . . . . . . . . . . . . . . . . . . . . . . . . . . . . . . . . 126
3.4.6 – End of the installation . . . . . . . . . . . . . . . . . . . . . . . . . . . . . . . . . . . . . . . . . . . . . . 127
4 – 7390LT software overview . . . . . . . . . . . . . . . . . . . . . . . . . . . . . . . . . . . . . . . . . . . . . . . . . . . . 129
4.1 – General information . . . . . . . . . . . . . . . . . . . . . . . . . . . . . . . . . . . . . . . . . . . . . . . . . . . . . . 129
4.1.1 – Functionalities . . . . . . . . . . . . . . . . . . . . . . . . . . . . . . . . . . . . . . . . . . . . . . . . . . . . 129
4.1.2 – Principles of the Man-Machine Interface (MMI) of the 7390LT . . . . . . . . . . . . . . . 129
4.1.3 – Rearrangement of active windows . . . . . . . . . . . . . . . . . . . . . . . . . . . . . . . . . . . . 131
4.1.4 – Printing . . . . . . . . . . . . . . . . . . . . . . . . . . . . . . . . . . . . . . . . . . . . . . . . . . . . . . . . . 132
4.2 – Running and quitting the software . . . . . . . . . . . . . . . . . . . . . . . . . . . . . . . . . . . . . . . . . . . 133
4.2.1 – Installation of the 7390 LT software. . . . . . . . . . . . . . . . . . . . . . . . . . . . . . . . . . . . 133
4.2.2 – Accessing and running 7390 LT . . . . . . . . . . . . . . . . . . . . . . . . . . . . . . . . . . . . . . 133
4.2.3 – Quitting the 7390 LT . . . . . . . . . . . . . . . . . . . . . . . . . . . . . . . . . . . . . . . . . . . . . . . 134
4.3 – Connection and Disconnection . . . . . . . . . . . . . . . . . . . . . . . . . . . . . . . . . . . . . . . . . . . . . 135
4.3.1 – NE Connection . . . . . . . . . . . . . . . . . . . . . . . . . . . . . . . . . . . . . . . . . . . . . . . . . . . 135
4.3.2 – Disconnecting the NE assembly . . . . . . . . . . . . . . . . . . . . . . . . . . . . . . . . . . . . . . 138
4.4 – Supervision Principles . . . . . . . . . . . . . . . . . . . . . . . . . . . . . . . . . . . . . . . . . . . . . . . . . . . . 139
4.4.1 – Data retrieval . . . . . . . . . . . . . . . . . . . . . . . . . . . . . . . . . . . . . . . . . . . . . . . . . . . . . 139
4.4.2 – Local access requests . . . . . . . . . . . . . . . . . . . . . . . . . . . . . . . . . . . . . . . . . . . . . . 139
4.4.3 – Administrative statuses . . . . . . . . . . . . . . . . . . . . . . . . . . . . . . . . . . . . . . . . . . . . . 139
4.5 – Base Station Supervision. . . . . . . . . . . . . . . . . . . . . . . . . . . . . . . . . . . . . . . . . . . . . . . . . .140
4.5.1 – Base Station Supervision . . . . . . . . . . . . . . . . . . . . . . . . . . . . . . . . . . . . . . . . . . . 141
4.5.2 – General parameters. . . . . . . . . . . . . . . . . . . . . . . . . . . . . . . . . . . . . . . . . . . . . . . . 142
4.5.3 – DBS . . . . . . . . . . . . . . . . . . . . . . . . . . . . . . . . . . . . . . . . . . . . . . . . . . . . . . . . . . . . 143
4.5.4 – Clock synchronization parameters . . . . . . . . . . . . . . . . . . . . . . . . . . . . . . . . . . . . 150
4.5.5 – Sending time to the Agent . . . . . . . . . . . . . . . . . . . . . . . . . . . . . . . . . . . . . . . . . . . 151
4.5.6 – Memory initalization. . . . . . . . . . . . . . . . . . . . . . . . . . . . . . . . . . . . . . . . . . . . . . . . 151
4.5.7 – X-Pol RBS . . . . . . . . . . . . . . . . . . . . . . . . . . . . . . . . . . . . . . . . . . . . . . . . . . . . . . . 152
4.5.8 – Redundancy Radio capability . . . . . . . . . . . . . . . . . . . . . . . . . . . . . . . . . . . . . . . . 155
4.6 – NT Supervision . . . . . . . . . . . . . . . . . . . . . . . . . . . . . . . . . . . . . . . . . . . . . . . . . . . . . . . . . 157
4.6.1 – NT Supervision . . . . . . . . . . . . . . . . . . . . . . . . . . . . . . . . . . . . . . . . . . . . . . . . . . . 158
4.6.2 – Declaring a new NT . . . . . . . . . . . . . . . . . . . . . . . . . . . . . . . . . . . . . . . . . . . . . . . . 159
4.6.3 – NT Details . . . . . . . . . . . . . . . . . . . . . . . . . . . . . . . . . . . . . . . . . . . . . . . . . . . . . . .160

3CC12426AAAA TQ BJA 01 Issue 01 - April 2001 - Draft 04 7/346
10
4.6.4 – NT deletion . . . . . . . . . . . . . . . . . . . . . . . . . . . . . . . . . . . . . . . . . . . . . . . . . . . . . . 162
4.6.5 – NT reset. . . . . . . . . . . . . . . . . . . . . . . . . . . . . . . . . . . . . . . . . . . . . . . . . . . . . . . . .162
4.6.6 – NT substitution. . . . . . . . . . . . . . . . . . . . . . . . . . . . . . . . . . . . . . . . . . . . . . . . . . . . 163
4.7 – Radio supervision and parameters . . . . . . . . . . . . . . . . . . . . . . . . . . . . . . . . . . . . . . . . . . 164
4.7.1 – Radio configuration . . . . . . . . . . . . . . . . . . . . . . . . . . . . . . . . . . . . . . . . . . . . . . . . 164
4.7.2 – Dynamic Traffic Configuration . . . . . . . . . . . . . . . . . . . . . . . . . . . . . . . . . . . . . . . . 166
4.7.3 – On-demand Service management. . . . . . . . . . . . . . . . . . . . . . . . . . . . . . . . . . . . . 167
4.7.4 – Bandwidth allocation . . . . . . . . . . . . . . . . . . . . . . . . . . . . . . . . . . . . . . . . . . . . . . . 169
4.8 – NE management . . . . . . . . . . . . . . . . . . . . . . . . . . . . . . . . . . . . . . . . . . . . . . . . . . . . . . . . 173
4.8.1 – NE Supervision . . . . . . . . . . . . . . . . . . . . . . . . . . . . . . . . . . . . . . . . . . . . . . . . . . . 173
4.8.2 – Events log . . . . . . . . . . . . . . . . . . . . . . . . . . . . . . . . . . . . . . . . . . . . . . . . . . . . . . .174
4.8.3 – Historical Event log . . . . . . . . . . . . . . . . . . . . . . . . . . . . . . . . . . . . . . . . . . . . . . . . 175
4.8.4 – Event log legend . . . . . . . . . . . . . . . . . . . . . . . . . . . . . . . . . . . . . . . . . . . . . . . . . . 178
4.9 – Interface parameters . . . . . . . . . . . . . . . . . . . . . . . . . . . . . . . . . . . . . . . . . . . . . . . . . . . . . 179
4.9.1 – ATM . . . . . . . . . . . . . . . . . . . . . . . . . . . . . . . . . . . . . . . . . . . . . . . . . . . . . . . . . . . . 179
4.9.2 – IP addresses . . . . . . . . . . . . . . . . . . . . . . . . . . . . . . . . . . . . . . . . . . . . . . . . . . . . . 180
4.9.3 – Network addresses . . . . . . . . . . . . . . . . . . . . . . . . . . . . . . . . . . . . . . . . . . . . . . . . 181
4.10– Environment and equipment incident management . . . . . . . . . . . . . . . . . . . . . . . . . . . . . 182
4.10.1– Alarms. . . . . . . . . . . . . . . . . . . . . . . . . . . . . . . . . . . . . . . . . . . . . . . . . . . . . . . . . . 182
4.10.2– Alarms correspondence tables (ASAP) . . . . . . . . . . . . . . . . . . . . . . . . . . . . . . . . 184
4.10.3– Alarms and remotes . . . . . . . . . . . . . . . . . . . . . . . . . . . . . . . . . . . . . . . . . . . . . . . 187
4.11– Performance . . . . . . . . . . . . . . . . . . . . . . . . . . . . . . . . . . . . . . . . . . . . . . . . . . . . . . . . . . . 189
4.11.1– Radio Performance. . . . . . . . . . . . . . . . . . . . . . . . . . . . . . . . . . . . . . . . . . . . . . . . 189
4.12– Client services: leased lines . . . . . . . . . . . . . . . . . . . . . . . . . . . . . . . . . . . . . . . . . . . . . . .194
4.12.1– Leased lines E1 . . . . . . . . . . . . . . . . . . . . . . . . . . . . . . . . . . . . . . . . . . . . . . . . . . 194
4.12.2– Leased lines X21 . . . . . . . . . . . . . . . . . . . . . . . . . . . . . . . . . . . . . . . . . . . . . . . . . 199
4.12.3– Leased lines T1 . . . . . . . . . . . . . . . . . . . . . . . . . . . . . . . . . . . . . . . . . . . . . . . . . . 202
4.12.4– Leased lines ISDN . . . . . . . . . . . . . . . . . . . . . . . . . . . . . . . . . . . . . . . . . . . . . . . . 206
4.12.5– Principles of management common to all types of leased lines . . . . . . . . . . . . . . 209
4.12.6– Circuit emulation (CES) . . . . . . . . . . . . . . . . . . . . . . . . . . . . . . . . . . . . . . . . . . . . 211
4.13– Client services: IP links. . . . . . . . . . . . . . . . . . . . . . . . . . . . . . . . . . . . . . . . . . . . . . . . . . . 213
4.13.1– Creation procedure of an IP link . . . . . . . . . . . . . . . . . . . . . . . . . . . . . . . . . . . . . . 213
4.13.2– Access to the IP link management . . . . . . . . . . . . . . . . . . . . . . . . . . . . . . . . . . . . 213
4.14– Utilities . . . . . . . . . . . . . . . . . . . . . . . . . . . . . . . . . . . . . . . . . . . . . . . . . . . . . . . . . . . . . . . 221
4.14.1– NFS server . . . . . . . . . . . . . . . . . . . . . . . . . . . . . . . . . . . . . . . . . . . . . . . . . . . . . . 221
4.14.2– Backup / Restore . . . . . . . . . . . . . . . . . . . . . . . . . . . . . . . . . . . . . . . . . . . . . . . . . 221
4.14.3– Downloading . . . . . . . . . . . . . . . . . . . . . . . . . . . . . . . . . . . . . . . . . . . . . . . . . . . . . 225
4.14.4– SNTP server configuration . . . . . . . . . . . . . . . . . . . . . . . . . . . . . . . . . . . . . . . . . . 234
5 – Commissioning the Base Station (7390BS) . . . . . . . . . . . . . . . . . . . . . . . . . . . . . . . . . . . . . . 235
5.1 – Initialisation and configuration of parameters . . . . . . . . . . . . . . . . . . . . . . . . . . . . . . . . . . 235
5.1.1 – Equipment required . . . . . . . . . . . . . . . . . . . . . . . . . . . . . . . . . . . . . . . . . . . . . . . . 236
5.1.2 – Powering up X-Pol RBS and DBS equipment in site configuration . . . . . . . . . . . . 237
5.2 – Checking and validating parameters . . . . . . . . . . . . . . . . . . . . . . . . . . . . . . . . . . . . . . . . . 242
6 – Operation and maintenance. . . . . . . . . . . . . . . . . . . . . . . . . . . . . . . . . . . . . . . . . . . . . . . . . . . 243
6.1 – Network supervision . . . . . . . . . . . . . . . . . . . . . . . . . . . . . . . . . . . . . . . . . . . . . . . . . . . . . 243
6.2 – Operation . . . . . . . . . . . . . . . . . . . . . . . . . . . . . . . . . . . . . . . . . . . . . . . . . . . . . . . . . . . . . . 243
6.2.1 – Time setting . . . . . . . . . . . . . . . . . . . . . . . . . . . . . . . . . . . . . . . . . . . . . . . . . . . . . . 244
6.2.2 – Configuration of frequencies and transmit power . . . . . . . . . . . . . . . . . . . . . . . . . 244
6.2.3 – Configuration of the cable attenuation dB . . . . . . . . . . . . . . . . . . . . . . . . . . . . . . . 245
6.2.4 – Activation of upstream . . . . . . . . . . . . . . . . . . . . . . . . . . . . . . . . . . . . . . . . . . . . . . 245
6.2.5 – Validation of upstream for IP data traffic . . . . . . . . . . . . . . . . . . . . . . . . . . . . . . . . 246

8/346 Issue 01 - April 2001 - Draft 04 3CC12426AAAA TQ BJA 01
10
6.2.6 – On-demand Service Management . . . . . . . . . . . . . . . . . . . . . . . . . . . . . . . . . . . . 246
6.2.7 – Configuration of IP addresses . . . . . . . . . . . . . . . . . . . . . . . . . . . . . . . . . . . . . . . 247
6.2.8 – Configuration of the NFS Server . . . . . . . . . . . . . . . . . . . . . . . . . . . . . . . . . . . . . 248
6.2.9 – Configuration of ATM interface . . . . . . . . . . . . . . . . . . . . . . . . . . . . . . . . . . . . . . . 249
6.2.10– Configuration of TNT board for circuit emulation . . . . . . . . . . . . . . . . . . . . . . . . . 249
6.2.11– Creation of ASAP table for NT . . . . . . . . . . . . . . . . . . . . . . . . . . . . . . . . . . . . . . . 250
6.2.12– Suppression of ASAP table for NT . . . . . . . . . . . . . . . . . . . . . . . . . . . . . . . . . . . . 250
6.2.13– Change of alarm severity profile. . . . . . . . . . . . . . . . . . . . . . . . . . . . . . . . . . . . . . 251
6.2.14– Service creation leased lines, IP, CES, ISDN. . . . . . . . . . . . . . . . . . . . . . . . . . . . 251
6.2.15– Service suppression leased lines, IP, CES, ISDN . . . . . . . . . . . . . . . . . . . . . . . . 258
6.2.16– Start radio performance for NT . . . . . . . . . . . . . . . . . . . . . . . . . . . . . . . . . . . . . . . 261
6.2.17– Stop radio performance for NT . . . . . . . . . . . . . . . . . . . . . . . . . . . . . . . . . . . . . . . 261
6.2.18– Start radio performance for Radio Link. . . . . . . . . . . . . . . . . . . . . . . . . . . . . . . . . 262
6.2.19– Stop radio performance for Radio Link . . . . . . . . . . . . . . . . . . . . . . . . . . . . . . . . . 262
6.2.20– Stop NE Supervision. . . . . . . . . . . . . . . . . . . . . . . . . . . . . . . . . . . . . . . . . . . . . . . 262
6.2.21– Start NE Supervision . . . . . . . . . . . . . . . . . . . . . . . . . . . . . . . . . . . . . . . . . . . . . . 263
6.2.22– Stop NT Supervision. . . . . . . . . . . . . . . . . . . . . . . . . . . . . . . . . . . . . . . . . . . . . . . 263
6.2.23– Start NT Supervision. . . . . . . . . . . . . . . . . . . . . . . . . . . . . . . . . . . . . . . . . . . . . . . 263
6.2.24– Stop BS Supervision. . . . . . . . . . . . . . . . . . . . . . . . . . . . . . . . . . . . . . . . . . . . . . . 264
6.2.25– Start BS Supervision. . . . . . . . . . . . . . . . . . . . . . . . . . . . . . . . . . . . . . . . . . . . . . . 264
6.2.26– Backup . . . . . . . . . . . . . . . . . . . . . . . . . . . . . . . . . . . . . . . . . . . . . . . . . . . . . . . . .264
6.2.27– Restore . . . . . . . . . . . . . . . . . . . . . . . . . . . . . . . . . . . . . . . . . . . . . . . . . . . . . . . . .266
6.3 – Preventive maintenance . . . . . . . . . . . . . . . . . . . . . . . . . . . . . . . . . . . . . . . . . . . . . . . . . .267
6.4 – Corrective maintenance. . . . . . . . . . . . . . . . . . . . . . . . . . . . . . . . . . . . . . . . . . . . . . . . . . .267
6.4.1 – Alarms processing . . . . . . . . . . . . . . . . . . . . . . . . . . . . . . . . . . . . . . . . . . . . . . . . . 267
6.4.2 – Definition of 7390NE alarms . . . . . . . . . . . . . . . . . . . . . . . . . . . . . . . . . . . . . . . . . 268
6.5 – Replacing a DBS board . . . . . . . . . . . . . . . . . . . . . . . . . . . . . . . . . . . . . . . . . . . . . . . . . . .274
6.5.1 – Boards other than the ANT . . . . . . . . . . . . . . . . . . . . . . . . . . . . . . . . . . . . . . . . . . 274
6.5.2 – Replacement of an ANT board . . . . . . . . . . . . . . . . . . . . . . . . . . . . . . . . . . . . . . . 275
6.5.3 – Replacement of ventilation module . . . . . . . . . . . . . . . . . . . . . . . . . . . . . . . . . . . . 276
6.5.4 – Replacement of a fuse. . . . . . . . . . . . . . . . . . . . . . . . . . . . . . . . . . . . . . . . . . . . . . 276
6.6 – Replacement of the X-Pol RBS . . . . . . . . . . . . . . . . . . . . . . . . . . . . . . . . . . . . . . . . . . . . . 277
6.7 – Replacement of a NT. . . . . . . . . . . . . . . . . . . . . . . . . . . . . . . . . . . . . . . . . . . . . . . . . . . . . 277
6.8 – Malfunctions. . . . . . . . . . . . . . . . . . . . . . . . . . . . . . . . . . . . . . . . . . . . . . . . . . . . . . . . . . . . 278
6.8.1 – Malfunctions on installation . . . . . . . . . . . . . . . . . . . . . . . . . . . . . . . . . . . . . . . . . . 278
6.8.2 – In-service system malfunctions . . . . . . . . . . . . . . . . . . . . . . . . . . . . . . . . . . . . . . . 278
6.8.3 – Management malfunctions . . . . . . . . . . . . . . . . . . . . . . . . . . . . . . . . . . . . . . . . . . 278
7 – Changes of configuration . . . . . . . . . . . . . . . . . . . . . . . . . . . . . . . . . . . . . . . . . . . . . . . . . . . . 279
7.1 – Interventions required by system evolution . . . . . . . . . . . . . . . . . . . . . . . . . . . . . . . . . . . . 279
7.2 – Recommendations. . . . . . . . . . . . . . . . . . . . . . . . . . . . . . . . . . . . . . . . . . . . . . . . . . . . . . . 280
7.3 – Remote interventions using software. . . . . . . . . . . . . . . . . . . . . . . . . . . . . . . . . . . . . . . . . 280
7.3.1 – Alarm filtering for NT . . . . . . . . . . . . . . . . . . . . . . . . . . . . . . . . . . . . . . . . . . . . . . . 280
7.3.2 – Alarm filtering for BS . . . . . . . . . . . . . . . . . . . . . . . . . . . . . . . . . . . . . . . . . . . . . . . 280
7.3.3 – Modification of service parameters . . . . . . . . . . . . . . . . . . . . . . . . . . . . . . . . . . . . 282
7.3.4 – Change of power level (X-Pol RBS) . . . . . . . . . . . . . . . . . . . . . . . . . . . . . . . . . . . 283
7.3.5 – Changing the IP address of the equipment . . . . . . . . . . . . . . . . . . . . . . . . . . . . . . 284
7.3.6 – Change of channelling. . . . . . . . . . . . . . . . . . . . . . . . . . . . . . . . . . . . . . . . . . . . . . 284
7.3.7 – Inhibition of Dynamic traffic on upstream . . . . . . . . . . . . . . . . . . . . . . . . . . . . . . . 285
7.3.8 – Desactivation of upstream . . . . . . . . . . . . . . . . . . . . . . . . . . . . . . . . . . . . . . . . . . . 287
7.3.9 – Inhibition of automatic time setting . . . . . . . . . . . . . . . . . . . . . . . . . . . . . . . . . . . . 287
7.3.10– Modification of CES parameter of a TNT board . . . . . . . . . . . . . . . . . . . . . . . . . . 287
7.3.11– Change of frequency in the same sub-band. . . . . . . . . . . . . . . . . . . . . . . . . . . . . 288
7.3.12– Upgrading the equipment . . . . . . . . . . . . . . . . . . . . . . . . . . . . . . . . . . . . . . . . . . . 290

3CC12426AAAA TQ BJA 01 Issue 01 - April 2001 - Draft 04 9/346
10
7.3.13– First 7390NE software update . . . . . . . . . . . . . . . . . . . . . . . . . . . . . . . . . . . . . . . 295
7.4 – On-site interventions . . . . . . . . . . . . . . . . . . . . . . . . . . . . . . . . . . . . . . . . . . . . . . . . . . . . . 295
7.4.1 – Change of frequency in a different sub-band or band . . . . . . . . . . . . . . . . . . . . . . 295
7.4.2 – Addition of a radio sector. . . . . . . . . . . . . . . . . . . . . . . . . . . . . . . . . . . . . . . . . . . . 296
7.4.3 – Network interface. . . . . . . . . . . . . . . . . . . . . . . . . . . . . . . . . . . . . . . . . . . . . . . . . . 297
7.4.4 – Updating the 7390LT software . . . . . . . . . . . . . . . . . . . . . . . . . . . . . . . . . . . . . . . 298
7.4.5 – Setting ANT board redundancy . . . . . . . . . . . . . . . . . . . . . . . . . . . . . . . . . . . . . . . 298
7.4.6 – Radio sector redundancy corresponding to the addition of AMD/IBS and backup X-Pol
RBS boards . . . . . . . . . . . . . . . . . . . . . . . . . . . . . . . . . . . . . . . . . . . . . . . . . . . . . . . . . . . . 300
7.5 – Sub-band distribution plan . . . . . . . . . . . . . . . . . . . . . . . . . . . . . . . . . . . . . . . . . . . . . . . . .301
Appendix 1 – Installation sheet . . . . . . . . . . . . . . . . . . . . . . . . . . . . . . . . . . . . . . . . . . . . . . . . . . . 303
A.1.1 – 7390DBS . . . . . . . . . . . . . . . . . . . . . . . . . . . . . . . . . . . . . . . . . . . . . . . . . . . . . . . . . . . . 303
A.1.2 – 7390 X-Pol RBS . . . . . . . . . . . . . . . . . . . . . . . . . . . . . . . . . . . . . . . . . . . . . . . . . . . . . . . 305
A.1.3 – Check point list for BS commissioning . . . . . . . . . . . . . . . . . . . . . . . . . . . . . . . . . . . . . . 307
Appendix 2 – Installation of 7390LT software . . . . . . . . . . . . . . . . . . . . . . . . . . . . . . . . . . . . . . . 309
A.2.1 – Requirements . . . . . . . . . . . . . . . . . . . . . . . . . . . . . . . . . . . . . . . . . . . . . . . . . . . . . . . . . 309
A.2.2 – Installation Procedure. . . . . . . . . . . . . . . . . . . . . . . . . . . . . . . . . . . . . . . . . . . . . . . . . . . 309
A.2.3 – License the .OCX files . . . . . . . . . . . . . . . . . . . . . . . . . . . . . . . . . . . . . . . . . . . . . . . . . . 315
A.2.4 – Craft.ini configuration . . . . . . . . . . . . . . . . . . . . . . . . . . . . . . . . . . . . . . . . . . . . . . . . . . . 316
A.2.5 – Running 7390LT . . . . . . . . . . . . . . . . . . . . . . . . . . . . . . . . . . . . . . . . . . . . . . . . . . . . . . 316
A.2.6 – NFS Server installation. . . . . . . . . . . . . . . . . . . . . . . . . . . . . . . . . . . . . . . . . . . . . . . . . . 316
A.2.6.1 – NFS server product references . . . . . . . . . . . . . . . . . . . . . . . . . . . . . . . . . . . . 316
A.2.6.2 – Installation of NFS server . . . . . . . . . . . . . . . . . . . . . . . . . . . . . . . . . . . . . . . . . 316
A.2.6.3 – Configuring the NFS server . . . . . . . . . . . . . . . . . . . . . . . . . . . . . . . . . . . . . . . 319
A.2.7 – Installation of Software Packages . . . . . . . . . . . . . . . . . . . . . . . . . . . . . . . . . . . . . . . . . 320
A.2.8 – FTP Server configuration . . . . . . . . . . . . . . . . . . . . . . . . . . . . . . . . . . . . . . . . . . . . . . . .321
A.2.9 – How to remove the 7390LT . . . . . . . . . . . . . . . . . . . . . . . . . . . . . . . . . . . . . . . . . . . . . . 322
A.2.10 – SNTP Service Control . . . . . . . . . . . . . . . . . . . . . . . . . . . . . . . . . . . . . . . . . . . . . . . . .323
A.2.10.1 – SNTP Configuration . . . . . . . . . . . . . . . . . . . . . . . . . . . . . . . . . . . . . . . . . . . . 323
Appendix 3 – Installation of MIB migration tool. . . . . . . . . . . . . . . . . . . . . . . . . . . . . . . . . . . . . . 325
A.3.1 – Requirements . . . . . . . . . . . . . . . . . . . . . . . . . . . . . . . . . . . . . . . . . . . . . . . . . . . . . . . . . 325
A.3.2 – If Python is already installed. . . . . . . . . . . . . . . . . . . . . . . . . . . . . . . . . . . . . . . . . . . . . . 325
A.3.3 – Python installation procedure . . . . . . . . . . . . . . . . . . . . . . . . . . . . . . . . . . . . . . . . . . . . . 325
A.3.4 – LT configuration file modification . . . . . . . . . . . . . . . . . . . . . . . . . . . . . . . . . . . . . . . . . . 331
Appendix 4 – Mounting coaxial connector. . . . . . . . . . . . . . . . . . . . . . . . . . . . . . . . . . . . . . . . . . 333
Appendix 5 – Correspondence between commercial codes and industrial
codes relating to the BS. . . . . . . . . . . . . . . . . . . . . . . . . . . . . . . . . . . . . . . . . . . . . 337
Appendix 6 – Error messages and corrective actions . . . . . . . . . . . . . . . . . . . . . . . . . . . . . . . . 339
A.6.1 – Error messages for 7390LT software . . . . . . . . . . . . . . . . . . . . . . . . . . . . . . . . . . . . . . . 339
A.6.2 – NT management error messages. . . . . . . . . . . . . . . . . . . . . . . . . . . . . . . . . . . . . . . . . . 339
A.6.3 – Error messages for communication between BS and 7390LT . . . . . . . . . . . . . . . . . . . . 340
A.6.4 – Error message linked with client services. . . . . . . . . . . . . . . . . . . . . . . . . . . . . . . . . . . . 340
A.6.4.1 – Error messages linked with E1 leased lines. . . . . . . . . . . . . . . . . . . . . . . . . . . 340
A.6.4.2 – Error messages linked with IP "cross-connection" . . . . . . . . . . . . . . . . . . . . . . 341
A.6.4.3 – Error messages linked with circuit emulation . . . . . . . . . . . . . . . . . . . . . . . . . . 341
A.6.5 – Download error messages . . . . . . . . . . . . . . . . . . . . . . . . . . . . . . . . . . . . . . . . . . . . . . . 342

10/346 Issue 01 - April 2001 - Draft 04 3CC12426AAAA TQ BJA 01
10
A.6.6 – Error message at backup / restore . . . . . . . . . . . . . . . . . . . . . . . . . . . . . . . . . . . . . . . . . 342
A.6.7 – Error messages for radio management . . . . . . . . . . . . . . . . . . . . . . . . . . . . . . . . . . . . . 342
A.6.7.1 – Error messages linked to the radio configuration. . . . . . . . . . . . . . . . . . . . . . . 342
A.6.7.2 – Radio Resources Manager (RRM). . . . . . . . . . . . . . . . . . . . . . . . . . . . . . . . . . 342
A.6.8 – ASAP error messages . . . . . . . . . . . . . . . . . . . . . . . . . . . . . . . . . . . . . . . . . . . . . . . . . .343
A.6.9 – Miscellaneous error messages. . . . . . . . . . . . . . . . . . . . . . . . . . . . . . . . . . . . . . . . . . . . 343
Appendix 7 – List of abbreviations . . . . . . . . . . . . . . . . . . . . . . . . . . . . . . . . . . . . . . . . . . . . . . . . 345
PAGE INTENTIONALLY LEFT BLANK

3CC12426AAAA TQ BJA 01 Issue 01 - April 2001 - Draft 04 11/346
18
1 – Foreword
1.1 – Structure of the manual
This manual is for users with a sound knowledge of how to operate and install point-multipoint
microwave systems and how to use a PC-based craft terminal running the Windows operating
system.
With it, you should quickly be able to operate the equipment. It is not intended to replace the training
services that we can provide for your particular needs.
The manual is divided into seven sections followed by appendixes:
– Foreword
– Equipment overview
– Installation of the Base Station
– 7390LT Software overview
– Commissioning the Base Station (7390BS)
– Operation and maintenance
– Changes of configuration
– Appendixes
1.2 – Using the manual
With this manual, you should be able to commission and operate the described equipment to a basic
level.
You should always read this manual in conjunction with the attached "Update" document (if provided)
so that you are aware of the latest equipment upgrades.
Manual updates
This edition of the manual describes hardware and software releases whose revision indexes are greater
than or equal to those given below:
Hardware revision: 01
In cases where an equipment upgrade affects the content of the manual, the relevant modification should
be inserted in the "Update" document, with the same reference number, but with code type VE (instead
of TQ).
When the number or extent of the changes justifies it, they should be incorporated in the body of the
manual and the manual's revision index should be incremented. Revision bars will show the differences
from the previous version.
Note: MS-DOS, MICROSOFT and WINDOWS are registered trademarks of Microsoft Corporation.

12/346 Issue 01 - April 2001 - Draft 04 3CC12426AAAA TQ BJA 01
18
1.3 – Safety instructions
1.3.1 – General rules
The following general safety precautions must be observed by the installer and the operator.
ALCATEL assumes no liability for the customer's failure to comply with these requirements.
•Ground the equipment: for Safety Class 1 equipment, always connect the earth conductor of
the power cable to an appropriate earthing device.
• DO NOT operate the product in an explosive atmosphere or in presence of flammable
gases or fumes.
•For protection against fire: replace the line fuse(s) only with fuse(s) of the same voltage and
current rating and type.
•Dangerous voltages: users must not remove equipment covers or shields. The installation
and maintenance procedures described in this manual are for use by service-trained personnel
only.
•Protection against short circuits: the mains equipment should ensure protection against
short circuits according to the current domestic standards (residual current differential protec-
tion recommended).
• Observe the standards in force for all activities carried out on the roofs.
• For any on-site intervention, observe the precautions against lightning.
• DO NOT operate equipment which may be damaged: its protection level could be affec-
ted.
• Whenever it is possible that the safety protection features built into this equipment have been
impaired, ISOLATE FROM THE POWER SUPPLY and do not use the equipment until safe
operation can be verified by service-trained personnel. If necessary, return the equipment to
Alcatel After Sales for service and repair.
• DO NOT OPEN THE EQUIPMENT.
• Return the product to Alcatel Customer Service for servicing and repair.
•Recommendation to installers and maintenance operators: before carrying out any ope-
rations, check the equipotential bonding of the earthing devices to which our measurement
equipment and instruments are connected. If necessary, during installation, ensure the equi-
potential bonding by electrical connection of these devices.
Local regulations
All BS and CPE installations must adhere to all local, national and civil electrical/safety regulations of the
area where they are installed.
Wireless safety compliance in the United States of America
It is the responsibility of the wireless licence holder to ensure that the requirements of OET Bulletin 65
are met in the USA.
Wireless safety compliance in Canada
It is the responsibility of the wireless licence holder to ensure that the requirements of Safety Code 6 are
met in Canada.

3CC12426AAAA TQ BJA 01 Issue 01 - April 2001 - Draft 04 13/346
18
Placement of transmitting equipment
To prevent exposure to non-ionizing radiation, the X-Pol RT should always be mounted at a minimum of
3m (10 ft) above ground level or roof-top level. An X-Pol RT that is mounted on a wall should be mounted
at least 3m (10 ft) away from any point of exposure such as windows, balconies or doors.
X-Pol RT service and repair safety precautions
Only authorized personnel should service X-Pol RT units.
Equipment interconnection points
All card faceplate connectors are SELV.
Connect SELV circuits on this equipment only to other circuits that comply with the requirements of SELV
circuits as defined in EN60950.
Restriction of unauthorized access
Only authorized personnel should have access to the equipment. Install the equipment in a restricted-
access location or similar environment, and post appropriate warning signs to indicate safety concerns.
Failure to prevent unauthorized user access will invalidate any approvals given to this equipment.
Regulatory symbols
The following sections show examples of regulatory approval symbols generally used. They may be
used on product markings such as approval labels. These symbols are described in IEC417.
Power on
Power off
Danger - Never touch the X-Pol RT antennas while they are in operation. Do not stand in
front of X-Pol RT antennas, and never pass closer than 1m (3 ft) in front of an operating or
X-Pol RT.
Power to X-Pol RTs must be disconnected prior to installation or servicing.
Service and repair preparation activities should be made as close as possible to the base of
an elevated X-Pol RT, as the risk of exposure to non-ionizing radiation increases as you
move further from the base toward the area that is serviced by the transmitter.
This symbol indicates the on position of the main on/off switch.
This symbol indicates the off (O) position of the main on/off switch.

14/346 Issue 01 - April 2001 - Draft 04 3CC12426AAAA TQ BJA 01
18
Protective grounding terminal
These symbols indicate a terminal that must be connected to earth ground prior to making any
other connections to the equipment.
Dangerous voltage
This symbol indicates the presence of uninsulated “dangerous voltage” within the product's enclo-
sure that could cause electric shock. Labels bearing this symbol are installed on the outside of the
product enclosure.
Instructions
This symbol indicates the existence of important operating and maintenance (servicing) instruc-
tions in the product documentation.
Elevated non-ionizing radiation levels
This symbol identifies equipment that emits elevated levels of non-ionizing radiation. Do not ap-
proach equipment that is marked with this symbol unless power to the device is disconnected.
Labels bearing this symbol are installed on the outside casing of transmitter devices.
Supply wire protective earth
Protective earth
Dangerous voltage symbol
Important instructions symbol
Elevated non-ionizing radiation levels symbol

3CC12426AAAA TQ BJA 01 Issue 01 - April 2001 - Draft 04 15/346
18
International EMC compliance
The EMC compliance of these products relies on the user following the installation processes correctly.
Failure to follow the correct installation processes may result in non-compliance to the EMC standards
against which these products have been assessed.
Appropriate shielded cables must be used to connect NT to telecommunications equipment.
NT EMC compliance
This Class B digital apparatus complies with Canadian ICES-003.
Cet appareil numérique de la classe B est conforme à la norme NMB-003 du Canada.
DBS card EMC compliance
This Class A digital apparatus complies with Canadian ICES-003.
Cet appareil numérique de la classe A est conforme à la norme NMB-003 du Canada.
Industry Canada regulations
The Industry Canada (formerly known as the Department of Communications) label identifies certified
equipment. This certification means that the equipment meets certain telecommunications network
protective, operational and safety requirements as prescribed in the Terminal Equipment Technical
Requirements document(s). Industry Canada does not guarantee that the equipment will operate to the
user's satisfaction.
Before installing this equipment, users should ensure that it is permissible to be connected to the
facilities of the local telecommunications company. The equipment must also be installed using an
acceptable method of connection. The customer should be aware that compliance with the above
conditions may not prevent degradation of service in some situations.
Repairs to certified equipment should be coordinated by a representative designated by the supplier.
Any repairs or alterations made by the user to this equipment, or any equipment malfunctions, may give
the telecommunications company cause to request the user to disconnect the equipment.
For their own protection, users should ensure that the electrical ground connections of the power utility,
telephone lines and internal metallic water pipe system, if present, are connected together. This
precaution may be particularly important in rural areas.
The Ringer Equivalence Number (formerly known as Load Number) assigned to each terminal device
provides an indication of the maximum number of terminals allowed to be connected to a telephone
interface. The termination on an interface may consist of any combination of devices subject only to the
requirement that the sum of the Ringer Equivalence Numbers of all the devices does not exceed five (5).
The Ringer Equivalence Number regulations do not apply to the MainStreet NIUs.
Safety approval for dc systems
The dc source for the Alcatel Broadband Wireless system must meet the requirements of a SELV source
in accordance with CSA C22.2 No. 950. These systems are intended for use with a SELV secondary
source that is electrically isolated from the ac source, and that is reliably connected to ground.
Caution - Users should not attempt to make electrical ground connections, but should
contact the appropriate electrical inspection authority or electrician.

16/346 Issue 01 - April 2001 - Draft 04 3CC12426AAAA TQ BJA 01
18
United States Federal Communications Commission regulations
This equipment has been approved to the Federal Communications Commission Part 68 Rules as not
being harmful to the telephone network when connected directly to telephone lines. Customers must,
upon request from the telephone company, provide the following information:
– FCC Registration Numbers
– USOC: RJ48C
– FIC: 04DU9-BN/DN/1KN/1SN
– SOC: 6.0Y
The FCC identification number can be found on the product label located on the product chassis.
The REN determines the number of devices that users can connect to their telephone line and still have
the assurance that these devices will ring properly when their number is called. In most, but not all areas,
the sum of the RENs for all devices should not exceed five (5.0). To determine the maximum number of
devices users can connect to their line, as specified by the REN, users must contact the local telephone
company and request the information on the maximum REN for their calling area.
If the user equipment causes harm to the telephone network, the telephone company may temporarily
discontinue service to the line. If possible and practical, the company will notify the user in advance. If
not, the company will notify the user as soon as possible. Included in the notification, the users will be
advised of their right to file a complaint with the FCC.
The telephone company may make changes to its facilities, equipment, operations and procedures that
could affect the operation of user’s equipment. Before these changes are made, the telephone company
will provide advance notice that service will be interrupted.
FCC regulations prohibit the connection of customer-provided equipment to coin service (central office
implemented systems). Connection to party lines is subject to tariffs; contact the state public utility
commission, public service commission or corporation commission for information. In the event that
repairs are needed to this equipment, contact:
Alcatel Inc.
810 Commerce Park Drive,
Ogdensburg, NY 13669
1-315-393-9981
This equipment has been tested and found to comply with the limits for a Class A digital device, pursuant
to Part 15 of the FCC Rules. These limits are designed to provide reasonable protection against harmful
interference in a commercial environment. This equipment generates, uses and can radiate radio
frequency energy and if not installed and used in accordance with the instruction manual, may cause
harmful interference to radio communications. Operation of this equipment in a residential area is likely
to cause harmful interference, in which case, the user will be required to correct the interference at their
own expense.

3CC12426AAAA TQ BJA 01 Issue 01 - April 2001 - Draft 04 17/346
18
Food and Drug Administration
This product complies with 21 CFR 1040.10 and 1040.11 regulations, which govern the safe use of
lasers. Only qualified service personnel, thoroughly familiar with laser radiation hazards, should install
or remove the fiber optic cables used in this system. Information regarding the safe use of lasers can be
found in ANSI Z 136.1: Safe Use of Lasers and ANSI Z 136.2: Safe Use of Lasers in Optical Fiber
Communications Systems. These documents and other instructional material can be obtained from:
Laser Institute of America
12424 Research Parkway, Suite 125
Orlando, FL 32826-3274
CSA NRTL
This equipment is certified by the Canadian Standards Association as meeting the requirements of
UL1950, Safety of Information Technology Equipment (or UL1459, Safety of Telephone Equipment).
CSA is listed by the American Federal Occupational Safety and Health Administration as equivalent to
Underwriters Laboratories and other American safety testing laboratories under the Nationally
Recognized Testing Laboratories program.
Safety precautions for installing TNV devices
Danger 1 - Never install telephone wiring during a lightning storm. Use caution when
installing or modifying telephone lines.
Danger 2 - Never touch uninsulated telephone wires or terminals unless the telephone line
has been disconnected at the telephone network interface. Never install telephone jacks in
wet locations, unless the jack is specifically designed for wet locations.
Caution - Always disconnect the MainStreet NT from the telephone system when installing
or removing covers from connected equipment.

18/346 Issue 01 - April 2001 - Draft 04 3CC12426AAAA TQ BJA 01
18
PAGE INTENTIONALLY LEFT BLANK

3CC12426AAAA TQ BJA 01 Issue 01 - April 2001 - Draft 04 19/346
104
2 – Equipment overview
2.1 – Overview of the A7390 system
The Alcatel 7390 is a multi-service broadband wireless local loop system designed to provide telecom
services to small and medium-sized enterprises.
Broad band WLL (Wireless Local Loop) system, Alcatel 7390 allows operators to offer rapid provision -
to a large number of client sites - of a comprehensive range of telephone and data transmission
services.
For cellular phone network operators, Alcatel 7390 offers the possibility of linking base stations to
base station controllers. This makes Alcatel 7390 an economical transmission solution, for the
implementation or extension of high traffic density areas coverage.
For mixed network operators (fixed and mobile), Alcatel 7390 enables to connect, with the same
system, fixed professional end user as well as base stations of cellular telephony.
Figure 1 – A7390 System - Local point - multipoint service distribution -
SME
Independant profession
Independant profession
Compagny D
Compagny A
Compagny B
Compagny C

20/346 Issue 01 - April 2001 - Draft 04 3CC12426AAAA TQ BJA 01
104
2.2 – Composition of the A7390 system
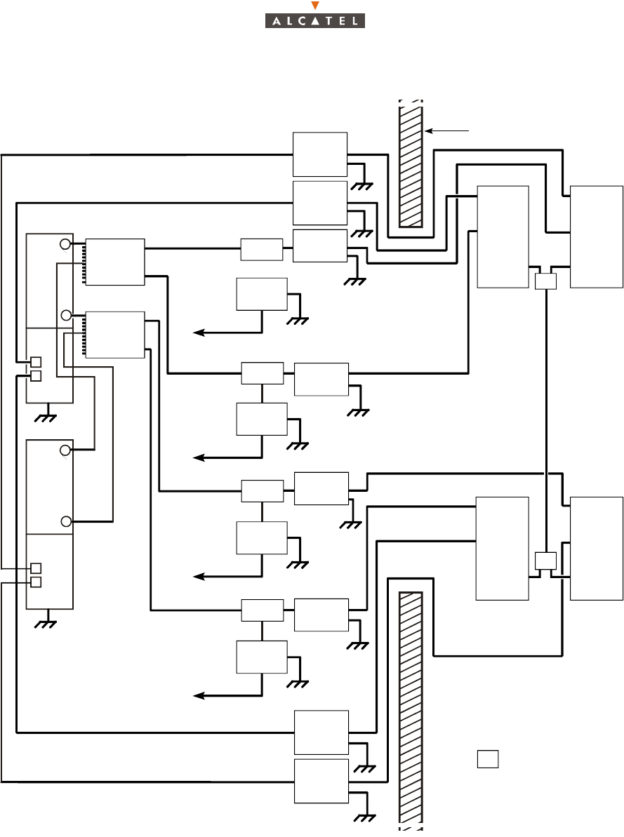
An A7390 network cell consists of the following:
–a common base station designated 7390BS;
– and several terminal stations distributed across the user sites, and designated 7390TS.
Figure 2 – Base Station and Terminal Stations
"Digital Base Station" DBS
"Terminal Stations"
Cross-polarized Radio Base Station
7390BS
nx7390TS
"X-Pol RBS"

3CC12426AAAA TQ BJA 01 Issue 01 - April 2001 - Draft 04 21/346
104
2.3 – A7390 system specifications
2.3.1 – Frequency bands used
2.3.2 – Radio transmission specifications (typical values)
The following table gives the main characteristics of the A7390 wireless system.
A downstream (BS to TS) carrier is combined with up four upstream (TS to BS) carriers.
Cross-polarized radio Down-link Up-link
LMCS/AB 27 850 ¾ 28 350 27 350 ¾ 27 650
LMCS/F 25 600 ¾ 25 850 25 350 ¾ 25 600
LMCS/C 27 100 ¾ 27 350 26 850 ¾ 27 100
LMDS/A 27 500 ¾ 28 350 31.075 ¾ 31 225
LMDS/B 31 225 ¾ 31 300 31 000 ¾ 31 075
38/700/1 39 700 ¾ 40 000 39 000 ¾ 39 300
Downstream
Channel bandwidth 14 MHz 28 MHz
Occupied bandwidth 13.63 MHz 27.25 MHz
Roll-off factor 35% 35%
Modulation QPSK QPSK
Gross bit rate 20.19 Mbit/s 40.37 Mbit/s
Inner Code Convol. 7/8 (k=7) Convol.7/8 (k=7)
Interleaving depth 12 depth 12
Outer Code Reed-Solomon (204,188,8) Reed-Solomon (204,188,8)
Bit rate before coding 16.19 Mbit/s 32.38 Mbit/s
Radio 25 GHz 28 GHz 31 GHz 39 GHz 25 GHz 28 GHz 31 GHz 39 GHz
X-Pol RBS output power
(antenna port) 17 dBm 17 dBm 17 dBm 17 dBm 17 dBm 17 dBm 17 dBm 17 dBm
Transmit antenna gain 21 dB 21 dB 21 dB 21 dB 21 dB 21 dB 21 dB 21 dB
Receive antenna gain
(with radome) 36 dB 34.5 dB 35 dB 34.5 dB 36 dB 34.5 dB 35 dB 34.5 dB

22/346 Issue 01 - April 2001 - Draft 04 3CC12426AAAA TQ BJA 01
104
2.3.3 – Capacity
The system capacity depends on the traffic mix between data services (transported on ATM cells) and
leased lines or telephony services (transported on TDM circuits).
It also depends on the channeling and the number of upstream channels.
Figures are given in the following tables for three mix examples: minimum, medium and maximum
circuit capacity but any intermediate mix is possible.
28 / 7 MHz channeling:
Upstream
Channel bandwidth 3.5 MHz 7 MHz
Occupied bandwidth 3.36 MHz 6.72 MHz
Roll-off factor 25% 25%
Modulation D-QPSK D-QPSK
Gross bit rate 5.38 Mbit/s 10.75 Mbit/s
Outer Code Reed-Solomon (63,53,5) Reed-Solomon (63,53,5)
Bit rate before coding 4.19 Mbit/s 8.38 Mbit/s
Radio 25 GHz 28 GHz 25 GHz 28 GHz
TS output power (antenna port) 14 dBm 14 dBm 14 dBm 14 dBm
Transmit antenna gain 35 dB 34.5 dB 35 dB 34.5 dB
Receive antenna gain (with radome) 15 dB 15 dB 15 dB 15 dB
Downlink: 28 MHz Trafic MIX: circuit capacity
Uplink: 1 x 7 MHz Minimum Medium Maximum
Nb of circuits: 64 kbit/s 0 60 120
ATM uplink capacity (cells/s) 18.823 9.412 0
ATM downlink capacity
(cells/s) 75.512 66.530 57.399
Downlink : 28 MHz Trafic MIX: circuit capacity
Uplink : 2 x 7 MHz Minimum Medium Maximum
Nb of circuits: 64 kbit/s 0 120 240
ATM uplink capacity (cells/s) 37.647 18.823 0
ATM downlink capacity
(cells/s) 75.512 57.548 39.286

3CC12426AAAA TQ BJA 01 Issue 01 - April 2001 - Draft 04 23/346
104
14/3.5 MHz channeling:
Downlink: 28 MHz Trafic MIX: circuit capacity
Uplink: 3 x 7 MHz Minimum Medium Maximum
Nb of circuits: 64 kbit/s 0 180 360
ATM uplink capacity (cells/s) 56.471 28.235 0
ATM downlink capacity
(cells/s) 75.512 48.566 21.173
Downlink: 28 MHz Trafic MIX: circuit capacity
Uplink: 4 x 7 MHz Minimum Medium Maximum
Nb of circuits: 64 kbit/s 0 240 480
ATM uplink capacity (cells/s) 75.294 37.647 0
ATM downlink capacity
(cells/s) 75.512 39.585 3.084
Downlink: 14 MHz Trafic MIX: circuit capacity
Uplink: 1 x 3.5 MHz Minimum Medium Maximum
Nb of circuits: 64 kbit/s 0 30 60
ATM uplink capacity (cells/s) 9.412 4.706 0
ATM downlink capacity
(cells/s) 38.047 33.519 28.990
Downlink: 14 MHz Trafic MIX: circuit capacity
Uplink: 2 x 3.5 MHz Minimum Medium Maximum
Nb of circuits: 64 kbit/s 0 60 120
ATM uplink capacity (cells/s) 18.824 9.412 0
ATM downlink capacity
(cells/s) 38.047 28.990 19.934
Downlink: 14 MHz Trafic MIX: circuit capacity
Uplink: 3 x 3.5 MHz Minimum Medium Maximum
Nb of circuits: 64 kbit/s 0 90 180
ATM uplink capacity (cells/s) 28.235 14.118 0
ATM downlink capacity
(cells/s) 38.047 24.462 10.877

24/346 Issue 01 - April 2001 - Draft 04 3CC12426AAAA TQ BJA 01
104
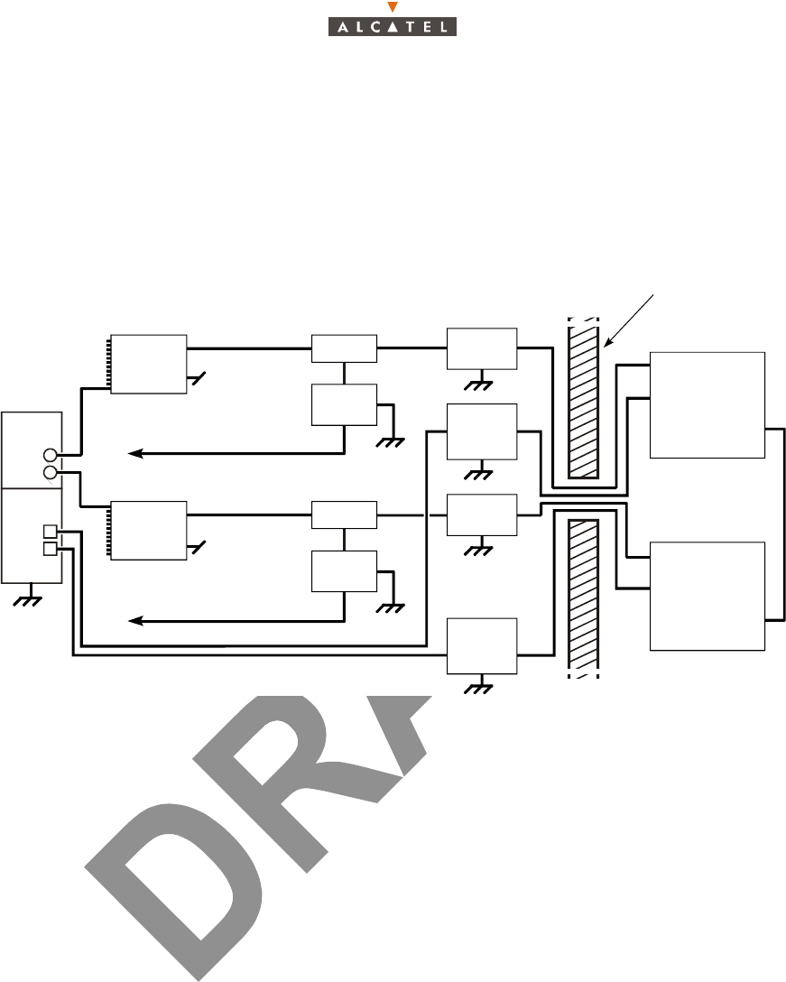
2.3.4 – X-Pol RBS Tx and X-Pol RBS Rx
The X-Pol RBS Tx is a transmitter radio that connects to an antenna. The X-Pol RBS Tx receives an IF
channel from each of one or more IBS-TLX cards, upconverts the IF signal to RF, and sends the RF
signal to the transmit antenna.
The X-Pol RBS Rx is a receiver radio that connects to an antenna. The X-Pol RBS Rx receives an RF
signal from one or more NIUs through the connected antenna, downconverts the RF signal to IF, and
sends the IF signal to the IBS-TLX card.
Figure 3 shows the X-Pol RBS Tx and X-Pol RBS Rx connected to antennas.
Figure 3 – X-Pol RBS Tx, X-Pol RBS Rx and antennas
X-Pol RBS Txs and X-Pol RBS Rxs are supplied with mounting hardware that is used to install the
equipment on mounting poles. Table 1 lists the environmental requirements for an X-Pol RBS Tx or X-
Pol RBS Rx. These specifications are met by using mounting brackets provided by Alcatel; however, the
mounting brackets must be attached to mounting poles that are designed and fastened to a building or
tower in such a way that these requirements are met.
Downlink: 14 MHz Trafic MIX: circuit capacity
Uplink: 4 x 3.5 MHz Minimum Medium Maximum
Nb of circuits: 64 kbit/s 0 120 240
ATM uplink capacity (cells/s) 37.647 18.824 0
ATM downlink capacity (cells/s) 38.047 19.934 1.821
X-Pol RBS Tx X-Pol RBS Rx
RS-422 data
LEMO connector
IF and -48V
connector
100 MHz reference
cable connector
Antennas
RS-422 data
LEMO connector
IF and -48V
connector
100 MHz reference
cable connector
Tx LED

3CC12426AAAA TQ BJA 01 Issue 01 - April 2001 - Draft 04 25/346
104
Table 1: X-Pol RBS Tx and X-Pol RBS Rx environmental requirements
Connectors
Table 2 describes the X-Pol RBS Tx and X-Pol RBS Rx connectors.
Table 2: X-Pol RBS Tx and X-Pol RBS Rx connectors
Note: (1) This port has a dc blocking capacitor that protects the X-Pol RBS Tx/X-Pol RBS Rx from
damage if –48 V dc is accidentally applied.
2.3.5 – Bias-T
The Bias-T mounts directly onto the 12:2 Combiner/Splitter and provides –48 V to the X-Pol RBS Tx and
X-Pol RBS Rx at the BS site. Figure 4 shows the Bias-T. Table 3 describes the connectors on the Bias-T.
Specification Requirement
Operating
Ambient temperature –40 to +50×C (–40 to +122°F)
Humidity 0 to 100% condensing
Wind loading 0 to 180 km/h (112 mph)
Vibration 1 g random, at 5 to 2000 Hz
Physical shock (three axis) 11 ms half-sine pulses at 0 to 10 g
Altitude 4572 m (15 000 ft)
Seismic NEBs, California zone 4
Elevation positioning relative to prescribed downtilt < 0.1°
Azimuthal positioning relative to the prescribed bearing line < 1.0°
Allowable elevation rotation motion < 0.25°
Allowable azimuthal rotation motion < 0.5°
Survival
Wind loading 0 to 217 km/h (135 mph)
Connector Type Purpose
RS-422 Data RS-422 LEMO Connects to the IBS-TLX via an RS-422 cable
IF and –48V N(F) coaxial Connects to Tx IF coaxial cable (X-Pol RBS Tx)
Connects to Rx IF coaxial cable (X-Pol RBS Rx)
100 MHz REF(1) N(F) coaxial Connects to a synchronization reference cable that syn-
chronizes the X-Pol RBS Tx with the X-Pol RBS Rx
Warning - The RS-422 Data connector must be protected by a dust cap or tape if the X-Pol
RBS Tx/X-Pol RBS Rx is installed before its cables are attached. The RS-422 Data
connector is waterproof only when it is mated with the RS-422 data cable connector.

26/346 Issue 01 - April 2001 - Draft 04 3CC12426AAAA TQ BJA 01
104
Figure 4 – Bias-T
Table 3: Bias-T connectors
2.3.6 – Surge protectors
Surge protectors protect the system power supply from damaging power surges that may occur during
a lightning strike to the outdoor equipment or IF cables. Surge protectors connect directly to each Bias-
T via a BNC connector, and contain a gas discharge tube that must be replaced regularly. Figure 5
shows a surge protector. Table 4 lists the connectors.
Figure 5 – Surge protector
Connector Type Purpose
DC OUT N(F) Connects to the X-Pol RBS Tx or X-Pol RBS Rx to provide both –48 V
and RF signal connection
DC IN BNC(F) Connects to the Bias-T power cable via an intermediate surge protector
to provide a –48 V power input
RF IN N(M) Connects to the Primary radio or Redundant radio connector on the 12:2
Combiner/Splitter
DC OUT
DC IN
RF IN
To Bi a s- T Ground screw To Bias-T
power cable

3CC12426AAAA TQ BJA 01 Issue 01 - April 2001 - Draft 04 27/346
104
Table 4: Surge protector connectors
2.3.7 – Cables
There are four types of cables used in the BS:
–SMA cables
– Bias-T power cable
– IF cable
– RS-422 data cables
SMA cables
SMA cables connect the Tx and Rx connectors on the IBS-TLX card faceplate to the Tx and Rx 12:2
Combiner/Splitters. Table 5 lists the SMA cable specifications.
Table 5: SMA cable specifications
Connector Type Purpose
Bias-T BNC(M) Connects to the Bias-T DC IN connector
Ground screw Slot-head screw Connects the surge protector body to a ground source
Bias-T power cable BNC(F)
Connects to the Bias-T power cable, which connects to the
–48 V power source to provide power to the X-Pol RBS Tx/
X-Pol RBS Rx
Specification Measure
Part numbers
2 m (6.6 ft): 90-6656-04
3 m (10 ft): 90-6656-01
6 m (20 ft): 90-6656-02
Impedance 50 W ±1 W
Frequency band 400 to 2050 MHz
Maximum VSWR 1.35:1
Maximum connector insertion loss 0.05 dB at 400 MHz
0.075 dB at 2 GHz
Average power rating (based on 150 m at 2 A dc) < 1W
Maximum loss over IF band
2 m (6.6 ft) cable: 0.8 dB
3 m (10 ft) cable: 1.0 dB
6 m (20 ft) cable: 2.0 dB
Minimum shielding (dB) –100 dB
Connector type SMA(M)
Minimum bend radius 25 mm
Maximum phase change vs. bending radius ±1°/GHz/mm
Operating temperature range –5 to +55°C (+23 to +131°F)
Relative humidity 5 to 95%, non-condensing

28/346 Issue 01 - April 2001 - Draft 04 3CC12426AAAA TQ BJA 01
104
Bias-T power cable
A Bias-T power cable is used to provide power to each Bias-T, by connecting the surge arrester to a
–48 V dc power supply. Table 6 lists the Bias-T power cable specifications.
Table 6: Bias-T power cable specifications
Note: (1) The –48 V lead is attached to the center conductor of the cable.
BS IF cables
BS IF cables run between the 12:2 Combiner/Splitter and the X-Pol RBS Tx and X-Pol RBS Rx radios.
Each BS IF cable requires a lightning arrester to be installed on the cable at the indoor equipment shelter
grounded entry point, and a 1 m (3 ft) outdoor jumper cable to make the final connection to the X-Pol
RBS Tx/X-Pol RBS Rx. Table 7 lists the general requirements for BS IF cables. Tables 8, 9, 10 and 11
list the specifications of Alcatel-recommended Andrew, CommScope and Times Microwave IF cables.
The outdoor jumper cable is a finished assembly available from Times Microwave (part number FT-
400DB/3/NM/NF).
Table 7: BS IF cable specifications
Specification Description
Part number 90-6518-01
Maximum bias port current 2 A
Maximum operating voltage –72 V dc
Power supply connectors –48 V power: #12 ring lug(1)
0VR: #12 ring lug
Surge arrester connector BNC (F)
Specification Description
Impedance 50 W ±1 W
Frequency band 400 to 2050 MHz
Maximum VSWR 1.2:1
Average power rating (based on 300 m at 2 A dc) < 5 W
Jacket spark 5000 VRMS
Maximum connector insertion loss 0.2 dB
Minimum shielding –100 dB
Jacket flammability rating CATVP, CATVR, CATVX, CATV
(according to the environment where the cable
is installed)
Outdoor cable temperature range –40 to +50°C (–40 to +122°F)
Wind loading 200 km/h (125 mph)
Maximum phase change vs. temperature ±1°/GHz/°C

3CC12426AAAA TQ BJA 01 Issue 01 - April 2001 - Draft 04 29/346
104
Table 8: Andrew HELIAX FSJ cable specifications
Note: Standard outdoor jacket: –40° to 85°C (–40° to 185°F)
CATVX, CATVR jackets: –30° to 80°C (–22° to 176°F)
CATVP jackets, except LDF6-50A: –20° to 150° C (–4° to 302°F)
CATVP jacket, LDF6-50A cable: 0° to 150°C (32° to 302°F)
Table 9: Andrew HELIAX LDF, HL and HJ cable specifications
Note: Standard outdoor jacket: –40° to 85°C (–40° to 185°F)
CATVX, CATVR jackets: –30° to 80°C (–22° to 176°F)
CATVP jackets, except LDF6-50A: –20° to 150°C (–4° to 302°F)
CATVP jacket, LDF6-50A cable: 0° to 150°C (32° to 302°F)
Specification FSJ1-50A FSJ2-50 FSJ4-50B
Minimum bending
radius 25 mm (1 in.) 25 mm (1 in.) 32 mm (1.25 in.)
N(M) connector F1PNM-H F2PNM-H F4PNM-C
Bending moment 1.1 Nm (0.8 ft-lb) 2.3 Nm (1.7 ft-lb) 2.7 Nm (2.0 ft-lb)
Cable weight 0.067 kg/m (0.045 lb/ft) 0.12 kg/m (0.078 lb/
ft) 0.21 kg/m (0.14 lb/ft)
Diameter over cable
jacket 7.4 mm (0.29 in.) 10.8 mm (0.425 in.) 13.5 mm (0.53 in.)
Temperature range Cable jacket and type
dependant (1)
Cable jacket and type
dependant (1)
Cable jacket and type
dependant (1)
Available jacket flam-
mability rating
CATVX (FSJ1RN-50A)
CATVR (FSJ1RN-50A)
CATVX (FSJ2RN-50)
CATVR (FSJ2RN-50)
CATVX (FSJ4RN-50B)
CATVR (FSJ2RN-50B)
Specification LDF2-50 LDF4-50 LDF5-50 LDF6-50 HL4RP-50 HJ5-50
Minimum ben-
ding radius
11 m
(0.44 in.)
125 mm
(5 in.)
250 mm
(10 in.)
380 mm
(15 in.)
125 mm
(5 in.)
250 mm
(10 in.)
N(M)
connector L2PNM L4PNM L5PNM L6PNM L4PNM H5PNM
Bending
moment
1.9 Nm
(1.4 ft-lb)
3.8 Nm
(2.8 ft-lb)
16.3 Nm
(12 ft-lb)
53 Nm
(39 ft-lb)
4.1 Nm
(3 ft-lb)
34 Nm
(25 ft-lb)
Cable weight 0.12 kg/m
(0.08 lb/ft)
0.22 kg/m
(0.15 lb/ft)
0.49 kg/m
(0.33 lb/ft)
0.98 kg/m
(0.66 lb/ft)
0.27 kg/m
(0.18 lb/ft)
0.80 kg/m
(0.54 lb/ft)
Diameter over
cable jacket
11 mm
(0.44 in)
16 mm
(0.63 in.)
28 mm
(1.09) in.)
39.4 mm
(1.55 in.)
15.5 mm
(0.61 in.)
28.2 mm
(1.11 in.)
Temperature
range
Cable jacket and
type dependant
(1)
Cable jacket and
type dependant
(1)
Cable jacket and
type dependant
(1)
Cable jacket and
type dependant
(1)
Cable jacket and
type dependant
(1)
Cable jacket and
type dependant
(1)
Available
jacket
flammability
rating
CATVX
(LDF2RN-50)
CATVR
(LDF2RN-50)
CATVX
(LDF4RN-50A)
CATVR
(LDF4RN-50A)
CATVR
(LDF5RN-50A)
CATVR
(LDF6RN-50A)
CATVP
(HL4RP-50)
CATVP
(HJ5RP-50)
CATVR
(HJ5RN-50)

30/346 Issue 01 - April 2001 - Draft 04 3CC12426AAAA TQ BJA 01
104
Table 10: CommScope CellReach cable specifications
Table 11: Times Microwave cable specifications
RS-422 cables
RS-422 cables run from the X-Pol RBS Tx and X-Pol RBS Rx radios to the IBS-TLX connector on the
front of the DBS. RS-422 cables are composed of two separate lengths of RS-422 cable: an outdoor-
rated cable and an indoor-rated cable. The two cables are joined by the BS RS-422 lightning protector
in the indoor equipment shelter room. Table 12 lists the specifications for the RS-422 data cable.
Specification CR50-540-PE CR50-1070-PE
Minimum bending radius 102 mm (4 in.) 203 mm (8 in.)
Connectors CR540NM CR1070NM
Bending moment 10.6 Nm (7.8 ft-lb) 34 Nm (25 ft-lb)
Cable weight 0.22 kg/m (0.15 lb/ft) 0.41 kg/m (0.28 lb/ft)
Maximum diameter over cable
jacket 13 mm (1/2 in.) 22 mm (7/8 in.)
Jacket flammability rating See manufacturer See manufacturer
Cable temperature range –40 to +50°C (–40 to +122°F) –40 to +50°C (–40 to +122°F)
Specification LMR-400 UltraFlex LMR-600-LLPL LMR-900-FR
Minimum bending radius 25.4 mm (1 in.) 38.1 mm (1.5 in.) 76.2 mm (3 in.)
Connectors TC-400-NMH TC-600-NMH EZ-900-NMH
Bending moment 0.68 Nm (0.5 ft-lb) 3.73 Nm (2.75 ft-lb) 12.20 Nm (9 ft-lb)
Cable weight 0.10 kg/m (0.068 lb/ft) 0.20 kg/m (0.131 lb/ft) 0.40 kg/m (0.266 lb/ft)
Maximum diameter over
cable jacket See manufacturer See manufacturer See manufacturer
Jacket flammability
rating See manufacturer CATVP CATVR
Cable temperature range See manufacturer See manufacturer See manufacturer

3CC12426AAAA TQ BJA 01 Issue 01 - April 2001 - Draft 04 31/346
104
Table 12: RS-422 data cable specifications
2.4 – Installing the base station components
2.4.1 – BS site requirements
BS X-Pol RBS Txs and X-Pol RBS Rxs are mounted on elevated sites such as building rooftops or
towers. General site requirements apply to the building or tower as a whole. Rooftop/tower requirements
apply to the outside equipment environment. Equipment room requirements apply to the indoor
environment that houses the LMDS, power utility hook-ups, and passive components such a 12:2
Combiner/Splitters, Bias-Ts and lightning arresters.
General site requirements
The following general requirements apply.
Access to power
The equipment room must be provided with a power utility hook-up capable of supplying power to
the BS equipment.
Specification Description
Cable supplier and part number Indoor cable: Delco - 398087P
Outdoor cable: Delco - 398087
Impedance 120 W
Maximum length 1000 m (3000 ft)
Connectors and supplier part number
Indoor/outdoor cable RJ45 connector:
Stewart 943-SP-370808 SM2
Outdoor LEMO connector:
LEMO USA FGG.1K.304.CLCC.60Z
(strain relief: LEMO USA GMA.1B.065.DN)
Conductor (7/34) 26 AWG or (7/32) 24 AWG
Tinned annealed copper
Conductor resistance 141.4 W/1000 m (43.1 W per 1000 ft)
Shielding
Double shielded
Shield #1 = aluminum/mylar tape
Shield #2 = 36 AWG tinned copper braid
Shielding conductor resistance 12.5 W per 1000 ft
Weight Indoor cable: 24.5 lb per 1000 ft
Outdoor cable: 25 lb per 1000 ft
Operating temperature Indoor cable: –5 to +55°C (+23 to +131°F)
Outdoor cable: –40 to +50°C (–40 to +122°F)
Fire rating Indoor cable: CSA FT-6, NEC 800, UL 910
Outdoor cable: CSA FT-4

32/346 Issue 01 - April 2001 - Draft 04 3CC12426AAAA TQ BJA 01
104
Access to building or tower
Access to the rooftop or tower and equipment room must be available day or night, 24 hours each
day for emergency repair or configuration.
Arranging access with the appropriate partner (facility security personnel, or the building/tower
owner or lease-holder) is the responsibility of the wireless equipment owner.
Access to telecommunications services
Where access to telecommunications services or to back-bone network attachments are required
by network design, permission to route fiber or cable to the equipment room must be arranged by
the wireless equipment owner.
Rooftop/tower requirements
The following rooftop/tower requirements apply.
Rooftop/tower modification
Depending on international, national, territorial, regional or municipal regulations, rooftop/tower
equipment may be affected by one or more of the following:
• allowable maximum height of mounting poles allowed on the rooftop or tower,
• color of exposed outdoor equipment and cable,
• aircraft glide slope (as governed by ICAO/IATA standards),
• equipment wind loading and structural impact of equipment added to a rooftop or tower.
These issues must be considered, and resolved with appropriate national, territorial, regional or
municipal authorities, as well as with the owner and lease-holder of the property.
Safety
Equipment must be installed in such a way that installers and maintenance personnel are not at
risk. Elevated installations must have accessible places for the proper connection of safety straps,
to prevent accidental injury due to falls.
Equipment must be installed in such a way that public safety is not at risk due to falling equipment
or tools during installation and long term operation.
Third-party equipment
Rooftops may contain third-party equipment that interferes with the RF or line-of-sight require-
ments of the system. If such conditions exist, this information must be provided to network design
staff for contingency planning or alternate site selection.
Rooftop or tower access
Rooftop or tower access should be limited to authorized personnel only. All entry points to the roof-
top or tower must be clearly marked with RF hazard signs.
Equipment room requirements
The following equipment room requirements apply.
Proximity to the X-Pol RBS Tx and X-Pol RBS Rx radios
The equipment room should be located in an area that is central to each sector pair of X-Pol RBS
Txs and X-Pol RBS Rxs, to provide convenient cable access. The equipment room should be lo-
cated as close to the rooftop level as possible, to reduce cable length requirements.
Shelf space
Each equipment rack requires 0.652 m2 (7.02 ft2), in accordance with Bellcore GR-63-CORE.
This space requirement includes wiring and maintenance space.

3CC12426AAAA TQ BJA 01 Issue 01 - April 2001 - Draft 04 33/346
104
Power
The MainStreetXpress 36170 shelf consumes a maximum of 1050 W of power. Each –48 V power
supply used to power an X-Pol RBS Tx or X-Pol RBS Rx radios consumes 50W of power.
Electrical ground access
The equipment room must provide access to a ground source that fulfils all international, national,
territorial, regional and municipal regulations for absorbing energy discharge from lightning arres-
ters.
Temperature and environmental control
The air temperature in the equipment room must be maintained in the range of –5 to +55°C (+23
to +131°F). This may require installing an air conditioning system, and a back-up air venting sys-
tem. Additionally, the equipment room must provide protection from precipitation, seeping water
and humidity.
Cables must enter the equipment room through feed-through, weatherproof rubber cable portals
capable of handling the BS configuration and growth plans.
Fire suppression
The equipment room must be equipped with a chemical fire suppression system that complies
with all international, national, territorial, regional and municipal fire safety codes.
Cable guides
Cable guides and ladders should be used appropriately to route cable both inside and outside the
equipment room.
Controlled access
Only authorized personnel should have access to the equipment room.
2.4.2 – BS installation overview
Customer-supplied equipment
Customers installing a BS need to supply:
– attenuators,
– IF cable,
– a grounded entry point,
– ground wires and connectors,
– weatherproof cable entry panel(s),
– poles or towers for mounting X-Pol RBS Rxs and X-Pol RBS Txs,
– miscellaneous supplies and connector tools (such as butyl electrical tape, cold-shrink tubing, ca-
ble cutter, wire stripper and crimping tool),
Note 1 - BS components and cables must be installed and serviced by trained personnel who
are experienced in the local, national and civil electrical and safety regulations of the area
where the equipment is being installed.
Some areas require that only licensed individuals may install and service equipment. Consult
appropriate local authorities prior to installation.
Note 2 - All IF cabling must meet local safety and building code requirements.

34/346 Issue 01 - April 2001 - Draft 04 3CC12426AAAA TQ BJA 01
104
– cable guides and ladders,
– cable hangers and cable grounding kits,
– antenna heaters (to prevent antenna icing).
Grounded entry point
Each BS requires a grounded entry point in order to ground BS components and cables. Refer to local
electrical code requirements when choosing a grounded entry point for the BS.
Lightning protection
BS site lightning protection requires:
– installing lightning arresters on IF and RS-422 cables,
– grounding X-Pol RBS Txs, X-Pol RBS Rxs and mounting poles,
– grounding IF cables,
– lightning rods.
Lightning arresters
The installation of both IF and RS-422 cable lightning arresters is strongly recommended. If light-
ning arresters are not used, equipment is not covered by the warranty agreement.
Lightning arresters should be installed as close to the rooftop IF cable entry point as possible. Li-
ghtning arresters must be grounded according to international, national, territorial, regional and
municipal safety codes.
Lightning rods
Equipment that may be subject to lightning strikes must be protected by a lightning protection sys-
tem that is installed in accordance with all applicable international, national, territorial and local
regulations and practices.
This may require the installation of lightning rods, a rooftop ground loop, and a main building
ground.
X-Pol RBS Tx and X-Pol RBS Rx
The X-Pol RBS Tx and X-Pol RBS Rx cases, mounting bracket and mounting pole must be groun-
ded to the building power utility ground.
IF cable
IF cables must be grounded at the cable entry point, every 50 m (164 ft) between the cable entry
point and the X-Pol RBS Tx or X-Pol RBS Rx, and at the base of a tower.
Use a standard cable grounding kit available from the recommended cable manufacturer.
IF cable installation
IF cables provide a signal path for data, and power for the X-Pol RBS Tx and X-Pol RBS Rx. IF cables
should be approved by Alcatel, and rated for the particular environment where they are installed (indoor,
outdoor, riser or plenum).
Cable run requirements for the inside and outside of the equipment room vary from site to site. Alcatel
currently recommends only certain cable types, connectors and manufacturers. However, customers
can contact Alcatel to inquire about using alternate cable solutions if the currently approved cables do
not suit a specific application.
Because there are many factors associated with choosing a suitable IF cable, customers are advised by
Alcatel of the manufacturers and part numbers recommended for these cable assemblies.

3CC12426AAAA TQ BJA 01 Issue 01 - April 2001 - Draft 04 35/346
104
Weatherproofing
IF cable connectors and cable entry points must be weatherproofed.
IF cable connectors
Moisture in IF cables causes an increase in VSWR that increases signal loss beyond the specifi-
cations of the system. All IF cable connections should be weather-proofed using butyl tape, or
cold-shrink kits available from the cable or connector manufacturer.
RS-422 data cable LEMO connectors
The RS-422 data cable LEMO connector is a waterproof connector when properly assembled. Ad-
ditional weatherproofing is not required.
X-Pol RBS Tx, X-Pol RBS Rx and antennas
If an X-Pol RBS TxX-Pol RBS Tx or X-Pol RBS Rx is removed from an antenna, care must be
taken to ensure the O-ring that seals the RF channel between the X-Pol RBS Tx/X-Pol RBS Rx
and antenna is correctly installed when the X-Pol RBS Tx/X-Pol RBS Rx is reconnected to an an-
tenna.
Cable entry point
In order to keep moisture from entering the building, cable entry points should be weatherproofed
using a feed-through weatherproof rubber cable portal.
Where a cable runs down a wall to enter a building, a drip-loop or bend in the cable is required to
ensure that rainwater does not follow the cable into the building. The drip-loop or bend causes rain
water to drip from the cable before it reaches the cable entry point.
X-Pol RBS Tx and X-Pol RBS Rx installation
The X-Pol RBS Tx and X-Pol RBS Rx must be connected to antennas before being mounted on towers,
masts, building rooftops or other appropriate fixtures.
BS antennas connect to mounting hardware that is attached to 11.43 cm (4 1/2 in.) outer diameter steel
mounting poles at preselected locations on a rooftop.
Vertical and horizontal spacing between X-Pol RBS Txs and X-Pol RBS Rxs is provided by cell planning
activities, and must be adhered to.
Power for each X-Pol RBS Tx and X-Pol RBS Rx is delivered by the IF cable. No additional power
delivery is required for the radios.
Caution - When installing IF cable, use the connectors and connector tools recommended
in Appendix A. Failure to do so could damage the connectors or result in poor signal quality.
Note - The required inner diameter (wall thickness) of a mounting pole must be determined
by professional engineering staff, taking into consideration the torsional and vibrational
forces caused by the wind loading on the pole and on the equipment mounted on the pole,
as well as the distribution of these forces on the supported and unsupported parts of the pole.

36/346 Issue 01 - April 2001 - Draft 04 3CC12426AAAA TQ BJA 01
104
2.4.3 – Equipment and cable connection for non-redundant and redundant
X-Pol RBS Tx/X-Pol RBS Rx configurations
Figure 6 shows a typical non-redundant X-Pol RBS Tx/X-Pol RBS Rx BS configuration. Figure 7 shows
a redundant X-Pol RBS Tx/X-Pol RBS Rx BS configuration. Grounding, surge protection and power
connection for non-redundant and redundant systems are similar. Attenuators, if required, are installed
between the 12:2 Combiner/Splitter and the Bias-T. Table 13 lists the BS components and part numbers.
Figure 6 – Non-redundant X-Pol RBS Tx/X-Pol RBS Rx BS components and cables
Bias-T
Surge
protector
Tx 12:2
Combiner/
Splitter
Rx 12:2
Combiner/
Splitter
Bias-T
Surge
protector
IBS-TLX
Tx
Rx
X-Pol
X-Pol
RBS Tx
RBS Rx
- 48V
- 48V
Bias-T power cable
Bias-T power cable
Lightning
arrester
Lightning
arrester
RS-422
Lightning
arrester
RS-422
Lightning
arrester
Exterior wall
X-Pol RBS Tx
X-Pol RBS Rx
IF and -48V
RS-422 data
Synchronization
reference
IF and -48V
RS-422 data
Synchronization
reference

3CC12426AAAA TQ BJA 01 Issue 01 - April 2001 - Draft 04 37/346
104
Figure 7 – Redundant X-Pol RBS Tx/X-Pol RBS Rx BS components and cables
IBS-TLX
2:1
2:1
2:1 =
Bias-T
Surge
protector
Tx 12:2
Combiner/
Splitter
IBS
X-Pol
X-Pol
RBS Tx
RBS Rx
- 48V
Bias-T
Lightning
arrester
RS-422
Lightning
arrester
Exterior wall
R-X-Pol
IF and
RS-422
Synch
reference
power cable
RS-422
Lightning
arrester
data
-48V
RBS Tx
X-Pol
IF and
RS-422
Synch
reference
data
-48V
RBS Tx
Tx
Rx Rx 12:2
Combiner/
Splitter
Bias-T
Surge
protector
Lightning
arrester
- 48V
Bias-T
power cable
- 48V
Bias-T
power cable
- 48V
Bias-T
power cable
Lightning
arrester
Lightning
arrester
Bias-T
Surge
protector
Bias-T
Surge
protector
RS-422
Lightning
arrester
RS-422
Lightning
arrester
To manager selected Tx IBS-TLX
2:1 Combiner/Splitter
R-X-Pol RBS Tx = redundant X-Pol RBS Tx
R-X-Pol RBS Rx = redundant X-Pol RBS Rx
X-Pol
IF and
RS-422
Synch
reference
data
-48V
RBS Rx
R-X-Pol
IF and
RS-422
Synch
reference
data
-48V
RBS Rx
IBS
X-Pol
X-Pol
RBS Tx
RBS Rx
Tx
To manager selected Tx IBS-TLX
Rx

38/346 Issue 01 - April 2001 - Draft 04 3CC12426AAAA TQ BJA 01
104
Table 13: BS equipment summary per sector
2.4.4 – BS installation tasks
The following installation tasks apply to the installation of a BS.
2.5 – Installing BS X-Pol RBS Txs, X-Pol RBS Rxs and antennas
2.5.1 – Overview
This chapter describes how to:
– attach an X-Pol RBS Tx or X-Pol RBS Rx to an antenna,
– attach antenna mounting plates to a pole,
Item
Number for
non-redundant
X-Pol RBS Tx/
X-Pol RBS Rx
system
Number for
redundant
X-Pol RBS Tx/
X-Pol RBS Rx
system
Part number Commercial
Code
12:2 Combiner/Splitter 2 2 90-6659-01
2:1 Combiner/Splitter 0 2 90-6734-01
Type N lightning arrester 2 4 90-6517-01
X-Pol RBS Tx 1 2 See § 2.3
X-Pol RBS Rx 1 2 See § 2.3
Antennas 1
1
2
2
290-4563-xx
(horizontal polarization)
90-4564-xx
(vertical polarization)
RS-422 lightning arrester 2 4 90-6519-01
Surge protector 2 4 90-6739-01
Bias-T 2 4 90-6516-01
Bias-T power cable 2 4 90-6518-01
Task Chapter
Install the IBS
Attach the X-Pol RBS Tx/X-Pol RBS Rx to an antenna
Attach the antenna to the pole assembly, ground the
X-Pol RBS Tx/X-Pol RBS Rx and adjust the downtilt
Connect the surge protectors to the Bias-Ts
Connect the Bias-Ts to the 12:2 Combiner/Splitter
Mount the Type N lightning arresters
Connect the BS cables
Calibrate IF cable upstream and downstream losses

3CC12426AAAA TQ BJA 01 Issue 01 - April 2001 - Draft 04 39/346
104
– attach antennas to mounting plates,
– ground the X-Pol RBS Tx and X-Pol RBS Rx,
– adjust antenna downtilt,
– replace a X-Pol RBS Tx, X-Pol RBS Rx or antenna.
BS antennas connect to mounting hardware that is attached to 11.43 cm (4 1/2 in.) outer diameter steel
mounting poles at preselected locations on a rooftop.
The location of the mounting poles, the distance between X-Pol RBS Txs and X-Pol RBS Rxs, the height
of the X-Pol RBS Txs and X-Pol RBS Rxs on the mounting poles, and the polarization of the X-Pol RBS
Tx and X-Pol RBS Rx antennas are determined as part of cell planning. The distance required between
X-Pol RBS Tx and X-Pol RBS Rx antennas is either a horizontal or vertical distance, as shown in Figure
8.
Figure 8 – Distance between X-Pol RBS Tx and X-Pol RBS Rx antennas
2.5.2 – Attaching an X-Pol RBS Tx or X-Pol RBS Rx to an antenna
Each X-Pol RBS Tx and X-Pol RBS Rx must be connected to an antenna in a clean indoor environment,
on a surface that is suitable for electronic assembly, before the antenna is mounted on the BS pole
assembly.
Note - X-Pol RBS Txs, X-Pol RBS Rxs and antennas must be installed and serviced by
trained personnel who are experienced in the local, national and civil electrical and safety
regulations of the area where the equipment is being installed.
Some areas require that only licensed individuals may install and service equipment. Consult
appropriate local authorities prior to installation.
Note - The required inner diameter of a mounting pole must be determined by professional
engineering staff, taking into consideration the torsional and vibrational forces caused by the
wind loading on the pole and on the equipment mounted on the pole, as well as the
distribution of these forces on the supported and unsupported parts of the pole.
X-Pol RBS Tx
X-Pol RBS Tx
X-Pol RBS Rx
X-Pol RBS Rx
Horizontal distance
Horizontal distance
Vertical distance
Vertical
distance

40/346 Issue 01 - April 2001 - Draft 04 3CC12426AAAA TQ BJA 01
104
To install an X-Pol RBS Tx or X-Pol RBS Rx on an antenna that is already attached to a mounting plate,
the antenna must be removed from the mounting plate without disturbing the antenna downtilt. See
procedure 6-6 for information on removing an antenna from a mounting bracket.
To attach an X-Pol RBS Tx or X-Pol RBS Rx to an antenna
1. Remove the RF wave guide cover from the X-Pol RBS Tx or X-Pol RBS Rx, and remove the RF wave
guide plug from the antenna. Figure 9 shows the location of the cover and the plug.
Figure 9 – Location of the wave guide plugs and covers
2. Place the radio on a flat surface, with the wave guide facing up.
3. Place the provided O-ring on the O-ring seal seat around the X-Pol RBS Tx or X-Pol RBS Rx RF
wave guide. Ensure that the O-ring remains in place during the remainder of the procedure.
4. Place the antenna on the radio as shown in Figure 10, ensuring that the captive bolts align with their
threaded standoffs. Tighten each of the three captive Hex bolts to 2.37 Nm (21 in.-lb) torque.
Note 1 - Do not remove the shipping caps from the coaxial and RS-442 connectors on the
X-Pol RBS Tx and X-Pol RBS Rx until the BS cables are ready for attachment.
Note 2 - Antenna polarization is specified in cell planning, and cannot be changed without
affecting network performance. Use the appropriate Tx and Rx antenna polarization for X-
Pol RBS Txs and X-Pol RBS Rxs in a given sector, as specified by cell planning activities.
RF wave
guide with
cover removed
O-ring seal
seat
Antenna
RF wave
guide with
plug removed