Thomson Broadcast and Multimedia ULT-1K10K2 UHF Digital transmitter, for use with MediaFlo User Manual PREIMPAP
Thomson Broadcast & Multimedia, Inc. UHF Digital transmitter, for use with MediaFlo PREIMPAP
Contents
Operation manual part 2

Digital Liquid Cooled UHF
TV Equipment
Description / Test points / Location of units
9946 V1
45321648.01 104 A E preliminary 43 / 131
Numéro / Number Doc. Rev. Lan
g
u. 16/06/2006 Pa
g
e
Information contained is this document is confidential, is THOMSON property and cannot be disclosed in whatever form without prior written authorization of THOMSON.
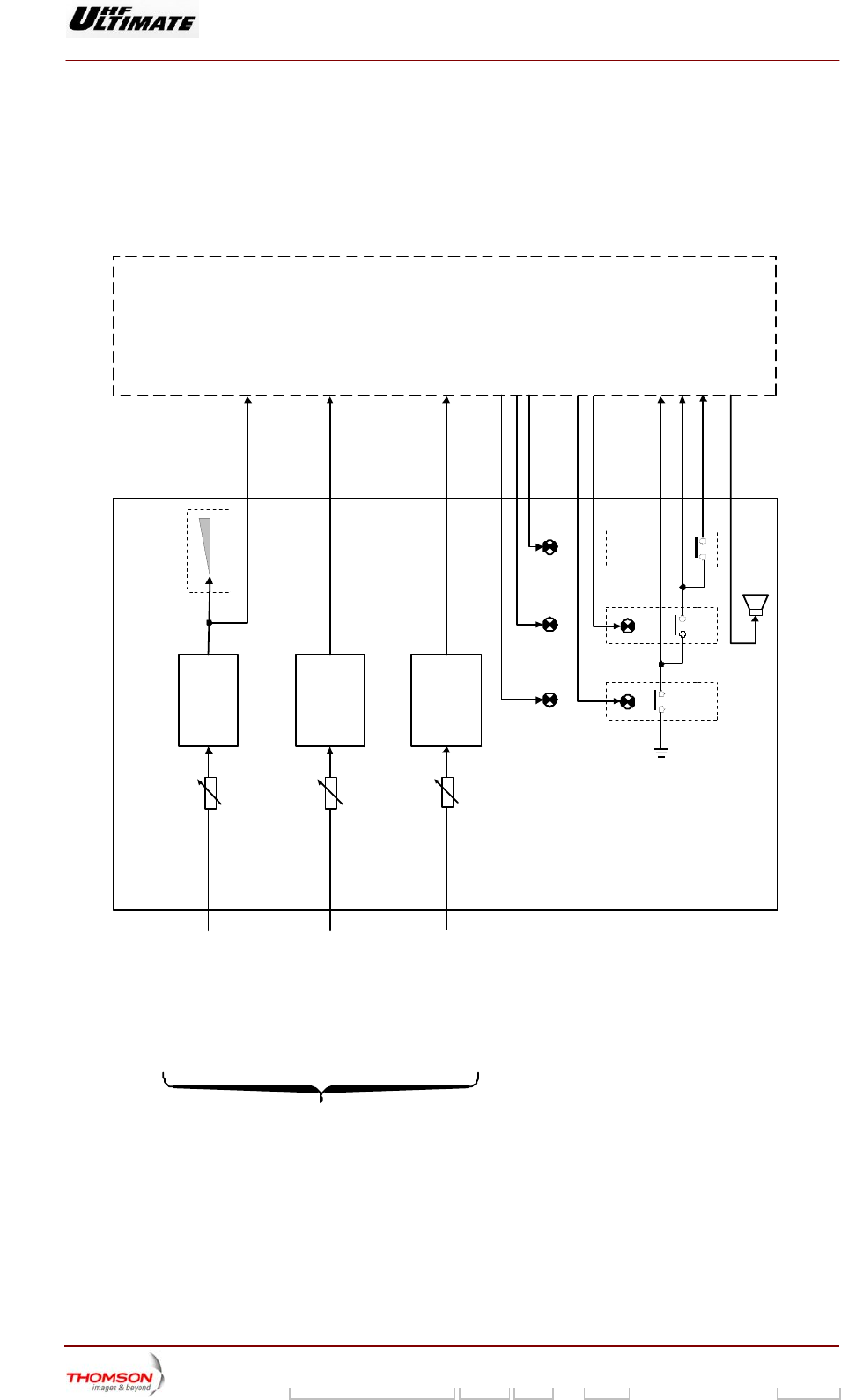
3.2.3.1. Digital board
Topography ref.1
♦ This version is designed upon FPGA hardware and is dedicated to MediaFLO.
♦ The serial incoming data stream signal is processed by the channel encoder, which provides an
output complex digital signal in the form of parallel I and Q digital signals and a clock reference.
♦ The channel encoder has a hardware version allowing to perform MediaFLO modulation.
♦ The equipment can support redundant switching input for MediaFLO operation. The equipment will
also be able to manage SFN operation.
♦ An embedded microprocessor will manage daughter boards such as GPS (optional) OEM receiver,
and TS Board.
♦ RS232, I2C and SPI buses are used for internal control and monitoring of the daughter boards.
♦ External Control and Monitoring is done through RS232 and/or Ethernet and/or CAN bus.
♦ The digital board is distributing pilot clocks to SIRIUS boards. 10MHz to the synthesizer and TS
board and system clock to the TS board.
3.2.3.2. TS board
Topography ref.2
♦ The TS board received from the digital board the outputs I&Q signals and clock reference.
These I&Q signals are processed by the TS board which includes : Clipping, Linear Equalization,
Non Linear adaptive pre-correction.
♦ The Clipping function limits the magnitude of the vector above a given threshold. The magnitudes
higher than the threshold are replaced by the threshold complex value.
♦ The non linear automatic pre-correction function computes the best shoulder level at the output of
the transmitter. The process is based on a LUT (Look Up Table) that is loaded from an iterative
measurement of the shoulder level. The complex base band outputs of the LUT is then up-
converted to the IF frequency.
♦ The complex IF frequency signals are converted in the analog domain, filtered,(Rep. 4) transposed
and amplified to UHF band (Rep. 6 and 7)
♦ Tx Board (Rep. 3) A daughter board is fitted on the TS board in order to do the up conversion
function. External feedback which is coming from the RF signal at the output of the transmitter is
used in order to control the shoulder, the linear correction process.
♦ Feedback signals are then processed by the TS board via the switch/ALE card (Rep. 5) achieves
an automatic change over from the both signals (ALE-IN and FDB-IN) to the TS card input.
3.2.3.3. Power supply
Topography ref.8 and 8A
♦ A specific power supply is used for the whole cabinet to supply +12volts, -12 volts, +5 volts and +
3,3 volts.

Digital Liquid Cooled UHF
TV Equipment
Description / Test points / Location of units
9946 V1
45321648.01 104 A E preliminary 44 / 131
Numéro / Number Doc. Rev. Lan
g
u. 16/06/2006 Pa
g
e
Information contained is this document is confidential, is THOMSON property and cannot be disclosed in whatever form without prior written authorization of THOMSON.
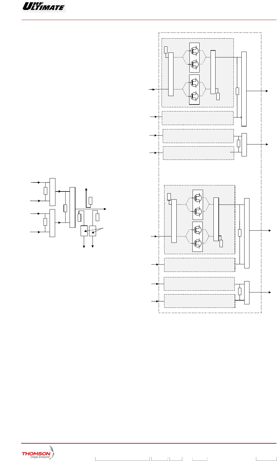
3.2.3.4. Synthesizer
Topography ref.7
♦ A digital programmable synthesizer is provided to deliver a sinusoidal signal at the transmitting
frequency between 430 and 900 MHz with an output level of 10 dBm / 50 ohms.
3.2.3.5. GPS receiver
Topography ref.12
♦ This low power miniature board GPS enable to get the 1 pps signal 10 µs pulse, UTC, 10 MHz.
3.2.3.6. Miscellaneous
The frame of the exciter included one complementary device :
♦ An LED board for front panel indications. ( Rep. 3)
3.2.3.7. Input processing
3.2.3.7.1. SFN System
For the SFN network the input module plays another role. Stuffing locally is just not possible, as all
transmitters have to radiate the same information at the same time. A transport stream that supports
SFN differs from the MFN transport stream by including the pps and flo frames data signal. The Mega
frame structure corresponds to 8 COFDM frames in the 8k mode, 16 frames in 4k mode. The SFN
input module must be able to receive external synchronizaton signals, frequency reference and timing
signals from a common reference, e.g. a GPS signals.
3.2.3.8. Control of timing
In an SFN application, the control of timing from input to output of the COFDM exciter is extremely
important, like the ability of the COFDM exciter to synchronize in frequency and time to an external
reference.

Digital Liquid Cooled UHF
TV Equipment
Description / Test points / Location of units
9946 V1
45321648.01 104 A E preliminary 45 / 131
Numéro / Number Doc. Rev. Lan
g
u. 16/06/2006 Pa
g
e
Information contained is this document is confidential, is THOMSON property and cannot be disclosed in whatever form without prior written authorization of THOMSON.
3.2.4. Encoding
♦ Network : SFN
♦ Channelization : 6MHz
♦ Transmission modes : 12
♦ Local network and Wide network supported
♦ MediaFloTM Logical Channel supported

Digital Liquid Cooled UHF
TV Equipment
Description / Test points / Location of units
9946 V1
45321648.01 104 A E preliminary 46 / 131
Numéro / Number Doc. Rev. Lan
g
u. 16/06/2006 Pa
g
e
Information contained is this document is confidential, is THOMSON property and cannot be disclosed in whatever form without prior written authorization of THOMSON.
3.2.5. Transport Stream Inputs
The Sirius is provided with two serial (ASI) inputs. The active input is selected either via the front panel
or the remote control. The input accepts an MPEG transport stream according to the MPEG and
MediaFLo recommendations. Both 188 and 204 byte transport packets are supported.

Digital Liquid Cooled UHF
TV Equipment
Description / Test points / Location of units
9946 V1
45321648.01 104 A E preliminary 47 / 131
Numéro / Number Doc. Rev. Lan
g
u. 16/06/2006 Pa
g
e
Information contained is this document is confidential, is THOMSON property and cannot be disclosed in whatever form without prior written authorization of THOMSON.
3.2.6. Adaptive non linear pre-correction
The adaptive precorrection algorithm computes automatically the amplitude distribution from the non
linear feedback input. Both “one shot” and “adaptive” mechanisms are available. In adaptive mode,
when shoulders after power amplification are above a threshold, the exciter computes new set of
coefficients. This system allows the best optimisation of the shoulder and MER after the transmitter
(estimated to be 1dB better than manual adjustment). Moreover, the algorithm balances the shoulder
to have the best output performance.

Digital Liquid Cooled UHF
TV Equipment
Description / Test points / Location of units
9946 V1
45321648.01 104 A E preliminary 48 / 131
Numéro / Number Doc. Rev. Lan
g
u. 16/06/2006 Pa
g
e
Information contained is this document is confidential, is THOMSON property and cannot be disclosed in whatever form without prior written authorization of THOMSON.
3.2.7. Adaptive linear correction
The adaptive linear correction function allows to compute a digital 64-tap filter to compensate
combiner filter. The 64-tap linear corrector allows to compensate typical 12 pole elliptic filter (typ. tilt
6dB and typ. Group delay 2.5uS).

Digital Liquid Cooled UHF
TV Equipment
Description / Test points / Location of units
9946 V1
45321648.01 104 A E preliminary 49 / 131
Numéro / Number Doc. Rev. Lan
g
u. 16/06/2006 Pa
g
e
Information contained is this document is confidential, is THOMSON property and cannot be disclosed in whatever form without prior written authorization of THOMSON.
3.2.8. Alarm circuits
A RS232 connector allows to have 2 isolated inputs and two isolated outputs. In typical application,
when the exciter is sued to control amplifier system, these inputs can be used as GO/NO GO in case
of amplification failure.
The two outputs can be used also to reset the power amplification system or to trig other equipment.

Digital Liquid Cooled UHF
TV Equipment
Description / Test points / Location of units
9946 V1
45321648.01 104 A E preliminary 50 / 131
Numéro / Number Doc. Rev. Lan
g
u. 16/06/2006 Pa
g
e
Information contained is this document is confidential, is THOMSON property and cannot be disclosed in whatever form without prior written authorization of THOMSON.
3.2.9. Frequency references
The exciter is equipped with an internal frequency reference with stability of ± 4ppm, adequate for many
applications including multi frequency applications.
The user can either use the internal GPS receiver or an external GPS reference. The smart engine is designed to
avoid any frequency jump at RF output. The frequency reference can either be the internal GPS or external 1pps
signal or external 10MHz. When SFN is used, the pps signal is mandatory during the initialization phase.

Digital Liquid Cooled UHF
TV Equipment
Description / Test points / Location of units
9946 V1
45321648.01 104 A E preliminary 51 / 131
Numéro / Number Doc. Rev. Lan
g
u. 16/06/2006 Pa
g
e
Information contained is this document is confidential, is THOMSON property and cannot be disclosed in whatever form without prior written authorization of THOMSON.
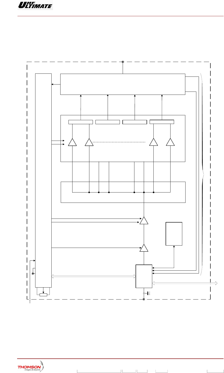
3.2.10. Interface of exciter
3.2.10.1. Front panel
A B F
CA1
E
D06/024(e-f)
Figure 10 : Front panel (04/271(f-e))
The following appear on the SIRIUS module front panel:
DIAGRAM
REFERENCE COMPONENT REMARKS
B Red fault LED Overall hardware fault
♦ Lit: indicates that one of the boards in the Sirius module is faulty
♦ Extinguished: normal operation
C Red ALARM LED MPEG or GPS signals at input (10 MHZ and 1 PPS)
♦ Extinguished: operational
♦ Lit: indicates that one of the input signals is absent.
In SFN mode, the inputs taken into account are:
♦ ASI 1
♦ ASI 2
♦ 10 Mhz
♦ 1 P.P.S.

Digital Liquid Cooled UHF
TV Equipment
Description / Test points / Location of units
9946 V1
45321648.01 104 A E preliminary 52 / 131
Numéro / Number Doc. Rev. Lan
g
u. 16/06/2006 Pa
g
e
Information contained is this document is confidential, is THOMSON property and cannot be disclosed in whatever form without prior written authorization of THOMSON.
DIAGRAM
REFERENCE COMPONENT REMARKS
D Green OK LED This LED has two functions:
♦ Extinguished: software fault
♦ Lit: indicates that the microprocessor is operating satisfactorily (software)
Note: During the made the powered-on of exciter, the LED “OK” is lit during
approximately 15 seconds indicating the operated of power supply then, put out
(extinct) during approximately 7 seconds indicating the starting-up of the
microprocessor and to end lit. (refer to the diagram below).
3.2.10.1.1. Test Points
The RF output signal from the SIRIUS module can be monitored at connector A on the front of the
module.
The RF output signal from the synthesiser unit (LO) can be monitored at connector A1 on the front
panel of the SIRIUS rack.
3.2.10.1.2. Front panel interconnections
The following appear on the SIRIUS module front panel:
DIAGRAM
REFERENCE COMPONENT REMARKS
E COM 1 Connector Reserved for TBM use: Serial link connection (RS232); this enables authorised
personnel to have access to the digital card micro program (Modulator). The user
must not connect anything to this connector.
F LAN Connector Reserved for TBM use: Ethernet link connection (RJ45) with digital card
(Modulator). This connection is limited to factory use and gives access to high level
functions and fault finding routines in the Sirius module (for use by a technician
using a terminal)
G PC card reader On the right hand side of the SIRIUS front panel there is a PC card reader which will
accept a memory card on which the exciter parameters can be stored (not available)

Digital Liquid Cooled UHF
TV Equipment
Description / Test points / Location of units
9946 V1
45321648.01 104 A E preliminary 53 / 131
Numéro / Number Doc. Rev. Lan
g
u. 16/06/2006 Pa
g
e
Information contained is this document is confidential, is THOMSON property and cannot be disclosed in whatever form without prior written authorization of THOMSON.
3.2.10.2. Connection at the rear side of the exciter
06/096(e-f)
At the back side of the exciter are located all the necessary customer inter connexion to assume the
driver function in the transmitter.

Digital Liquid Cooled UHF
TV Equipment
Description / Test points / Location of units
9946 V1
45321648.01 104 A E preliminary 54 / 131
Numéro / Number Doc. Rev. Lan
g
u. 16/06/2006 Pa
g
e
Information contained is this document is confidential, is THOMSON property and cannot be disclosed in whatever form without prior written authorization of THOMSON.
A Main power supply input :90 to
254 volts AC, 47 to 63 hertz
B 2 RJ45 connexions for ethernet
and ethernet TS information in
connexion with the digital board.
C 10 MHz 50 ohms frequency
reference input connected to
digital board
D Timing reference 1 pps
connected to digital board
06/097(e-f)
ABCDE
LEFT SIDE OF THE RACK
E External GPS input
F Double input and double output
opto coupled ports in connexion
with digital board
G DB9 RS232 UTC reference input
for GPS
H DB9 RS232 Local CM in
connexion with digital board.
I DB9 RS232 data for digital board.
06/098(e-f)
FGHIJ
MIDDLE SIDE OF THE RACK
J Can bus in connexion with digital
board
K Low priority DVB-ASI input TS
L High priority DVB ASI input TS
M Automatic gain control input
N VSWR input in connexion to TS
board
O Feedback RF input for linear
automatic correction
P Feedback RF input (-15dBm+/-
5dB) no linear automatic
correction.
Q 0 dBm with 45dB shoulder RF
output
R DB9 Double input and double
output opto coupled ports in
connexion with switch/ALE board
06/099(e-f)
KLMNO
PQRS
RIGHT SIDE OF THE RACK
S Optional ASI output

Digital Liquid Cooled UHF
TV Equipment
Description / Test points / Location of units
9946 V1
45321648.01 104 A E preliminary 55 / 131
Numéro / Number Doc. Rev. Lan
g
u. 16/06/2006 Pa
g
e
Information contained is this document is confidential, is THOMSON property and cannot be disclosed in whatever form without prior written authorization of THOMSON.
3.2.11. General characteristics
3.2.11.1. Pre-correction
The pre-corrector option supports non-linear pre-correction (gain and phases vs power level) and
linear pre-correction (level and group delay response vs. frequency). The pre-corrector allows further
control of the peak power clip level (range + 17dB to +7dB peak power relative to average RMS
level).
Non-linear correction:
♦ Gain correction: Max 12dB, subject to available headroom
♦ Phase correction: -6 to +30 degrees, subject to available headroom
Linear correction:
♦ Correction points: 64
♦ Point spacing: 1/20 of nominal spectrum BW
♦ Amplitude correction: ±10dB
♦ Amplitude resolution: 0.01dB
♦ Group delay correction: ±2000ns
♦ Group delay resolution: 1ns
3.2.11.2. General Electrical Mechanical and Cooling Characteristics
Rack : 19” 1U desired, 2U max, depth 600 <mm
Main Consumption : < 200 VA
Cooling : Internal fan, air input on the front panel
Finish : THALES standard

Digital Liquid Cooled UHF
TV Equipment
Description / Test points / Location of units
9946 V1
45321648.01 104 A E preliminary 56 / 131
Numéro / Number Doc. Rev. Lan
g
u. 16/06/2006 Pa
g
e
Information contained is this document is confidential, is THOMSON property and cannot be disclosed in whatever form without prior written authorization of THOMSON.
3.3. SIRIUS cooling assembly
3.3.1. Data sheet - Fans : 91835299

Digital Liquid Cooled UHF
TV Equipment
Description / Test points / Location of units
9946 V1
45321648.01 104 A E preliminary 57 / 131
Numéro / Number Doc. Rev. Lan
g
u. 16/06/2006 Pa
g
e
Information contained is this document is confidential, is THOMSON property and cannot be disclosed in whatever form without prior written authorization of THOMSON.

Digital Liquid Cooled UHF
TV Equipment
Description / Test points / Location of units
9946 V1
45321648.01 104 A E preliminary 58 / 131
Numéro / Number Doc. Rev. Lan
g
u. 16/06/2006 Pa
g
e
Information contained is this document is confidential, is THOMSON property and cannot be disclosed in whatever form without prior written authorization of THOMSON.
3.3.2. Data sheet – Power Supply : 91851992

Digital Liquid Cooled UHF
TV Equipment
Description / Test points / Location of units
9946 V1
45321648.01 104 A E preliminary 59 / 131
Numéro / Number Doc. Rev. Lan
g
u. 16/06/2006 Pa
g
e
Information contained is this document is confidential, is THOMSON property and cannot be disclosed in whatever form without prior written authorization of THOMSON.
3.4. Transmitter Management rack DD 45323663.02
06-85A (e-f)
PS1 PS2
A1A2*
A2
ITEM
A2
A2*
PS1
PS2
DESIGNATION
Carte CPU (TH860)
Carte interconnexion CPU/EMB/PA
Alimentation 1 (+5V, ±12V, +24V)
Alimentation 2 (+5V, ±12V, +24V)
DESIGNATION
CPU board (TH860)
Management system interconnection board, CPU/EXCITER/PA
Power supply 1 (+5V, ±12V, +24V)
Power supply 2 (+5V, ±12V, +24V)
Figure 11 .Management rack

Digital Liquid Cooled UHF
TV Equipment
Description / Test points / Location of units
9946 V1
45321648.01 104 A E preliminary 60 / 131
Numéro / Number Doc. Rev. Lan
g
u. 16/06/2006 Pa
g
e
Information contained is this document is confidential, is THOMSON property and cannot be disclosed in whatever form without prior written authorization of THOMSON.
ITEM
A2
J1
J2
W10
DESIGNATION
Carte interconnexion gestion, CPU/EMB/PA
Entrée secteur de l'alimentation 1 CPU/PS1
Entrée Ethernet RJ45
DESIGNATION
Management system interconnection board,CPU /EXCITER/PA
Mains input CPU/PS1 power supply unit 1
Input Supervision RJ45
Entrée secteur de l'alimentation 2 Ecran/PS2 Mains input Screen/PS2 power supply unit 2
J2 J1A2 W10
06/094(e-f)
Figure 12 : Pre-equipped box

Digital Liquid Cooled UHF
TV Equipment
Description / Test points / Location of units
9946 V1
45321648.01 104 A E preliminary 61 / 131
Numéro / Number Doc. Rev. Lan
g
u. 16/06/2006 Pa
g
e
Information contained is this document is confidential, is THOMSON property and cannot be disclosed in whatever form without prior written authorization of THOMSON.
3.5. Interconnections Board EMB/UC TX Numerique 45324511
3.5.1. Outline
In addition to housing the transmitter CPU card, this card also acts as an interface between the CPU
card and the other transmitter equipment.
The exciter/CPU interconnection card is an essential part of the transmitter; it provides for the
following:
♦ interconnections for DC, analogue signals and logic data between the exciter(s) and the control
system (Central Processing Unit),
♦ interconnections between the Central Processing Unit (CPU) card and the rest of the transmitter,
♦ interconnections between the Central Processing Unit card on the one hand and the user
interfaces (PCL and remote user interface) together with equipment with connections with systems
external to the transmitter (GPS, modem) on the other,
♦ exciter changeover switching operations.
3.5.1.1. Architecture and operational description
The exciter/CPU interconnection card consists of a mother board and a daughter board.
It houses the CPU card and the following:
♦ internal data buses which provide for data exchange between the various card connectors,
♦ connectors for signal and data interchange with :
• the MODAP unit,
• the RF switcher (Double Drive transmitter),
• the multiplex card,
• the user interfaces,
• external units,
♦ connections between the various card connectors,
♦ connections used to distribute the supply voltages from the very low voltage power supply card of
the Central processing unit to:
• the Central Processing Unit card,
• the Local Control Panel (PCL),
For the most part the mother board contains the connections with the MODAP unit and the daughter
board contains the connections with the rest of the transmitter.
3.5.2. Protection and surveillance devices
The exciter/CPU interconnection card has no need of internal protection and surveillance devices;
nevertheless it incorporates protection devices for the power supplies which feed:
♦ the logic system,
♦ the PCL,
♦ the multiplex card.

Digital Liquid Cooled UHF
TV Equipment
Description / Test points / Location of units
9946 V1
45321648.01 104 A E preliminary 62 / 131
Numéro / Number Doc. Rev. Lan
g
u. 16/06/2006 Pa
g
e
Information contained is this document is confidential, is THOMSON property and cannot be disclosed in whatever form without prior written authorization of THOMSON.
These fuses go open circuit in over-current conditions and reset automatically; they cannot be
changed on line.
Fuses on the mother board
PROTECTIVE
DEVICE POWER SUPPLY SOURCE DESTINATION
F1 +5 V CPU power supply card MODAP logic system
F2 +12 V CPU power supply card Multiplex card
Fuses on the daughter board
PROTECTIVE
DEVICE POWER SUPPLY SOURCE DESTINATION
F1 +5 V CPU power supply card PCL
F2 +12 V exciter A power supply card PCL
F3 -12 V exciter A power supply card Multiplex card
F4 +12 V exciter B power supply card PCL
F5 -12 V exciter B power supply card Multiplex card
F6 +24 V CPU power supply card PCL
F7 +24 V CPU power supply card
F8 -12 V exciter A + B power supply card Provisional
F9 +12 V exciter A power supply card Provisional
F10 +12 V exciter B power supply card Provisional
F11 -12 V exciter A power supply card PCL
F12 -12 V exciter B power supply card PCL
3.5.3. Indicator lamps and message displays
Since this card is only concerned with interconnections, it does not have any indicator lamps or
operational status indicators.
3.5.4. Controls
The transmitter configuration can be controlled by override switches mounted on the exciter/CPU
interconnection card mother board as follows :
♦ SW1 : switches the transmitter to installation mode,
♦ SW2 : switches the transmitter on if the CPU is faulty or not present,
♦ SW3 : switches the transmitter off if the CPU is faulty or not present,
♦ SW4 : switches exciter A to air if the CPU is faulty or not present,
♦ SW5 : switches exciter B to air if the CPU is faulty or not present.
3.5.5. Power input
Since this card is only concerned with interconnections, it does not have any need for a power supply.
The few internal components which need power use the voltage supplies from the exciter and CPU
power supply cards.

Digital Liquid Cooled UHF
TV Equipment
Description / Test points / Location of units
9946 V1
45321648.01 104 A E preliminary 63 / 131
Numéro / Number Doc. Rev. Lan
g
u. 16/06/2006 Pa
g
e
Information contained is this document is confidential, is THOMSON property and cannot be disclosed in whatever form without prior written authorization of THOMSON.
3.5.6. Connections and data transfer
The mother board connectors are as follows:
♦ on one side : connectors J6, J12, J20, J21 to the CPU,
♦ on the other side:
• J6.1, J12.1, J20.1, J21.1: to the daughter board,
• J13 : connection to a GPS receiver (option) which provides sync signals for the modulator,
• J30 : connects the CPU with the exciter RF switching relays,
• J40 : connects to remote user interface via RS232 serial link,
• J50 : connects CPU to exciter A,
• J70 : connects CPU to external DVB -T modulator (exciter A),
• J80 : connects CPU or exciter A to external equipment via RS232 or RS485
serial link (provisional),
• J90 : connects CPU to external DVB -T modulator (exciter B),
• J100 : connects CPU or exciter B to external equipment via RS232 or RS485
serial link (provisional),
• J150 : connects CPU to exciter B.
The daughter board connectors are as follows:
♦ on one side : connectors J6, J12, J20, J21 to the mother board,
♦ on the other face it has the following connectors for connections with the rest of the transmitter :
• J1, for input command signals from a hard wired remote user interface to the Central
Processing Unit card,
• J2, J3, for output status signals from the Central Processing Unit card to a hard wired remote
user interface,
• J4, for the transfer of command signals, in addition to status and fault signals between the
various transmitter units (other than the exciter and CPU) and the multiplex card,
• J5, for the input of messages from the multiplex card about faults in the various transmitter units
(other than the exciter and CPU),
• J7, for data exchange with the PCL and for feeding very low voltage supplies to the PCL,
• J8, not used,
• J9, for the input of very low voltage supplies from the CPU power supply card,
• J10
• J11, for connections via the serial link between the CPU and a remote user interface (RS232
with JBUS protocol).
3.5.7. Cooling
The exciter/CPU interconnection card is cooled by natural convection.

Digital Liquid Cooled UHF
TV Equipment
Description / Test points / Location of units
9946 V1
45321648.01 104 A E preliminary 64 / 131
Numéro / Number Doc. Rev. Lan
g
u. 16/06/2006 Pa
g
e
Information contained is this document is confidential, is THOMSON property and cannot be disclosed in whatever form without prior written authorization of THOMSON.
3.5.8. Transportability
No special requirements.
04/036
04/035
Figure 13 : Connection card Management/SIRIUS (2 faces)

Digital Liquid Cooled UHF
TV Equipment
Description / Test points / Location of units
9946 V1
45321648.01 104 A E preliminary 65 / 131
Numéro / Number Doc. Rev. Lan
g
u. 16/06/2006 Pa
g
e
Information contained is this document is confidential, is THOMSON property and cannot be disclosed in whatever form without prior written authorization of THOMSON.
3.6. Preamplifier RF Unit 45326079
3.6.1. Presentation
NOTE : The preamplifier Module is “Hot Swap” compatible. Defective PA Modules may be removed
and replaced without shutting the entire transmitter system down.
The RF preamplifier is designed to amplify residual side band modulated television analogue signals
for all standards, and digital signals in DTV (US - ATSC standard and Europe - DVB-T standard). It is
designed to work in UHF transmitters for bands IV and V.
The preamplifier output power is approximately 0,8 W peak at 1 dB of compression with an minimum
gain of 20 dB.
The preamplifier is fully solid-state (Hybrid technology). The module is fitted with an the interface
connector SUB-D (type B3W13) for 240V AC mains input, for output of fault data used by the
transmitter control system and for RF connectors.
One small Handle is used to insert and remove the preamplifier module.
3.6.2. Architecture
The RF preamplifier consists of the following parts :
♦ A printed circuit board including :
• class A amplifier,
• an output coupling stage,
• the peak detector circuit and RF monitoring,
• an integrated power supply unit.
♦ Heat sink
♦ Protection cover
Figure below shows the positions of the various parts in the preamplifier.
Handle PSU (AC/DC) DC/DC Converter
F1
Fuse RF
Amplifier
04/040 (e)
SUB-D
Connector
Figure 14 : UHF preamplifier

Digital Liquid Cooled UHF
TV Equipment
Description / Test points / Location of units
9946 V1
45321648.01 104 A E preliminary 66 / 131
Numéro / Number Doc. Rev. Lan
g
u. 16/06/2006 Pa
g
e
Information contained is this document is confidential, is THOMSON property and cannot be disclosed in whatever form without prior written authorization of THOMSON.
3.6.3. Operational description
The input RF signal passes through the following stages.
♦ A class A preamplifier to deliver a rms power of 0.8 W.
♦ An output coupling stage, with a slope correction circuit and which sends an RF feedback signal to:
• the peak detector circuit (provides the status of the preamplifier),
• which the latter then sends out from RF monitoring outputs to the pre-amplifier.
The built-in power supply G1 provides 24 V used to bias the hybrid amplifier MA1 and equally to feed
the DC/DC converter MA3. It supply the buffer circuit MA2 of the peak detector CR1. The power
supply G1 is protected by fuse F1 from short-circuits.
A1
Entrée RF
RF input Sortie RF
RF output
A2
Sortie test RF
RF test output
A3
CR1
Sortie détection
Detection output
MA2
G1
DC/DCMA3
5V-DC
F1
24V-DC
Entrée secteur
Mains input
Alimentation
Power supply
04/030 (f-e)
AC
MA1
Figure 15 : Block diagram of the preamplifier
3.6.4. Indicator lamps and message displays
The RF preamplifier does not have any indicator lamps or operational status indicators.
NOTE : The PCL «EXCITER» window displays the status condition of a preamplifier.
3.6.5. Test points
Connector A2 on the rear of the panel provides a test point monitoring feed of the preamplifier RF
output signal.
The level of the monitoring feed is 20 dB down on the output signal to the power amplifier unit.

Digital Liquid Cooled UHF
TV Equipment
Description / Test points / Location of units
9946 V1
45321648.01 104 A E preliminary 67 / 131
Numéro / Number Doc. Rev. Lan
g
u. 16/06/2006 Pa
g
e
Information contained is this document is confidential, is THOMSON property and cannot be disclosed in whatever form without prior written authorization of THOMSON.
3.6.6. Adjustment controls
The pre-amplifier has no controls on its front and rear panels.
3.6.7. Protection and surveillance devices
The RF preamplifier module is fused by an CMS fuse F1 (1A) at the +24VDC input.
3.6.8. Power input
The RF preamplifier gets its single phase mains feed from the mains distribution panel. The mains
input connector is fed from connector J10 or J11 on the EXCITER/CPU interconnection board in
bottom of the transmitter control system frame.
3.6.9. Connections
The RF preamplifier module has one SUB-D connector (Type B 3W13) on its rear panel as follows:
• A1 : RF input.
• A2 : RF monitoring.
• A3 : RF output.
• Pins 1 & 6 : 240 V AC Neutral.
• Pins 8 & 3 : 240 V AC Phase.
• Pin 5 Detection output.
• Pins 7 & 2 : GND.
A1 A3
A2
04/038
3.6.10. Cooling
The preamplifier module could be cooled by natural convection.
3.6.11. Transportability
No special requirements.

Digital Liquid Cooled UHF
TV Equipment
Description / Test points / Location of units
9946 V1
45321648.01 104 A E preliminary 68 / 131
Numéro / Number Doc. Rev. Lan
g
u. 16/06/2006 Pa
g
e
Information contained is this document is confidential, is THOMSON property and cannot be disclosed in whatever form without prior written authorization of THOMSON.
3.6.12. Environmental Conditions
Guaranteed specifications (alt≤1500m) : 0 à 55°C.
Guaranteed operation : -10 à 60°C.
Storage temperature : -30 à 60°C.
Relative humidity : 95 % without condensation.
3.6.13. Mechanical Characteristics
size including handle and connector (W x H x D) : 230x60x70 mm.
weight : 0.8 kg max
3.6.14. Electrical Characteristics
The electrical characteristics below are given for above environmental conditions.
Input max. level without destruction: 20 dBm max.
Output power (1 dB compression on VSWR ≤ 1.2 and 470 ≤ F ≤ 862 MHz): 0.8 W min.
Instantaneous bandwidth: 470 à 862 MHz.
Gain in bandwidth: 21 dB ± 1 dB.
Gain linear distortions in 470 à 862 MHz for 20 dBm: ± 0.75 dB max.
Input matching in bandwidth: 10 dB min.
Output matching in bandwidth: 10 dB min.
Shoulders for Ps = 100 mW rms: - 40 dBc min.
Mains power supply: 240 Volts AC.

Digital Liquid Cooled UHF
TV Equipment
Description / Test points / Location of units
9946 V1
45321648.01 104 A E preliminary 69 / 131
Numéro / Number Doc. Rev. Lan
g
u. 16/06/2006 Pa
g
e
Information contained is this document is confidential, is THOMSON property and cannot be disclosed in whatever form without prior written authorization of THOMSON.
3.7. Central Processing Unit (CPU-TH860)
3.7.1. Outline
NOTA : The SNMP protocol is described in Annexes.
The Central Processing Unit supervises the running of the transmitter; its principal functions are as
follows :
♦ to monitor and control the various units in the transmitter,
♦ to store the faults in these units together with dates and times,
♦ to control the various interfaces in conjunction with a local or remote operator.
3.7.2. Architecture
The Central Processing Unit is on a double Euro card and contains :
♦ the Central Processing Unit,
♦ an EPROM memory,
♦ an SRAM memory,
♦ a connector for PCMCIA card,
♦ a flash EPROM memory,
♦ 4 timers,
♦ a time and date clock,
♦ an internal configuration port containing 7 jumper straps which can be read by a micro controller,
♦ on/off inputs/outputs,
♦ RS 232 serial link connectors,
♦ one analogue input,
♦ One Ethernet input.
3.7.3. Protection and surveillance devices
The Central Processing Unit has a unit for monitoring the +5 V supply. During switch-on and switch-off
the output buffers wait for their confirmation command from the micro controller before exchanging
data with the external system. These output buffers are disabled as soon as the +5 V voltage supply
rail drops below 4.5 V.

Digital Liquid Cooled UHF
TV Equipment
Description / Test points / Location of units
9946 V1
45321648.01 104 A E preliminary 70 / 131
Numéro / Number Doc. Rev. Lan
g
u. 16/06/2006 Pa
g
e
Information contained is this document is confidential, is THOMSON property and cannot be disclosed in whatever form without prior written authorization of THOMSON.
Figure 16 : CPU board – TH860
3.7.4. Indicator lamps and message displays
The Central Processing Unit card has the following on its front panel :
♦ a green indicator lamp : when this flashes the memory access is operating satisfactorily,
♦ an orange/yellow indicator lamp: when this is lit up the CPU card is powered,
♦ an red indicator lamp: when this is lit up CPU board is not operating properly (light up a short time
during CPU start up).
yellow LED
red LED
Green LED
switch not used
Ethernet connection
RJ45
P1
Location for PCMCIA card
P2
P3
CPU Reset
3.7.5. Controls
The switch on the CPU front panel is not used.
3.7.6. Power input
The Central Processing Unit card is powered by +5 V and +12 V DC from the CPU power supply card
in the front of the transmitter.

Digital Liquid Cooled UHF
TV Equipment
Description / Test points / Location of units
9946 V1
45321648.01 104 A E preliminary 71 / 131
Numéro / Number Doc. Rev. Lan
g
u. 16/06/2006 Pa
g
e
Information contained is this document is confidential, is THOMSON property and cannot be disclosed in whatever form without prior written authorization of THOMSON.
3.7.7. Connections and data transfer
The Central Processing Unit has the following connectors:
On front panel :
♦ connector P1 : spare,
♦ connector P2 : for serial link (RS 232C) connection with the "Log book" terminal,
♦ connector P3 : spare,
♦ Connector P5: for Ethernet network,
P1
Location for PCMCIA card
P2
P3
CPU Reset
In the rear panel, the following connectors plug into the exciter/CPU interconnection card :
♦ connector J6 which has :
• the following outputs :
- command signals from the hard wired remote user interface (via connector J1 on the
interconnection card),
- command to RF relay for switching between exciter A and exciter B, situated on the
exciter/CPU interconnection card,
- the synthesizer reset command,
- RF switching commands,
- the on/off command for the amplifier power supplies (via interconnection card).
• the following inputs :
- values for the vision, sound and antenna RF power levels sent from the RF probes (via the
PCL and connector J7 of the interconnection card),
- the +5 V supply from the CPU power supply card (via interconnection card),
• the bus connections to the multiplex card,
♦ connector J20 which has :
• the following outputs :
- commands to the PCL indicator lamps (via connector J7 of the interconnection card),
- RF switching commands,
• the following inputs :
- commands from the PCL (via connector J7 of the interconnection card),
- presence signals from the exciters,
- the +12 V supply from the CPU power supply card (via interconnection card),
• connections to the PCL data bus (bus RS 232), (via connector J7 of the interconnection card),

Digital Liquid Cooled UHF
TV Equipment
Description / Test points / Location of units
9946 V1
45321648.01 104 A E preliminary 72 / 131
Numéro / Number Doc. Rev. Lan
g
u. 16/06/2006 Pa
g
e
Information contained is this document is confidential, is THOMSON property and cannot be disclosed in whatever form without prior written authorization of THOMSON.
• connections via the data bus with MODAP A, (via connector J50 of the interconnection card),
• connections to the remote user interface data bus (RS 232 bus), (via connectors J11 or J40 of
the interconnection card),
• connections to the data bus to the synthesizers (via connector J50 of the interconnection card),
♦ connector J21 :
• for output status signals to a hard wired remote user interface (via connectors J2 and J3 of the
interconnection card),
♦ connector P6 which has :
• connections via the data bus with MODAP B, (via connector J150 of the interconnection card),
• connections via the data bus with external equipment using RS 232 or RS 485 serial links (via
connectors J70, J80, J90, J100 of the interconnection card).
3.7.8. Cooling
The Central Processing Unit is cooled by the exciter cooling system. Input air is drawn into the cooling
chamber which is situated below the frame which houses the exciter cards ; the air then circulates
through the cards.

Digital Liquid Cooled UHF
TV Equipment
Description / Test points / Location of units
9946 V1
45321648.01 104 A E preliminary 73 / 131
Numéro / Number Doc. Rev. Lan
g
u. 16/06/2006 Pa
g
e
Information contained is this document is confidential, is THOMSON property and cannot be disclosed in whatever form without prior written authorization of THOMSON.
3.8. Power supply unit for UC/Multiplex/PCL 61390563

Digital Liquid Cooled UHF
TV Equipment
Description / Test points / Location of units
9946 V1
45321648.01 104 A E preliminary 74 / 131
Numéro / Number Doc. Rev. Lan
g
u. 16/06/2006 Pa
g
e
Information contained is this document is confidential, is THOMSON property and cannot be disclosed in whatever form without prior written authorization of THOMSON.

Digital Liquid Cooled UHF
TV Equipment
Description / Test points / Location of units
9946 V1
45321648.01 104 A E preliminary 75 / 131
Numéro / Number Doc. Rev. Lan
g
u. 16/06/2006 Pa
g
e
Information contained is this document is confidential, is THOMSON property and cannot be disclosed in whatever form without prior written authorization of THOMSON.
3.9. Control panel (PCL) 45333047
3.9.1. Architecture
The Local Control Panel (PCL) consists of two units:
♦ an LCD touch screen,
♦ a display circuit.
It is the principal user interface for the transmitter. It gives the
operator the facilities to display the various status conditions of the
transmitter and its main sub-units.
3.9.2. Architecture and operational description
There are three push buttons on the PCL (On, Off, Reset). Each command signal from a push button
is:
♦ fed to a set-reset latch circuit to avoid contact
bounce; then,
♦ shaped into a pulse via a timer; and finally,
♦ sent to a buffer memory which transmits the
data pulses to the control system of the
transmitter (CPU card).
The output power level as measured by a directive probe is displayed on an LED bargraph.
A voltage which is proportional to the measured power value is applied to converters to produce a
progressive illumination of the LED bargraph; an illumination of the total length of the bargraph
corresponds to the nominal output power.
The values for the output and reflected signals as measured by the probes are sent directly to the
control system of the transmitter.
The indicator lamps on the display card indicate transmitter operational status conditions and they are
activated by command signals from the control system of the transmitter (CPU).
An RS 232 serial link from the CPU which carries data to and from the LCD screen passes through the
display card.

Digital Liquid Cooled UHF
TV Equipment
Description / Test points / Location of units
9946 V1
45321648.01 104 A E preliminary 76 / 131
Numéro / Number Doc. Rev. Lan
g
u. 16/06/2006 Pa
g
e
Information contained is this document is confidential, is THOMSON property and cannot be disclosed in whatever form without prior written authorization of THOMSON.
M ESURE
PUISSANCE
AVANT FILTRE
ONDE RETOUR
BEFORE FILTER
M EASUREM ENT
V.S.W.R
M ESURE
PUISSANCE
ANTENNE RETOUR
ANTENNA
M EASUREM ENT
V.S.W.R
M ESURE
PUISSANCE
POWER
M EASUREM ENT
GOHOM E ALARM UNL OCK
UNITE CENTRALE
VIA LA CARTE
D' INTERCONNEXI ON
EM B/UC
CPU BOARD
THROUGH
EXCITER/CPU
INTERCONNECTI ON
BOARD
R4 3 5
R4 5 5
R475
Signal aller
Forward signal
Signal retour
Return signal
Signal antenne retour
Return antenna signal
ON OFF RESET
Détecteurs et
sondes reflectomètres
Detectors and
reflectometer probes
99/363 (f/e
)
Figure 17 : Bloc diagram display card

Digital Liquid Cooled UHF
TV Equipment
Description / Test points / Location of units
9946 V1
45321648.01 104 A E preliminary 77 / 131
Numéro / Number Doc. Rev. Lan
g
u. 16/06/2006 Pa
g
e
Information contained is this document is confidential, is THOMSON property and cannot be disclosed in whatever form without prior written authorization of THOMSON.
3.9.3. Indicator lamps and message displays
There are no status indicator lamps to indicate the status conditions of the display card. The indicator
lamps on the front of the PCL indicate the overall status of the transmitter.
3.9.4. Adjustment controls
R435
TEST
R475
The sensitivity controls on the front of the PCL are used to set the parameters which are displayed by
the bar graph on the PCL and in the "RF REFLECTED LEVEL" and "RF LEVEL" windows; these
adjustments set the input signals and are as follows :
♦ R435 “POWER INDICATION” : sensitivity control for output power indication,
♦ R475 “ANTENNA VSWR” : sensitivity control for antenna SWR indication.
The output power level is displayed on the bargraph.
Return SWR values are displayed on the "RF REFLECTED LEVEL" window.
3.9.5. Test points
Pressing on the "TEST" button on the front panel of the PCL with a pointed object will check that the
indicator lamps and bargraph LED’s are working properly.

Digital Liquid Cooled UHF
TV Equipment
Description / Test points / Location of units
9946 V1
45321648.01 104 A E preliminary 78 / 131
Numéro / Number Doc. Rev. Lan
g
u. 16/06/2006 Pa
g
e
Information contained is this document is confidential, is THOMSON property and cannot be disclosed in whatever form without prior written authorization of THOMSON.
3.9.6. The display card 45324176
3.9.6.1. Outline
The display card performs the following functions :
♦ it sends commands to the equipment units,
♦ it demodulates the monitoring signals received from the directional probes in the RF connections to
the transmitter antenna and displays them,
♦ it acts as the interface between the LCD screen and the transmitter control system.
3.9.6.2. Operational description
Refer to the entitled paragraph « Operational description » of the sub-assembly LOCAL CONTROL
PANEL.
3.9.6.3. Indicator lamps
There are no status indicator lamps to indicate the status conditions of the display card. The indicator
lamps on the front of the PCL indicate the overall status of the transmitter.
3.9.6.4. Adjustment controls and Test et points
Refer to entitled paragraphs « Adjustment controls » and « Test et points » of the sub-assembly
LOCAL CONTROL PANEL.
3.9.6.5. Internal protective devices
The display card has no need of internal protective devices.
3.9.6.6. Connections and data transfer
The display card has the following connectors:
♦ Connectors for envelope signal from reflectometer probes :
• connector J1 in case of:
- analogue transmitter: for sound signal,
- digital transmitter: not used
• connector J2 in case of:
- analogue transmitter: for vision signal,
- digital transmitter: for RF signal,
• connector J3, for antenna SWR signal,
• connector J4 in case of:
- analogue transmitter: for vision SWR signal (only in case of split channel transmitter) or not
used,
- digital transmitter: for SWR signal

Digital Liquid Cooled UHF
TV Equipment
Description / Test points / Location of units
9946 V1
45321648.01 104 A E preliminary 79 / 131
Numéro / Number Doc. Rev. Lan
g
u. 16/06/2006 Pa
g
e
Information contained is this document is confidential, is THOMSON property and cannot be disclosed in whatever form without prior written authorization of THOMSON.
• connector J5 in case of:
- analogue transmitter: for sound SWR signal (only in case of split channel transmitter) or not
used,
- digital transmitter: not used
♦ Connector J6 which provides :
• the connection with the Central Processing Unit (via the exciter/CPU interconnection card) :
- the input illumination signals for PCL indicator lamps,
- the output command signals (On, Off, Reset),
- input of output and reflected power signal measurement values from the reflectometer
probes.
• the connection of the RS 232 serial link for data exchange between the transmitter control
system and the PCL touch screen,
• for input power supply to the PCL (display card and screen),
♦ Connector J7 for the RS 232 serial link between the display card and the touch screen (signal data
originate in the CPU),
♦ Connector J8 for the +24 V DC input power for the touch screen from the exciter / CPU
interconnection card,
♦ Connector J9 which is not used.
3.9.6.7. Input power supplies
The display card is fed with the following supplies:
♦ +5 V DC from the CPU power supply card via the exciter/CPU interconnection card,
♦ +12 V and -12 V DC, with back-ups, from the exciter power supply cards via the exciter/CPU
interconnection card.
3.9.6.8. Cooling
The display card does not require a separate cooling system; it is cooled by natural convection.

Digital Liquid Cooled UHF
TV Equipment
Description / Test points / Location of units
9946 V1
45321648.01 104 A E preliminary 80 / 131
Numéro / Number Doc. Rev. Lan
g
u. 16/06/2006 Pa
g
e
Information contained is this document is confidential, is THOMSON property and cannot be disclosed in whatever form without prior written authorization of THOMSON.
3.10. The power amplifier, 45323629
3.10.1. Outline
The power amplifier is designed to amplify
residual sideband modulated television analogue
signals for all standards, and digital signals in
DTV.
It is designed to work in UHF transmitters for 650
to 750 MHz.
The power output specification is as follows :
♦ vision :
• approximately 2100W peak power at 1 dB
compression,
• 960W rms power with a gain of 63 dB,
♦ vision plus sound :
• approximately 2100W peak power,
♦ peak power of 2100 W, for 570 W RMS
approximately with digital signals.
3.10.2. Architecture
The power amplifier consists of the following sub-units :
♦ protection card and interface,
♦ class A preamplifier,
♦ class AB drive amplifier,
♦ input splitter, 1 x 8 ways,
♦ final class AB 2100 W amplifier consisting of eight amplifier modules,
♦ 4 way combiner,
♦ power supply distribution card,
Figure below shows the positions of the various cards in the power amplifier.

Digital Liquid Cooled UHF
TV Equipment
Description / Test points / Location of units
9946 V1
45321648.01 104 A E preliminary 81 / 131
Numéro / Number Doc. Rev. Lan
g
u. 16/06/2006 Pa
g
e
Information contained is this document is confidential, is THOMSON property and cannot be disclosed in whatever form without prior written authorization of THOMSON.
06/082(e)
J2
RF Output
J104
RF Input
Power supply
Connector
J106 Side
J107 Side
06/083(e)
External connections
Protection & interface board
Class A preamplifier2 ways Wilkinson
Class AB amplifier
Splitter 8 Ways
External connections
Power supply distribution board
4 ways combiner Printed circuit board
AGC voltage adjustment
Two-coloured indicator
Holes to fix the special
carrying handle
Hydraulic
connector
Never carry
amplifier
by the handle
on the front panel
of the amplifier.
Use the special
handle
Hydraulic
connector
A2
A4
A5
A6
A11A7A9A8
R164
DS1
A5
Item
A11
A2
A4
A5
A6
Item
A7
A8
A9
R164
DS1
Figure 18 : UHF Amplifier 1600W

Digital Liquid Cooled UHF
TV Equipment
Description / Test points / Location of units
9946 V1
45321648.01 104 A E preliminary 82 / 131
Numéro / Number Doc. Rev. Lan
g
u. 16/06/2006 Pa
g
e
Information contained is this document is confidential, is THOMSON property and cannot be disclosed in whatever form without prior written authorization of THOMSON.
3.10.3. Operational description
The input RF signal passes through the following stages
♦ Protection and interface card which provides the following :
• manual adjustment of gain and phase to equalise for the variations between amplifiers (internal
adjustment not accessible to operator),
• generation of a voltage which is adjustable for automatic gain control (AGC) with reference to a
sampling of the RF signal at the combiner unit (adjustment accessible on front panel),
amplifier protection system (see § «Surveillance devices»).
♦ A class A preamplifier with LDMOS
transistors to deliver a minimum
power of 20 W at 0.2 dB
compression, with a gain G ≥ 37 dB,
♦ A class AB drive amplifier with
LDMOS transistors to deliver a power
of 220W at 1 dB compression, with a
gain G ≥ 12 dB at 0.2 dB
compression.
3 dB coupler
LDMOS LDMOS
Hybrid
amplifier
LDMOS
LDMOS
LDMOS
LDMOS
Module 1
Module 2

Digital Liquid Cooled UHF
TV Equipment
Description / Test points / Location of units
9946 V1
45321648.01 104 A E preliminary 83 / 131
Numéro / Number Doc. Rev. Lan
g
u. 16/06/2006 Pa
g
e
Information contained is this document is confidential, is THOMSON property and cannot be disclosed in whatever form without prior written authorization of THOMSON.
♦ a 1 x 8 way distribution unit to split the
input power from the class AB amplifier
into 8 amplifier signals,
♦ 2100 W amplifier consisting of eight class
AB amplifier modules with LDMOS
transistors which provides a minimum
power of 4 x 570W with a gain of 13 dB at
1 dB of compression,
♦ a coupling unit which recombines the
outputs of the 8 amplifier modules. This
coupling unit is a four-way combiner with
three directional couplers arranged along
the output line. This facilitates the sampling
of the output and return power values
inside the amplifier. The sample provides
the necessary signals for the protection
circuits and the amplifier AGC reference
signal. The output power sample signal
(Pi) is sent to the front panel for
monitoring.
Monitoring
connector on front
panel
Return wave Forward wave
To protection
board
Slope
compensation
LDMOS
LDMOS Module 5
Module 7
Module 8
Module 6
Module 3
Module 4
LDMOS
LDMOS Module 1
Module 2
1600W amplifier card
The power supply distribution card provides the following :
♦ distribution of all power and bias supplies for the various amplifier sub-units,
♦ the taking of sample measurements of the transistor currents in the amplifier modules. This serves
two purposes :
• the amplifier is provided with a fail-safe protection system,
• the amplifier currents are measured via the Central Processing Unit.
These current values are sent to the amplifier protection card.
♦ the interface for the status LED on the front panel of the amplifier.

Digital Liquid Cooled UHF
TV Equipment
Description / Test points / Location of units
9946 V1
45321648.01 104 A E preliminary 84 / 131
Numéro / Number Doc. Rev. Lan
g
u. 16/06/2006 Pa
g
e
Information contained is this document is confidential, is THOMSON property and cannot be disclosed in whatever form without prior written authorization of THOMSON.
Module 1
Module 2
Module 7
Module 8
2100W AMPLIFIER
Drive amplifier
AB class
Preamplifier
A class
(62 dBm)
RF signal output
1 x 8 WAY
SPLITTER
RF signal input
THERMISTOR
To CPU board
(throught/ amplifier power supply and multiplex board)
LDMOS UHF amplifier modules
4 WAY
OUTPUT
COMBINER
Amplifier power
supply
AGC voltage adjustment
Monitoring signals 32V
Pi2
V alim.
V polar.
POWER SUPPLY DISTRIBUTION BOARD
POWER AMPLIFIER
63dB gain
Fw2
Fw1 RW
INTERFACE AND
PROTECTION
BOARD
06/105 (e)
V polar.
Figure 19 : Block diagram of a power amplifier

Digital Liquid Cooled UHF
TV Equipment
Description / Test points / Location of units
9946 V1
45321648.01 104 A E preliminary 85 / 131
Numéro / Number Doc. Rev. Lan
g
u. 16/06/2006 Pa
g
e
Information contained is this document is confidential, is THOMSON property and cannot be disclosed in whatever form without prior written authorization of THOMSON.
3.10.4. Indicator lamps and message displays
♦ A LED indicator on the front panel of the amplifier card indicates the status
of the transmitter as follows :
• LED extinguished : voltage supply has failed or is ≤ 24V,
• green LED : amplifier voltage supply is present and it is working
satisfactorily,
• red LED :
- transistor failure as follows :
I < 2.4 A for a group of 4 power transistors with polarisation (P input >
-4dBm)
- overdrive (over current or power protection system activated and fault
stored : 45 A for 4 double transistors),
- P input > -4 to -3dBm and P output <250W
- SWR protection system activated and fault stored (≥ 2 ),
- thermal protection system activated and fault stored (air input
temperature ≥ 60°C),
• orange LED : internal power supply absent in the protection system card.
NOTE: The PCL «AMPLIFIERS» window displays the status
conditions of a power amplifier as follows :
• transistor current values:
- T1 : amplifier modules 1 and 2,
- T2 : amplifier modules 3 and 4,
- T3 : amplifier modules 5 and 6,
- T4 : amplifier modules 7 and 8,
- T5 : transistors in class AB drive amplifier,
- T6 : transistors in class A preamplifier,
• ON,
• general fault,
• SWR fault,
• overdrive fault,
• internal temperature fault,
• presence/absence.
T1
T2
T3
T4
T5T6